-
Fototrend
Opel topik
Új hozzászólás Aktív témák
-
nyemi
csendes tag
válasz
zeltam
#106629
üzenetére
Szívesen. Mint hogy ez egyszerű technika és nincs hiba lámpa. Egy olyan hibára kell gondolni ami mechanikai hibára utal és csak olykor-olykor jelentkezik. Ugye az el erőtlenedés (rángatás: gyújtás kimaradás volt): lehet időszakos benzin hiány (például a szivattyú a tankban odaszív valamit magához vagy benzinszűrő átszakadása stb.) vagy olyan előgyújtás változás ami még nem okozza a motor leállását (5°-40° közötti). Mint láthatod ezeknél motor típusnál sűrűn előfordul a főtengely szíjtárcsa kopása- ovalitása (ingadozik a jeladó(P35) közti távolság max:0.6-0.7mm!)- gumi ágy sérülése(kép)-elfordulása (főtengely csavar kilazulás) ami okozhat előgyújtás ingadozást.

-
nyemi
csendes tag
válasz
zeltam
#106620
üzenetére
Nem , ha MAP lenne rossz akkor is adná a hibajelet.
Hibajel nélkül ezeket kéne átnézni (esetleg cserélni):
-Levegő szűrő
-Benzin szűrő
-Benzin nyomást v. injektor szórási képet (0,75bar) megnézni alapjáraton gázadásra.
-Valahol nem szív fals levegőt (gázadásra) esetleg valamelyik vákuum tömlő szakadt-lyukas.
-Tanksapka levételnél nem cuppan(?) EVAP rendszer Y34 szelep átvizsgálása(dugulás)
nem kap levegőt a tartály! Én erre gyanakszom (tank sapka nélkül csinálj egy karikát és egyből kiderül
) .
-Ja és, néz rá az ékszíj tárcsánál a P35 szenzorra és a kerekére nem e sérült mechanikailag. -
nyemi
csendes tag
válasz
zeltam
#106614
üzenetére
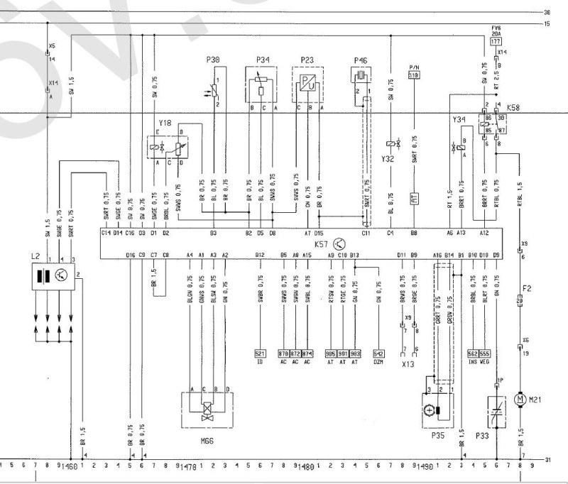
Szia. Igen (P34), de az EGR (Y18) csatija ne legyen lehúzva mert a benne levő potenciométer mutatja (lehet rossz) a vezérlőnek mennyire van nyitva! De sajnos még MAP(P23) szenzor is érzékeli a vákuum csökkenést ha kinyit . Szóval nem egyszerű a levakolás. De íme a kapcsija segítségnek.

-
nyemi
csendes tag
válasz
body007
#106591
üzenetére
Persze rúgóval befele. A felrakás előtt zsírtalanítsd le a tengelyt (fék tisztító). Aztán tekerj rá 3-4 menet szigetelő szalagot. Úgy, hogy az éles lépcsőt megszüntesd , és csak ~3mm szélességben legyen a lépcső felső részén belőle. Majd bezsírozva (szimeringet és a szigetelő szalagot is ) mehet fel az olajszivattyú az új szimeringgel (vagy csak simán a szimeringet beütöd). Aztán letekered a szigetelő szalagot és ennyi.
-
nyemi
csendes tag
-
nyemi
csendes tag
válasz
BlackDemon
#97234
üzenetére
Én a Mol olaját ajánlom , amúgy ebből a listából bátran választhatsz, van választék (a linkeltet nem látom
) -
nyemi
csendes tag
válasz
mephi666
#96684
üzenetére
Szóval csak az volt
. Rá térve a hibára csak azért gondoltam ,hogy az mert a fojtószelep érzékelő egy elektromechanikus eszköz ami kezdeti kopását nagyon nehéz észre venni. Gondolj bele a régi rádiók hangerő szabályzójába a tekerésekor jelentkező recsegésre. A nedvesség vagy esetleg a pára bejutása meg még palástolja is a hibát ideig óráig (mint egy kontakt spray). Amúgy ezek az autók nagyon egyszerű menedzsment elektronikával rendelkeznek. De a tanulási eljárás itt is meg van , ezért egy pár száz kilométer után lesz majd tökéletes. -
nyemi
csendes tag
válasz
mephi666
#96637
üzenetére
Ép ez az, hogy az Injektor van védve a legjobban . Az alapjárati motor, a λ-szonda, a TPS szenzor, a hőmérséklet jeladó, a gyújtás elosztó+elektronika meg a trafó , ja és még az oktán dugó van jobban kitéve a felcsapódó víznek. A sebesség jeladó az Km-óra mögött van a benzin szint relé meg az ECU, vezető melletti utas lábánál van. Ezek beázása sem valószínű. De majd kiderül. A diagnosztikához ezt még tudom adni
-
nyemi
csendes tag
válasz
mephi666
#96606
üzenetére
Szia. Ha a injektor csere nem hozza a várt eredményt mindenképp cseréljetek TPS szenzort (fojtószelep állás potmétert). Mert ha rossz, az ECU úgy érzékeli mintha indításnál nyomnád a gázt és ezért elárasztó módba kapcsolja magát (CLEAR FLOOD MODE). Fojtószelep Potméternek vehetsz hagyományost (szénpályás érintkezős) vagy Hall jeladósat ami un. érintkezés mentes, amitől nem tud elkopni benne semmi.
Orosz fajta . Ukrán fajta
Mindkettő jó a központi injektoros Opelhez. -
nyemi
csendes tag
Üdvözlet minden Opel tulajdonosnak . Erre vigyázni olajcserekor:https://www.opelforum.hu/topic/14-motor/?do=findComment&comment=1103969
-
nyemi
csendes tag
válasz
Tothgera30
#95867
üzenetére
-
nyemi
csendes tag
válasz
Tothgera30
#95865
üzenetére
"Szerelő szerint már elég "koszos" volt az olaj, és jó hogy cserélve lett."
Na ezért mondom
130 ezer kilométer után(?). Én most cseréltem a 97-es ASTRA -F13-as váltójában (1 tulajos) győnyőrű piros volt . Sokkal könnyet lett a váltás és csendesebb is.
Vigyázni kell mert az F-17 váltó nagyon kényes az olajra! -
nyemi
csendes tag
válasz
Tothgera30
#95846
üzenetére
Látom a F17-es váltóba nem a gyári olaj került . Megsúgta a szerelőd, vagy miért erre eset a választás?
-
nyemi
csendes tag
"Tényleg "csak" ennyi lenne vagy hol a buktató?"
-A gyertya fészkeket még betekert gyertyáknál tisztítani!(féktisztító, levegő)
-A gyertyakulcsban benne legyen a gumi (porcelán szigetelő törés)!
-A lazítást statikusan végezzük (gyertya derék szakadás)!
-A betekerést racsni nélkül kézzel tegyük (érintőig!)!
-Az új gyertyánál nyomaték után a megfelelő szöget még húzzuk rá, az új tömítés miatt (gyertya gyártó függő).
Láttam már szétszakadt gyertyáért, hengerfejet levenni.
De nem akarlak elriasztani a feladattól.
Hajrá...
-
nyemi
csendes tag
válasz
bandi0000
#94922
üzenetére
Szia. Ezeknek a motoroknak (C14NZ,X14NZ) a vezérlője annyira egyszerű hogy az alapjárati motor bekalibrálása nélkül, nem működik megfelelően. A fojtószelep szenzor (TPS), a motor hőmérséklet gomba, a sebesség szenzor hibáját se zárnám azért ki.
-
nyemi
csendes tag
válasz
ilovedigweed
#90769
üzenetére
Test kábeleket ellenőrizni.
-
nyemi
csendes tag
válasz
Tikakukac
#88268
üzenetére
totalcar.hu/égéster:
Élőszőr ezt kéne meghallgatni.
Ez meg a folytatása. -
nyemi
csendes tag
válasz
Tikakukac
#88261
üzenetére
"Nem sok Opeles garis ügyintézésed volt ezek szerint, meg úgy autók sem általában
"
Jön a személyeskedés aztán egyesek itt csodálkoznak hogy elharapóznak az indulatok
.A véleményem akkor is az, hogy olaj ügyben az autó gyártójához kell fordulni nem egy olajcéghez.
-
nyemi
csendes tag
válasz
farkas-j
#88257
üzenetére
Idézet:"Elkeserítelek, de a GM nem vizsgálja az olajokat. Ő csak kiad egy követelményt, amit a gyártók ha tudják teljesítik, és ha megéri nekik, akkor megvehetik a Dexos minősítési logót.
Kiragadom az alábbi cikkből a Dexos minősítéssel kapcsolatos részletet:
"- a termék gyártója befizette a General Motorsnak a dexos2 logo használatának liszenszdíját, így feltüntetheti azt a címkén anélkül, hogy bárki ellenőrizné, mi van a flakonban"Én nem hiszem el amit mondasz.
Mert ha garanciában tönkremegy az autó , pedig Dexos2 olajat kapott, ott az autógyártónak kell viseli a költséget. Szóval érdeke, hogy olyan olajhoz adja csak a nevét ami nem tesz kárt a termékébe.Ezért van gondolom köztük egy kölcsönös bizalom.
Inkább más itt a helyzet. Rengeteg olyan olajgyártó is van , aki nem szeretne kimaradni GM autók olaj ellátásából ezért Dexos2 minősítéssel ajánlják olajukat , holott az elvárt gyártói szabvány nincs mögötte.
Megvenni meg nem akarják mert ahhoz meg minőséget kéne produkálni az előbb említett bizalom miatt.
Mert akárhogy is nézzük GM-hez képest egy olajgyártó csak kis hal. -
nyemi
csendes tag
válasz
Tikakukac
#88254
üzenetére
Én nem csodálkozok, mert kicsit most utána jártam a Dexos 2-es szabványnak és teljesen elhűltem, hogy mennyi mindenre kiterjed a vizsgálatuk. Például az hogy relatíve vékony olajak de a >3,5 HTHS-t megkövetelik, az adalékokat meg lent tartják, hogy a katalizátort kíméljék. Szóval teljes mértékben a gépkocsi motorját védik, Így szerintem még bőven magyarázható, holmi hangok eltűnése is.
-
nyemi
csendes tag
válasz
Tikakukac
#88252
üzenetére
Most amikor beleöntöm az új olajat, csendes csak ahogy mennek a kilométerek úgy lesz hangosabb.
Én úgy érzem nincs baj csak nem megfelelő az olaj bele. Mert:"Az ACEA és az ILSAC szabványokból átvett követelményeken kívül a specifikáció tartalmaz néhány saját GM előírást is, például az olajelválásra és a levegő-elválásra vonatkozóan." Ami azt jelenti, hogy nem keveredik bele a levegő és így a hidrótőkék nem lesznek összenyomhatók. Amúgy a Dexos2 szabványt még tömítés kompatibilitásra is ellenőrzik , erre hangsúlyozottan felhívom a Insignia tulajdonosok figyelmét. -
nyemi
csendes tag
Nem tudom tudtok e róla , de ezt találtam : GM Oil Licensed brands Innentől nem kérdés mit kell töltenünk az autónkba, mert ugye ez autóink gyári ajánlása, aminél jobb nem kell. Megfigyelhető, hogy Dexos2 közt nem is található ACEA A3/B3-B4-es (Full ASH/SAPS) csak szigorúan C3( (MID ASH/SAPS) közepes adalékoltságú.
-
nyemi
csendes tag
válasz
mohabá 007
#85613
üzenetére
Üdvözlöm mohabá007.
Igen a felcsavarható fémházas szűrőkről van szó, szóval akinek a betétes van az autójában az vegye figyelmen kívül amit beszélek (írok).
"Ez maga, az "orosz csoda""
Nem Nem hanem Osztrák, méghozzá a MAHLE KNECHT OC93 ez a felcsavarható Prémium olajszűrője az Opelek régebbi típusainak. Ajánlom is annak aki még a gyárinál is jobbat akar.
Persze ebben sincs semmilyen szelep, de aki nem küszködik evvel a késői olaj lámpa kialvással , annak (igen Orosz tapasztalatok alapján)messze a legjobb.
Na itt ez "hosszabb állás után késői olaj lámpa kialvás" nagyon sokaknak problémája és nem kevés internet órát szántam rá hogy kiderítsem mi okozhatja. Általánosan jelentkezik,főleg egy olajcsere után és nem csak az Opel típusoknál , még az olajdoki is csak találgat . Amit eddig kiderítettem: az hogy még az olajcserét se mindegy hogy hajtjuk végre (szűrő ki-olaj le-új olaj be-új szűrő be , tán így jó), vagy töltünk e olajat az új szűrőbe vagy nem. Ez mind az sejteti hogy maradhat légbuborék a rendszerbe. Régebbi típusoknál és szintetikus olajhasználatnál, még a olajrendszerben levő tömítések minősége is okot adhat az aggodalomra. X14NZ 20 éves Opelomba az a két o-gyűrű (felszívó cső-gyújtás elosztó vez. teng. vége) ami találkozik az olajjal NBR anyagú és nem Viton vagy esetleg más korszerűbb anyag ami jól ellenáll a szintetikus olaj hatásainak. De ez se teljesen állja meg a helyét mert az Olajdoki kérdések között új típusú autóval rendelkező hozzászóló is volt aki panaszkodott . Ezért szerintem több ok is feltételezhető ami ezt a" késői olaj lámpa kialvás" tünetet produkálja. Az meg hogy ez hosszabb távon okoz e a motorban többlet kopást borítékolhatjuk hogy igen. De van aki törődik vele van aki nem.
"(sajnos a forgalmazók tudatosan átverik a gyanútlan vásárlót)"
Nem, mert ők az ajánlják amit amit a gyártó . De az tudjuk, hogy egy mérnők tökéleteset nem tud alkotni. Arra csak természet képes. Ezért mondom azt : mindig lehet jobbítani, kreativitás belevinni egy rendszerbe hogy tökéletesebb legyen. A japánok nagyok ebben (nézzük meg a Suzuki Swift motorját, elnyűhetetlen valami
. 
-
nyemi
csendes tag
válasz
Tikakukac
#85575
üzenetére
Úgy látom nem egyedi az eseted Az Oroszok ezt a problémát: szintetikus olajjal, visszafolyás gátlós és hosszabb olajszűrővel orvosolják.
-
nyemi
csendes tag
válasz
Tikakukac
#85570
üzenetére
Főleg igen meg a nem megfelelő olaj. De én még ide említeném a nem megfelelően kinyíló termosztátot és beszívott levegő hőmérsékletét szabályzó bimetallos vákuum kapcsolót vagy a nyáron is rajtahagyott gyári hűtő takarót ( F Astra 1.4i ). Én is ezek átvizsgálásával kezdtem megvétel után és mind a három dologgal probléma volt, pedig csak 60e környékén járok! Mert nálad megvan égve az olaj és akkor kokszolódik így le.
Említett dolgok aljas módon tudják felvinni a motor hőmérsékletét úgy hogy észre se veszed főleg ezekben a mostani nyári melegekben. Nálam is csak egy folyamatos 350km-res út után derült ki hogy nincs valami rendben : elerőtlenedés és kokszos gyertyák voltak a tünetek. A gyertyák amúgy nagyon jól jelzik az égés milyenségét a hengerben szóval helyedben azokat is le csekkolnám. -
nyemi
csendes tag
válasz
bazsimano
#85406
üzenetére
Szia bazsimano
Elmesélek történetet : Ismerősnek csekklámpa világít . Elmegy szakszervizbe, teljes átvizsgálás mondanak , hibát kiolvasták és törölték , λ szonda cserét javasolnak. Ügyfél nem kéri.
De otthoni bogarászás közben meglát egy szakadást az egyik gumi csövön. Vesz ujjat kicseréli, Jobb az autó de néha még rángat. Velem konzultál, ajánlok neki egy profit :félóra se, benzinnyomás mérés csak 2,2 bar , benzin szivattyú csere 35 ezer. Ujjé a kocsi tökéletes
-
nyemi
csendes tag
válasz
mohabá 007
#85210
üzenetére
"Waze! Nem, nem, nem!!! Az olaj visszafolyását az olajszűrőben lévő visszafolyás gátló szelep nem engedi visszafolyni!!"
Úgy látom csak ragaszkodsz ahhoz, hogy van visszafolyás gátló szelep szűrőben.
Még linkel megpróbállak meggyőzni:[link]
De végül is, nem is neked akarok én segíteni, hanem vebbful 3 éve fennálló problémájára:[link]
Úgy érzem leírtam már a megoldást, ezért nem koptatom, tovább a billentyűzetemet.
Ajánlom magamat.Üdv nyemi
-
nyemi
csendes tag
válasz
mohabá 007
#85198
üzenetére
Szia.
"Tegyük helyére a dolgokat. Kezdésnek egy kis olvasnivaló:[link]"
Na ez az
én is ebből gondoltam, hogy elméletileg minden olajszűrőben van visszafolyás gátló szelep.
Írtam is az olajdokinak a Hengst szűrő képét csatolva , de sajnos ez a kérdés még rajta is kifogott, mert nem válaszolt.


Amúgy túlnyomás szelep, hogy nincs az nem baj mert van a olajszűrő alatt a blokkban.
A menetes csonktól jobbra látható.
"Jelzi, fel is van téve a szűrő felépítése,de mivel a szűrő felépítése azonos,ezért nincs külön mindegyik tipushoz odabiggyesztve."
Egy precíz katalógusban minden benne van (Mann az). Ha kicsit elmerülsz benne és csak egy pár keresési feltételt adsz csak meg, láthatsz olyan szűrő típust, ami két visszafolyás gátló szeleppel rendelkezik, amúgy meg még azt is jelzi, hogy a bypass szelep nyitási nyomása mennyi. Szóval ha nem jelez szelepeket a szűrőben az nincs is. Ha nem hiszed, olajcserédkor vágd szét és megtudod
.
Inkább ugye az lenne itt a kérdés: Kell e egyáltalán? Nincs e az C14NZ-X14NZ motor rendszere úgy kialakítva hogy ne is keljen? Az utolsó képemen látszik , hogy az olaj szűrőbe felülről ömlik bele, ez biztosítja hogy a szűrő ne ürüljön ki. De mégse, mert a menetes csonkon keresztül ki ürülhet a főtengely csapágyak fele, ha meleg a motor és egy kicsit hígabb olajat használunk (Pld:5W40-est). Persze így már megszakad az olaj folytonosság és a szivattyú fele is vissza fog folyni ami a csőben van. A Szóval szerintem régen olyan szűrő anyagot (vastagabbat-sűrűbbet) használtak ami ezt meg akadályozta, meg persze az olajok is hígabbak manapság. Ezért már kell a visszafolyás gátló szelep, mert már olyan szűrőt és olajat se kapsz mint régen.
Ezért javasoltam ennek beszerzését. Ezzel aztán felcsavarható az előzőkben linkelt szűrő amiben benne levő szelep megfogja felezni az olajat a csatornákban. Az olajszivattyú felé lefolyó olaj, nagyobb súlya miatt le zárja a szelepet evvel meg akadályozva a főtengely felé való olajkiürülést is.
"Csakhogy ne legyen hiányérzeted,neked csináltam:
"
Nagyon köszönöm a fáradozásodat ,sajnos csak egy baj van vele, hogy nem fedi a valóságot.
Megtévesztő lehet más számára. -
nyemi
csendes tag
válasz
mohabá 007
#85195
üzenetére
Szia
"Ezt ki mondta?
"
Hát senki, de a Hengst H90W03-as meg a Alco SP935-ben biztos hogy nincs, csak maga a szűrő. Mert azokat szétszedtem . A Mann W 712/75-ben is semmi szelep nincs mert katalógusában sem jelzi.
Szóval azt mondod, hogy a gyári Opel szűrőben van visszafolyásgátló szelep? Mert akkor az adapter esztergályos munkáját meg spórolhatnám. -
nyemi
csendes tag
válasz
Markizmark
#85191
üzenetére
Az a probléma hogy az F astra olajszűrőjében nincs "Visszaáramlás gátló szelep" se "Megkerülő szelep".
Terveim közé tartozik az 5W40-es olaj feltöltéssel egyidejűleg egy olajszűrő adapter [(M18x1,5- 3/4-16 UNF)] és egy [Mann W712/52-es szűrő beszerelése.] Mi a véleményed, megérné? -
nyemi
csendes tag
válasz
Markizmark
#85171
üzenetére
Nagyon Köszönöm a választ. Lesz kérdésem, csak most leléptem mert holnap korán kezdek.
Másoknak is mindent köszönök. -
nyemi
csendes tag
válasz
Magnum_
#85170
üzenetére
Itt viharsarokban a nyári akár 37C° (árnyékban!) 40-es viszkozitásból nem engednek az autó szerelők. Inkább 10W40-es preferálják. 5W30-as úgy letud hígulni hogy olyan "lesz mint a víz" mondják ők. Amúgy azt furcsállom hogy az eredeti GM olajnak nem találok adatlapot. Amiben benne kéne lennie a 40C°_100C° viszkozitásnak, HTHS-ről meg ne is beszéljek (bár ezt ritkán adják meg a gyártók). Amúgy e két értékből már kiszámolható(Google:Viscosity Index online calculator) a viszkozitási index ami ha 170 felett van akkor már API:SN a teljesítmény szint. Mert múltkor ajánlottak olyan10W40-es API:SL teljesítményű olajat aminek a 100C° viszkozitása 13,9-as ! (hígabb az Eneos 5w40nél) volt a indexe meg 156-os. Ezek az olajok annyira változtatják a sűrűségüket a hőmérsékletre hogy jobb ezeket már elkerülni. Tudom hogy régen jó volt de manapság bűn a modern szintetikus olajok előnyös tulajdonságainak nem kihasználása. Még egy öreg autóba is. Gondolom én, aztán lehet hogy rosszul
. -
nyemi
csendes tag
válasz
Magnum_
#85168
üzenetére
Opel gyáriról annyi rosszat hallottam hogy azt inkább hanyagolnám . A nyári nagy melegek miatt maradnék 40 .es meleg viszkozitásnál a hideg telek miatt meg 5W-nél (vihar sarok ). A meleg viszkozitásnál (100C°) nem akarnék 14mm²/s alá menni és ezért is kecsegtető az Eneos 5w40-es 14,3 értéke. A Mannol-nál (5w40) 13,6-ra adódik amit már hígnak gondolok . Bár autószerelő ismerősöm Mannol 7711-est nagyon dicséri. Milyen rossz tapasztalatod van az Eneos-ról ?
-
nyemi
csendes tag
válasz
molnarpeter
#85158
üzenetére
Négy évszakost 175/70 R13 82T-ban már nehezen találok. Most dilemmázok, hogy nyárit vagy télit egész évre? Azért Köszönöm.
-
nyemi
csendes tag
válasz
Markizmark
#85142
üzenetére
Szia vebbful. Elnézést hogy zavarlak de úgy látom régóta F Astra-t hajtasz. Az év elején sikerült vennem egy 97-es 12 havi nautilus blue színű 1,4-es 8 szelepes ferde hátú Opel F Astra-t , 57 ezer kilométerrel. Ha megkérhetnélek adnál egy pár tanácsot. Például ,hogy lehetne megőrizni a rozsda mentességét , ezért milyen kiegészítőket ajánlasz hozzá ? Tapasztalatod szerint milyen olajat és szűrőt használjak? Télen nem nagyon szeretném használni (de azért fogom )ezért téli-nyári gumit nem akarom váltogatni. Szóval szerinted milyen gumiabroncsot vegyek rá (Kumho Power Star van most rajta, jó régiek
)? Meg még úgy általánosságban mire kell még, hogy figyeljek. Választ előre is köszönöm .
Új hozzászólás Aktív témák
- Samsung Galaxy S23 Ultra - non plus ultra
- AMD Ryzen 9 / 7 / 5 / 3 5***(X) "Zen 3" (AM4)
- Akciófigyelő: Jelentős kedvezményekkel veheted meg a Xiaomi 17-eket
- Horgász topik
- AMD K6-III, és minden ami RETRO - Oldschool tuning
- Energiaital topic
- Felfedte a Xeon 600 sorozat sötét titkait az Intel
- Sokkal jobb ajánlat lett elődjénél az iPhone 17e
- NVIDIA GeForce RTX 5080 / 5090 (GB203 / 202)
- PayPal
- További aktív témák...
- Eladó egy teljesen új Dahua kamera rendszer szett 9 kamera és rögzítő egység
- Tado V3+ komplett okosotthon fűtés eladó
- 2 kazános Jura Z5 V2 automata kávéfőző beépített profi cappuccino fejjel
- iKEA Trotten állítható magasságú asztal 120x70
- Philips EP5441/50 automata kávéfőző - Patika állapot - Philips garancia 2027.03.19.
- GYÖNYÖRŰ iPhone 12 mini 64GB Purple -1 ÉV GARANCIA - Kártyafüggetlen, MS3851
- Gamer billentyűzetek /Akko/Monsgeek/Asus/SteelSeries/Das Keyboard/Ozone/Deltaco/DE/EN/UK/Számlával!/
- REFURBISHED és ÚJ - DELL Thunderbolt Dock WD22TB4 (210-BDTD)
- Samsung Galaxy Book PRO 2 /i7-1260P/16GB/512SSD/AMOLED/13.3/Intel Iris Xe/Gari
- Apple iPhone 17 Pro Max 256GB Deep Blue használt, újszerű 100% akku (0 ciklus) 12 hónap gar
Állásajánlatok
Cég: Laptopműhely Bt.
Város: Budapest

) . 
)
. Rá térve a hibára csak azért gondoltam ,hogy az mert a fojtószelep érzékelő egy elektromechanikus eszköz ami kezdeti kopását nagyon nehéz észre venni. Gondolj bele a régi rádiók hangerő szabályzójába a tekerésekor jelentkező recsegésre. A nedvesség vagy esetleg a pára bejutása meg még palástolja is a hibát ideig óráig (mint egy kontakt spray). Amúgy ezek az autók nagyon egyszerű menedzsment elektronikával rendelkeznek. De a tanulási eljárás itt is meg van , ezért egy pár száz kilométer után lesz majd tökéletes.
130 ezer kilométer után(?). Én most cseréltem a 97-es ASTRA -F13-as váltójában (1 tulajos) győnyőrű piros volt . Sokkal könnyet lett a váltás és csendesebb is.
.


.
"
