-
Fototrend
Renault, topik összefoglaló
Új hozzászólás Aktív témák
-
honeker
őstag
válasz
AMD Power
#17889
üzenetére
2004 vetem 2000évj Swiftet 1,3 mentem vele 160 ezret a kötelező cseréken nem csináltam rajta semmit még a fék eredeti 2009 vetem kangoot 1,4 2000évj mentem vele 65 ezret kuplung. futómű. vízjel adó. felsöholtpont adó izzok 1/2 évente szóval mindig van ami nem passzol....a Suzuki is megvan még a gyerekek hajtsák és még mindig bírja
-
honeker
őstag
sok érdekesség tapasztalat le van itt is írva www.renaultclub.hu/forum/index.php
-
honeker
őstag
én nem vagyok erő szakos csak 30 év tapasztalata van mögöttem !....ugye azt írtad ha rá adod a gyújtás minden van....indítasz és el tűnik minden.......multi méterrel mérted az aku kivezetésen de ha a sarunál is meg mérted volna nyugodtan mehettél a nyuszi lányokhoz ............
-
honeker
őstag
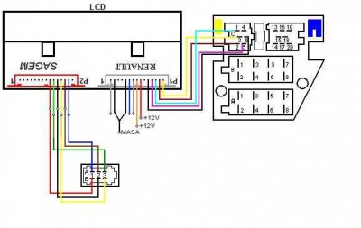
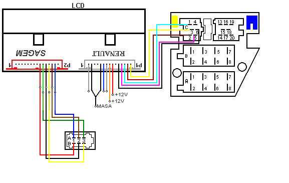
heló 99 kango-hoz keresnék kapcsolási rajzot.....ha tudtok segítsétek...

-
honeker
őstag
a váltó 5. sebesség módosulása után a fogyasztás jobb lett 1,4 8v 460km-25 l benzin egy kango-nak nem rossz nem volt a klíma használva

-
honeker
őstag
-
honeker
őstag
jó reggelt mindenkinek......2000 évj kangoba szeretném a fej egységet ki cserélni update list mp3 lejátszora a rádiot már meg vettem de nem működik se a ki jelző sem a távvezélö mit kell cserélnem hogy jó legyen....?
Új hozzászólás Aktív témák
- BESZÁMÍTÁS! MSI B450 R5 5600X 16GB DDR4 512GB SSD RTX 2070 Super 8GB Rampage SHIVA Adata 600W
- Dell Precision 7550 i7-10850H 32GB 1TB Nvidia RTX3000 6GB 1 év garancia
- LG 34GX90SA - 34" Ívelt Smart OLED / QHD 2K / 240Hz & 0.03ms / 1300 Nits / NVIDIA G-Sync / FreeSync
- Samsung Galaxy Z Fold6 12/256GB Silver Shadow használt, karcmentes 6 hónap garancia
- HIBÁTLAN iPhone 11 64GB White-1 ÉV GARANCIA - Kártyafüggetlen, MS4389, 100% Akksi
Állásajánlatok
Cég: Laptopműhely Bt.
Város: Budapest

a szűrőben levő "papír" a fildgard Egerben is gyártsák , gyárt szűrő papírt a göbinek is ők szálityák


hogy ha a valamelyik fázis ki esik a kor nem alszik el tejesen csak parázslik ha szabályzó a kor szokót olyat csinálni a fordulat növekedésével erősödik a fénye, de hogy világit és tölt is olyannal nem találkoztam a töltő feszültség 14,5 v



a be kötést amit fel raktál az is benne van de nem jó hozzá