-
Fototrend
Gitáros topic ♪♫ eddig összegyűjtött tapasztalataink → itt.
(gitár-, erősítő-, effekt- és húrválasztásról, hangkártyákról)
Új hozzászólás Aktív témák
-
Goose-T
veterán
válasz
FockeWulf
#48197
üzenetére
A Boss cuccok általában túlárazottak, de a csúcs a rossz ár-érték arányban szerintem a Katana Air. Volt nálam egy ilyen pár napig, és lehet hogy tud pár jó dolgot, de a hangzása elég középszerű. Értelmes drive és distortion hangot nem tudtam kiszedni belőle, a tisztája elment, de például sehol nem volt a Cube 15X-emhez. Próbáltam bluetoothos zenelejátszóként is, de bármelyik 20-30 ezer forintos kínai bt hangdoboz leszólja. Mindezek mellé még kopogós műanyag az egész. Mindez 200 ezer forintért.
-
FockeWulf
tag
válasz
Ctrl+Alt~Del
#48193
üzenetére
A katana tisztái nagyon szépek, a torz csatik meg igencsak műanyag, olyan "fosdigitális" hangzásúak. Nem mondom hogy rossz, de van akinek pont az nem tetszik. Szóval előtte próbáld ki azért alaposan a csatikat. Meg úgy mindent rajta....
-
válasz
Ctrl+Alt~Del
#48194
üzenetére
Ha a saját gitároddal ki tudod próbálni és tetszik, az a lényeg. Ezek nélkül viszont nagyon lutri.
-
Moleman
addikt
Egy akusztik kérdésem lenne azokhoz, akik jobban ismerik a gitár szerkezetét: tud ártani egy szűk tok a gitárnak?
Szereztem egy nagyon jó minőségű klasszikus tokot, hosszra simán bele is fér a Samick OM-7, de kicsit vastagabb a test, küzdeni kell vele, hogy be tudjam cipzározni. Ettől a folyamatos feszüléstől lehet baja a testnek, vagy legfeljebb csak a tok varrásai nyúlhatnak meg idővel?


Hurcolni nem nagyon szoktam a gitárokat, de folyamatosan tokban tárolom őket állítva.
-
bigrob
őstag
válasz
Ctrl+Alt~Del
#48188
üzenetére
Az MG széria Marshalléknál a legalja szar (no offense), úgyhogy simán elképzelhető az amit mondok.
A Line6 Spiderem is konkrétan így működött. -
válasz
Ctrl+Alt~Del
#48184
üzenetére
100-asom volt. Az tetszett, csak rámtört a kipróbálhatnék és azóta vagy 15 kombót kipróbáltam. Most egy kis ismeretlenebb csövesem van, 100 ezer volt használtan. És ez egy másik dimenzió! Imádom! Tuti nem cserélném le erre az 50-esre

-
Ctrl+Alt~Del
őstag
válasz
Moleman
#48186
üzenetére
Jó rég lehetett.
Az árak elszálltak, én a Marshallt is 75-ért vettem decemberben, most már 95 ugyanaz.
Minden annyit ér, amennyiért megveszik. Mivel nem csak ennek ment fel az ára, hanem az összesnek, akkor elmondhatjuk, hogy egy kombó sem ér most annyit, amennyibe kerül.
-
Moleman
addikt
Jesszus. Mikor utoljára néztem, 60-65 ezerért mentek ezek, 130-ból 100 wattost kaptam volna nagy pedálboarddal együtt.
Ez nagyon durva, minden több mint a duplájába kerül, mint mikor én bevásároltam.
De legalább jó befektetés volt. 
Élőben sose próbáltam, de szerintem jó cucc, ennyit viszont szerintem sem ér.

-
bigrob
őstag
válasz
Ctrl+Alt~Del
#48181
üzenetére
De, az alap, előre beprogramozott programok amire visszaáll még ha reseteled is.
-
válasz
Ctrl+Alt~Del
#48181
üzenetére
Az kra nem ér annyit.
-
Ctrl+Alt~Del
őstag
válasz
Ctrl+Alt~Del
#48181
üzenetére
Nem ezt akartam mondani. Nincs felprogramozva semmi, a user tudja elmenteni rá a beállításait, alapból nincs semmi rátéve. Illetve, mindegyik csatornán ugyanezt csinálja, nem csak egyen.
Már vissza is csomagoltam, holnap megy vissza.
-
bigrob
őstag
válasz
Ctrl+Alt~Del
#48179
üzenetére
Szerintem az lesz mint amit már elmondtak a többiek is.
Előre beprogramozott csatornák amik tartalmazzák a torzítást, hangerőt, effektek(?)et és ha váltasz oda vissza te hiába tekered le felmászik.
Személy szerint elengedném ezt a Marshall kombót és valami ajánlottra cserélném, Katana és társai.
Nálam pl egy Joyo Zombie van 8"-os Orange kis ládával, nincsenek effektek, de bedugod oszt megy.
Igaz van egy noise gatem meg egy od808 kopi pedálom amit én azért elé szoktam kötni. -
Ctrl+Alt~Del
őstag
Na, ma a mezzoban kicserélték a Marshall kombót. Hazahoztam, be is röffentettem, és pont ugyanazt csinálja a volume poti. Nulla hangerő utáni visszahangosításkor szarul szól, csatornaváltáskor ugyanazon a hangerőn meg hangosan.
Nagyon meglepődnék, ha ez by default így működne. Annak viszont elég kicsi az esélye, hogy két egymást követő darab fél év kihagyással pont ugyanúgy szar lenne.
Ilyenkor mi van?
-
arnyekxxx
veterán
válasz
Ctrl+Alt~Del
#48176
üzenetére
Jópár nem kispályás használta, E.V.H. Gary Moore, Jake E. Lee, R. Samboran stb...
Meg persze a Charvelből nőtt ki a Jackson a Randy Rhoads model kifejlesztésekor.
-
Moleman
addikt
válasz
Ctrl+Alt~Del
#48176
üzenetére
Próbáld ki, hátha kiszeretsz belőle!

Sokáig szerelmes voltam a Charvelbe, de aztán kipróbáltam egyet, és nem találtam kényelmesnek, pedig a superstratok állnak hozzám a legközelebb.
-
Ctrl+Alt~Del
őstag
válasz
NeoPampalini
#48175
üzenetére
Igen, vágom, köszi..
De szenvedek vele. :-D
Más: Ma is egy új márkával ismerkedtem meg: Charvel.
-
NeoPampalini
senior tag
válasz
Ctrl+Alt~Del
#48173
üzenetére
HELYILEG ugyanoda eső hangról van szó, de zeneelméletileg nem ugyanazt jelenti (lsd. még enharmónia).
C-hez képest a Cisz értelmezhetetlen kis szekundként, mert C-hez képest a MÁSODIK hang az (valamilyen) D kell, hogy legyen, azaz a C-nek a kis szekundja az Desz lesz.
(Csak zárójelben: ennek okán a Cisz a Hisz-nek lesz kis szekundja.)
C-hez képest egy TERC, azaz HARMADIK hang NEM LEHET (valamilyen) D, mert a D az SZEKUND. Terc az (valamilyen) E lesz.
Remélem, követhetően írtam le.
Nem olyan egyszerű ez elsőre, én is átmentem ugyanezen anno.
-
cucka
addikt
válasz
Ctrl+Alt~Del
#48173
üzenetére
Technikailag ugyanaz a hang, ugyanaz a frekvencia.
Zeneileg viszont nem mindegy, hogy cisz vagy desz. Minden skálában az ABCDEFG betűk szerepelnek. Az hogy milyen hangnemről/skáláról beszélünk, azt az dönti el, hogy ezek közül melyiket merre módosítod.
Szóval annak nincs értelme zeneileg, ha egy skálában C és Cisz hang is legyen, helyette C és Desz.
-
Ctrl+Alt~Del
őstag
válasz
NeoPampalini
#48172
üzenetére
k2 - C - Desz=Cisz
A Cisz meg a Desz az ugyanaz a hang, csak a viszonyítási alap más. D-től félhanggal alacsonyabb, vagy a C-től fél hanggal magasabb.
Hasonlóképp, k3 - C - Esz = Disz, a D-től egy kis szekunddal magasabb hang (ami E-től kis szekunddal alacsonyabb)
Vagy nem?
-
NeoPampalini
senior tag
válasz
Ctrl+Alt~Del
#48159
üzenetére
t1 - tiszta prím pl: C - C
k2 - kis szekund C - Cisz
n2 - nagy szekund C - D
k3 - kis terc C- Disz?
n3 - nagy terc. C-E?Öööö... Nem véletlenül "szekund", "terc", satöbbi, az akárhanyadik (!) hangot nézzük. Szekundnál, ha C az alaphang, NEM LEHET Cisz a szekund.
Ergo:
t1 - tiszta prím pl: C - C
k2 - kis szekund C - Desz (kis MÁSODIK)
n2 - nagy szekund C - D (nagy MÁSODIK)
k3 - kis terc C- Esz (kis HARMADIK)
n3 - nagy terc. C-E (nagy HARMADIK)...ugyanígy tovább kvart, kvint, szext, szeptim.
-
Moleman
addikt
válasz
Ctrl+Alt~Del
#48170
üzenetére
Hivatalosan nem tudom, sose tanítottak előírásszerűen.

Nekem személy szerint átláthatóbb félhangokban gondolkodni, mivel a gitár bundjai is félhangonként vannak.
-
Ctrl+Alt~Del
őstag
válasz
Moleman
#48167
üzenetére
Akkor hivatalosan ezt félhangokban érdemes megtanulni?
A szolfézs könyv szerint mondjuk a kvint az három nagy szekund meg egy kis szekund (3 N2+k2).
A kvart meg két nagy szekund meg egy kicsi (2 N2+k2).
Tudom, ez félhangokban is megjegyezhető, csak a kérdés, hogy érdemes megtanulni inkább.

-
arnyekxxx
veterán
válasz
Ctrl+Alt~Del
#48168
üzenetére
ne sírd el magad, egész életművet meg lehet írni anélkül, hogy kiejtenéd a szádon a tritónusz szeptim szavakat
-
Moleman
addikt
válasz
Ctrl+Alt~Del
#48164
üzenetére
5 félhang a kvart. A szóbeli elnevezések nem a félhangtávolságokat jelölik, hanem hogy a skála hanyadik hangja - avagy C dúr skálánál hanyadik fehér billentyű a zongorán, ha úgy könnyebb megjegyezni.
1 félhang - kisszekund
2 félhang - nagyszekund
3 félhang - kisterc
4 félhang - nagyterc
5 félhang - kvart
6 félhang - tritónusz
7 félhang - kvint
8 félhang - kisszext
9 félhang - nagyszext
10 félhang - kisszeptim
11 félhang - nagyszeptim
12 félhang - oktáv -
consono
nagyúr
válasz
Ctrl+Alt~Del
#48165
üzenetére
Nem bonyolultabb, csak rá kell jönni
Amugy a gitár hangolása pont azért lett olyan amilyen, hogy azzal a négy ujjal, amit tudsz használni minél több akkotdot le lehessen fogni az első fekvésben... -
Ctrl+Alt~Del
őstag
Na most rájöttem egy fontos dologra, és én ennek az ellenkezőjét hittem. Az akkordoknál az akkord hangjai nem CSAK azok, amiket lefogsz, hanem az üres húrok is.
Ha nézzük például a C-t, én azt hittem, hogy a C E G a lefogott hangok, közben nem, mert pl a G az akkordban pont az üres húr. És a lefogott húrok benne pedig csak C - E - C.
Mindez persze csak azért van, hogy még bonyolultabb legyen. :-D
-
Ctrl+Alt~Del
őstag
válasz
Goose-T
#48163
üzenetére
Gyakorolnom kell még ezt a számolást, és tényleg.
G A B C
G és A között két félhang, A és B között szintén, B és C között egy félhang. Azaz, C a G-től 5 félhangra van, akkor az 5 miatt a kvint?
Na, ezt mondom. A tanár megtaníttatta velem a hangközöket, de nem néztünk rá példákat, nem számoltatta ki velem ezeket, így írott malaszt maradt. Hát ezért nem is megy.
-
Goose-T
veterán
válasz
Ctrl+Alt~Del
#48162
üzenetére
Nem, a C a G fölött van egy kvarttal (vagy alatta egy kvinttel, attól függ, honnan nézzük).
-
consono
nagyúr
válasz
chaosmonger
#48149
üzenetére
Haverom is így tanult meg gitározni, balkezesként nem húrozta át. Így legalább bárkinek a gitárját tudott játszani

-
Moleman
addikt
válasz
Ctrl+Alt~Del
#48159
üzenetére
Igen, a kisterc 3 félhang, a nagyterc 4 félhang távolság.
A B-kkel és Bb-kkel óvatosan kell bánni, a magyar B az angol Bb, a magyar H az angol B. Tehát a G kisterce a B (angol Bb), nagyterce a H (angol B).
-
Ctrl+Alt~Del
őstag
Help please.
t1 - tiszta prím pl: C - C
k2 - kis szekund C - Cisz
n2 - nagy szekund C - D
k3 - kis terc C- Disz?
n3 - nagy terc. C-E?A kis terc az másfél hangközt jelent, a nagy meg két teljes hangot? Tehát mondjuk a G-nek a kis terce a B a nagy meg a C?
-
arnyekxxx
veterán
válasz
Ctrl+Alt~Del
#48157
üzenetére
Ezért érdemes a minimális zeneelméleti alapokat tudni.
egyébként ha nem jót penget akkor tudni fogod, hogy rossz mert szarul szól. Ez a zenében egy elég egyértelmű jelzése a rossznak
persze a fület be lehet csapni pl megszokással, féloff, előszedtünk egy 20éves dalomat hogy koncerképessé tegyük, az eredeti midi szintisávokat elvitte az idő vasfoga vagy egy elromlott floppy szóval leültem fülessel az eredetinek és nekiálltam leszedni a szintiszólamokat és újra beirni gépbe. Az egyik részél már majd kifolyt a fülem de nem értettem mit játszottam fel anno mert értelmes hangközökből az istennek nem akart összeállni, kiderült hogy simán rájátszottam egy kisszekundot a témára - konyhanyelven egy fél hanggal mellé szólt egy hang, de akkor ez úgy elsikadt, a studioban se kérdezett rá a Töfi, hogy ezt komolyan-e gondoltuk, azóta is úgy van a lemezen és fel se tűnik pedig tök szar értelmezhetetlen valami ha direkt azt figyelem
-
Moleman
addikt
válasz
Ctrl+Alt~Del
#48153
üzenetére
A G dúr attól G dúr, amilyen hangok vannak benne, G-D-B. Attól, hogy D a legmélyebb hang, még G dúr marad, csak a G dúr első fordítása (first inversion), vagy G/D (G dúr D basszushanggal).
-
Ctrl+Alt~Del
őstag
válasz
arnyekxxx
#48146
üzenetére
Na ezt nem értem.
A G akkord attól G, ha jól tudom, hogy a basszushangja egy G hang. Ha nem Nem fogja le a két vastag húrt, akkor a legmélyebb hang egy üres E lesz. Akkor az mitől G akkord?
szerk
oké, a két vastag húr néma. De akkor a D a legmélyebb hang, az mitől lesz G akkord?
-
Ctrl+Alt~Del
őstag
válasz
chaosmonger
#48149
üzenetére
Olyan szép dallamos hangja van az énekesnek, imádom!

Biluxolt a szemem, te ezt hogy vetted észre? Nekem fel sem tűnt volna, és ha nem mondod, azt gondolom normálisan tartja a gitárt. :-D
-
espista
senior tag
válasz
chaosmonger
#48149
üzenetére
Eric Gales is így gitárzik.
-
válasz
chaosmonger
#48149
üzenetére
Így legalább neki félig fent van a fent és lent a lent

-
chaosmonger
tag
Nézzétek az Orthodox nevű banda gitárosa milyen unortodox módon tartja a gitárt. Először csak az tűnt fel, hogy milyen hülyén áll a heveder, de ki lehet szúrni hogy ez egy jobbkezes gitár átforgatva, de úgy ahogy kijön a dobozból, tehát a mély húrok vannak neki alul.
Aztán azt gondoltam hogy biztos csak a klip kedvéért tartja így poénból, de megnéztem pár koncertfelvételt és a fickó tényleg így játszik rajta.
Gondolom ő sem tanárral kezdett gitározni
-
Moleman
addikt
válasz
lacibattya
#48144
üzenetére
A hársfa még lágyabb faanyag mint a fenyő.

#48145 Ctrl+Alt~Del
Így van, ahogy a fehérnyúl kolléga is írja. Bárhol szólal meg a gitáron a G-B-D hármashangzat, bármilyen sorrendben, bármelyik húrokon, bármilyen fogással, az egy G dúr lesz. Extrém példa:
G 12. bund=G, B üresen B, E 10. bund=D, kész is a G dúr.
-
arnyekxxx
veterán
válasz
Ctrl+Alt~Del
#48145
üzenetére
attól, hogy G dúr akkord alsó két hangját nem fogja le és pengeti meg még G marad. Ugyanazok a hangok vannak benne csak a G és B alsó oktávja nem szól csak a felsők.
-
lacibattya
csendes tag
válasz
Goose-T
#48137
üzenetére
A valódi segítségért csak virtuális sört tudok küldeni
,de nagyon köszönöm!A fészek kicsi volt a hangszedőnek azért állt furán mert feszült.Megfaragtam,nem mondom hogy tüzifa,de elég gyenge(mintha fenyőből volna
)
Naná hogy fordítva kötöttem a kapcsolóra nem volt szivem ujra forrasztani hát megfordítottam a kacsolót.De szól felezve is jó hangja van persze az új húrok is dobnak rajta.Szép is 16 gurigát megért-e?Talán,de már így marad!
-
lacibattya
csendes tag
válasz
Ctrl+Alt~Del
#48141
üzenetére
De jó!Én meg fojt -föl-le-föl lel pengettem éreztem hogy szar csak nem tudtam miért
Megérte felkeni ma! -
Moleman
addikt
válasz
Ctrl+Alt~Del
#48141
üzenetére
Zseniális ez a zene, már a leírásodból hallottam a fejemben, hogy ez lesz.

-
Ctrl+Alt~Del
őstag
Ez a nóta borzolja az idegeimet.
Ez most a házi feladat. Az F akkor nem véletlenül F, aki ezt kitalálta, annak tényleg f•ck.
Meg ez a pengetés is, felfelével kezdődik, fel-le-fel, fel-le-fel.
Grrrr de utálom.
-
Goose-T
veterán
válasz
lacibattya
#48138
üzenetére
Inkább a kerettel párhuzamosan illene állnia, talán felfeküdt valamire. Szivacsdarabkákkal kiékelheted alulról, hogy rendesen álljon.
-
Goose-T
veterán
válasz
lacibattya
#48136
üzenetére
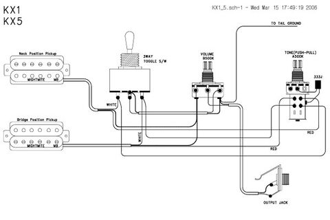
Na, nekem is volt KX5-öm, feltételezem, hogy annak a gyári pickupjait szándékozod lecserélni. Bár már nem emlékszem, mi volt az ábra az én KX5-ömmel, amikor kiszedtem a pickupokat belőle, de találtam egy jó kapcsolási rajzot az eredeti elektronikájáról:
Az a lényeg, hogy ahova most a piros vezeték van kötve, annak a helyére kell forrasztani a piros-fehér összekötött vezetéket, mert az a két tekercs közötti összekötő, és ha rá van kötve a push-pull-ra, akkor az új pickupot is felezni fogja. Ahova a fehér van most kötve, oda kell majd kötni az új pickup zöld vezetékét, ahova pedig a fekete, oda továbbra is a feketét. Az új pickup fekete vezetéke a termékképek tanulsága szerint a testtel összekötött vezeték, azaz össze van kötve a külön szigetelés nélküli dróttal.
Ha mégis a zöld lenne összekötve a meztelen dróttal az ábrával ellentétben, akkor a zöld kell a régi fekete helyére, és a fekete a régi fehér helyére. Offba teszem, nehogy megvezessen, nagy valószínűséggel jó lesz úgy, ahogy az előző bekezdésben leírtam.
-
Goose-T
veterán
válasz
Moleman
#48131
üzenetére
Jaja, igazából az a lényeg, hogy a China Post Registered Airmailt el kell kerülni, mert az bevonja a Magyar Postát, és akkor biztos megsarcolják. Nincs már túszul ejtés 150 EUR érték alatt, de a párszáz forint vámkezelési költséget minden kínai csomagon bevasalják.
Egyébként innen rendeltem "OEM" dáridó 10-52-es húrkészleteket (csak ez van, másfajta nincs). Ez tegnap érkezett, még nem próbáltam ki, árban teljesen jó, és a boltot ismerve simán lehet, hogy eredeti. Valószínűleg az lehet mögötte, hogy a Kínában gyártott gitárokhoz kapják a gitárgyárak ilyen OEM csomagolásban, hogy azzal húrozzák fel a gyárban a készülő gityókat, aztán pár csomag mindig leesik a kamionról.
Sőt, szerintem a többi terméke is ilyen bizniszekből származik ennek az eladónak. -
válasz
lacibattya
#48130
üzenetére
Pedig a Zebra az igazi!
Najó nem, gitárja válogatja, egy 335-ben pl én is szívesebben látok fedettet.
-
Moleman
addikt
válasz
Goose-T
#48128
üzenetére
Menő! A pickupokig még azóta sem jutottam el, most a hazai húráraktól dobta le az agyam az ékszíjat, aztán szembejött ez a bolt, kamu kínai dáridókkal. 1000 ft körül egy próbát megérnek.
Még mindig az Ali Saver Shippinget kell választani, hogy ne ejtsék túszul a vámon, ugye?Mázlim volt, hogy régen berendeltem sokmindent, amire akkor még szükségem sem volt, 5 éve 759 forintért vettem a 12 húros Alice húrkészletet, most 2000+ lenne. Itthon a dáridó meg valami 6500.

-
Goose-T
veterán
Vettem egy ilyet, mert akciós volt, 60$ helyett csak 42$ (mondjuk ez is méregdrága egy kínai pickupért), ma hozta a futár.
A speckói alapján egyértelműen a Seymour Duncan SH4 koppintása akar lenni (16,6kΩ DC ellenállás, alnico mágnes, nikkel alaplap). Van itthon egy igazi SH4 is, szóval lesz némi összehasonlítási alapom. Az olcsóbbik Ibanezembe rakom be, ami hosszú menzúrás (25,5") és kőrisből van, az SH4 pedig egy rövid menzúrás (24,75") mahagóni Harley Benton CST-24-ben van, szóval a karakterük biztos nem lesz ugyanolyan, de azért a hang részletességét meg tudom ítélni ilyen összehasonlítással is. Na meg össze tudom hasonlítani a Donlis SH4-koppintásával is, mert az van most az Ibanezben.
-
jmarcell
csendes tag
válasz
FockeWulf
#48125
üzenetére
Hát, igen, valami hasonló az öreg, meg szerintem a felesége szokott lenni a kasszában, elég családiasnak tűnnek. Tavaly amikor voltam náluk, akkor vittem mit szeretnék, az se baj, ha csak hasonló, legfeljebb viszek belőle hármat és minden sapkát cserélek. A végén majdnem ott tartottunk, hogy miért nem elég nekem kettő, teljesen másfajta.
Összességében évente egyszer bemegyek húrt venni kb., ha meg vagyok nagyon szorulva és más nem kell éppen, szóval rendelni nem érné meg. Valószínűleg nem éri meg nekik nagyértékű dolgokat tartani, főleg, hogy baromi nagy a választék már globálisan, a forgalmuk meg alapvetően nem túl nagy lehet.
Egy ismerős akart zongorát venni és kiderült, hogy a másik helyi boltban tokkal vonóval 10-15%-kal volt olcsóbb, mint emitt, tehát az ember lassan csak megszokásból megy hozzájuk…
Egyébiránt 2006 körül, mikor kis szarosként megvettem az első klasszikus gitárom, akkor volt egy fekete Flying V a falon, nagyjából 200 fölötti tétel volt ez akkor, könnyen lehet, hogy Gibson volt. Még évekkel később is találkoztam vele a falon. Első látásra nagy szerelem volt, mondom majd gyűjtök rá és ilyenem lesz, szerencsére nem lett, mert azon meg ülve művészet játszani.
-
FockeWulf
tag
válasz
jmarcell
#48123
üzenetére
Régen voltam már, mert az az öreg fószer (talán a tulaj) valami hihetetlen egy mesefigura....ott is kb bocsánatot kell előbb kérni, és csak utána mondhatod esetleg h mit szeretnél
Én ott magasabb kategóriás gitárt mondhatni soha nem láttam, náluk kb a Cort a teteje a gitárkínálatnak...ezért is kaptam fel a fejem hogy a Csermáknál Gibson!!!???? Még Epiphone-t se láttam ott, nemhogy Gibsont....de persze nincs kizárva, csak az nagyon furcsa lenne.... -
Ragnar_
addikt
válasz
Ctrl+Alt~Del
#48119
üzenetére
Nekem ha állva kellett játszani, mondjuk mostanában vizonylag soha, mindig tüdőn volt a gitár
nekem úgy volt kényelmes. Mondjuk nem teljesen, de viszonylag magasan. -
Moleman
addikt
válasz
Ctrl+Alt~Del
#48119
üzenetére
Ha nem akarsz még a közeljövőben színpadra állni, egyelőre maradhatsz ülve.

Én is csak sok év után, kényszerből tanultam meg állva játszani, mikor fellépésre készültünk, amúgy a zenekari próbákon is ülni szoktam (vagy egy kanapén fetrengek
).Amúgy nekem az segít, ha rövid pórázon hordom a gitárt. Aránylag magas vagyok, de csak 112 centis pánttal játszom (furatközéptől furatközépig).
Egy idő után már nem kell majd látni, hogy mit játszol, csak a csuklód visszahajlása lesz a szűk keresztmetszet. -
arnyekxxx
veterán
válasz
Ctrl+Alt~Del
#48119
üzenetére
Hát ez ilyen, meg kell így is tanulni. Minél lentebb engeded annál másabb minden fogás. Tökig lelógatva kb egy másik hangszer.
-
Ctrl+Alt~Del
őstag
Nekem megint elment a kedvem a gitározástól. Miután szépen lepucoltam, húrtisztítóval leápoltam, gondoltam a nyakamba akasztom, és kicsit pengetek.
Hát, teljes katasztrófa.
Még azt a keveset se tudtam eljátszani, amit tudok. Ez egy teljesen más műfaj, állva játszani. Másképp áll, nem látom a fogólapot, állandóan félrefogtam, félrepengettem, nem érzem a húrtávolságot jobb kézzel, el nem tudom képzelni, hogy a viharban lehet állva játszani kis Metallicát. 
Nem tudom milyen szögben legyen a gitár, milyen magasan, próbáltam így is úgy is...Nem látom a húrokat, hogy a viharban lehet így játszani? :-D
-
Moleman
addikt
válasz
Nunder
#48116
üzenetére
Nekem is nagyon régi vágyam volt, már 18 éve is próbálgattam őket a hangszerboltokban, nagyon megfogott a játékérzet, hogy egyszerre 2 húr van az ujjam alatt, teljesen más élmény.
Érdemes kipróbálni.Az utóbbi 6 évben folyamatosan nézegettem a használt kínálatot, ki is próbáltam többet, de mind olcsó volt és nagyon rossz, vagy drága és kicsit rossz, többet viszont nem szántam rá. Ezt végül Graz mellől sikerült elhozni, de benzinpénzzel együtt is megérte.

-
-
Moleman
addikt
+1, velem is gecik voltak ~14 éve.
Egyszer bementem kérdezni valamit, pont nálam volt a gitárom, mondták hogy hadd nézzék meg. Megmutattam, eh, de öreg húrok vannak rajta, nézzedmár, és már csattintotta is az oldalcsípőfogót, és kérés/kérdés nélkül felhúzott rá valami GHS húrt, nézd mennyivel jobb. Aztán persze kifizettették a teljes húrkészletet, brutálszar hangja volt, alig vártam, hogy lecserélhessem pár év múlva (csóró voltam, nem engedhettem meg magamnak, hogy új húrkészletet ledobáljak). -
Ctrl+Alt~Del
őstag
Tegnap megtanultam valami spider izét.
Ujjtechnikai gyakorlat. Ki akarok alakítani valami napi gyakorló rutint, amiben ilyen technikás cuccok vannak. Amikkel már próbálkoztam, az a kromatikus skála, most a pók, a C-dúr skála meg egy alap pentaton skála.
A cél az lenne, hogy metronómmal valami lassú tempóban ezeket gyakoroljam, így ügyesítve az ujjaimat.
Van erre valami bevált feladatsor, vagy mindenkinek meg kell találni a magának valót?
-
Ragnar_
addikt
Igaz, de attól még teljesítmény.
-
Ragnar_
addikt
válasz
jmarcell
#48097
üzenetére
Abban biztos vagyok, hogy nem metronómmal gyakorolják, többet nem tudok segíteni.
Kezdésnek viszont az éneksávot ajánlom elsajátítani, utána a többi már adja magát, de ez csak tipp... Én biztos így kezdeném. 
Mily csodálatos, hogy kis túlzással a Walk-ban, a Broken Man-ben és a Roots Bloody Roots-ban, meg egy egész RATM albumon összesen nincs ennyi hang, mint itt 6 percben..Én egyszerűen elengedtem. Szerintem az is megoldás.
Azért a DT nem véletlenül korunk egyik legkiemelkedőbb progrock/metal együttese, részemről komolyzene szint. A Liquid Tension Experiment se az a 'felkapom a gitárt és letolom az albumot' típusú zene.
Új hozzászólás Aktív témák
- Alpenföhn Ben Nevis processzorhűtő
- Eladó konfig! I9-14900K 2TB SSD 32GB DDR5 RTX5070 12GB!
- Szép! Lenovo ThinkPad P15 G2 Tervező Vágó Laptop -75% 15,6" i7-11850H 32/512 A3000 4GB /1,5 Millió/
- !AKCIÓ! GAMER PC Intel Core i9-10900X/ASUS ROG Strix X299-E Gaming/NVIDIA GeForce RTX 3080/32 GB RAM
- Rockrider Race 940 S
- Apple iPhone 11 Pro Max 64GB,Átlagos,Adatkabel,12 hónap garanciával
- GYÖNYÖRŰ iPhone 14 Pro Max 256GB Space Black - 1 ÉV GARANCIA, Kártyafüggetlen,MS3489
- Apple iPhone 14 128GB, Kártyafüggetlen, 1 Év Garanciával
- Apple iPhone 15 Pro Max - Blue Titanium - 256GB - Akku: 84% - Megkímélt állapot!
- Xiaomi 14T Pro 512GB, Kártyafüggetlen, 1 Év Garanciával
Állásajánlatok
Cég: PCMENTOR SZERVIZ KFT.
Város: Budapest
Cég: Laptopszaki Kft.
Város: Budapest


De legalább jó befektetés volt. 





