Új hozzászólás Aktív témák
-
biker
nagyúr
Gondolkozok, hogy ismét szétkapni, és mégis új padeket tenni rá.
EVGA honlapon más méretek vannak léghűtőre mint vízre, bár elvileg azokat használom ami rajta volt a vízhűtőn.
Kérdés, mindenhova 2.25mm-t ír, de 2 és 2.5mm kapható, akkor 2.5mm igaz?
Másik, egyes forrásokban említenek a tekercsekre is 0.75mm-t, de ilyen nem is volt se a gyári leírásban, se az eszközön. megéri ezekre is ha van másik oldalon felfekvő felület?
A backplate-en volt pad a kártyámon, ami már nem gyári, amikor az előző tulaj pasztázta, akkor kerülhettek rá. -
biker
nagyúr
Hello hello
Megvettem végül a hybrid kitet, kivártam a jó árat.
Szétszedéskor kiderült, hogy darabokban mállott le a kártyámról az összes pad, a "nemrég pasztáztuk újra" duma meg azt takarta, hogy ráqrtak 10dkg pasztát ami odarohadt rendesen.
Szerencsére a kit-en minden pad jó volt, ezeket így nem kellett cserélni, mert itthon csak 0.5mm meg 1mm pad volt. kb egy óra alatt letisztogattam a chipet, kapott thermal grizzly krynoaut pasztát (ez van itthon)
Több tesztet is futtattam, pontosan azokkal a beállításokkal amikkel eddig a léghűtő ment, ott a fan curve 70fok felett 100% (3000rpm) volt, 931mV 1950MHz e felett már csak 950körül ment. akkor 83fok gpu 94-95fok (+12fok) hotspot
most ugyanezekkel 58-60fok közt megáll a gpu, hotspot csak 7-8fok pluszban, memóriák 65-68fok a junction point 95-98fok néha, általában 92-94fok (de állítólag ez 110foknál kezd limitelni)
szerintetek így ránézésre jó kezdet?
(60 fokon kezd 2000rpm-en menni a gpu fan és vele a pumpa is, itt van egy pici rezonancia, a házban. ebbe a kicsi csodába alig bírtam beszerelni, minden útban volt)
-
zebra_hun
veterán
válasz
insyde5
#39293
üzenetére
Képtörés miatt ahogy írták is.
Tedd 165Hz-re és max 162-re a limitet. Igen, ezt is jól írta cj4567, ne a játékben limitálj.
Amúgy egy pl Bakkerfíldben is elég a 160 fps. Nekem...
Ismerek olyan játékost, aki 60Hz-en is pro. Fps-től nem leszünk jobbak
Ez magánvélemény. 160 fps az már álom. -
BandiT85
aktív tag
válasz
insyde5
#39289
üzenetére
Ugyanígy volt nekem is a szétmoddolt Mechwarrior 5-nél a 3600XT-vel. 40-50% Cpu kihasználtság, vga 60-70%. Vettem egy 7800X3D-t, cpu 2-5%, vga meg 99% a 3080-nal.
Lehet hogy csak 40-50%-nak látod a Cpu usage-et, de valójában kevés szálat használ a játék, és azokon bizony maxon teker, és már meg is van a cpu bottlneck.
Vegyél egy komolyabb procit. -
CJ4567
nagyúr
válasz
zebra_hun
#39292
üzenetére
Kompetitív játékokban nem hülyeség, ha több FPS-ed van, mint amit a monitor meg tud jeleníteni, az alacsonyabb input lag miatt.
Nekem az általános profilom (165Hz monitor) a 160FPS korlát, driverből bekapcsolt vsync (nagyon fontos, hogy nem a játékbeli van bekapcsolva, állítólag a driver vsync-e nem okoz input lagot bekapcsolt adaptív sync mellett, ha nem éred el a monitor maximum képfrissítését), és természetesen gsync be.
Aztán külön beállítom a kompetitív játékoknak hogy FPS limit off, vsync játék által kezelt, így mindig boldogság van
insyde5: Mert így sose éred el, vagy mész véletlen a monitor adaptív sync tartománya fölé, így nem lesz képtörés.
-
-
zebra_hun
veterán
válasz
insyde5
#39291
üzenetére
DE!
Nem csináltak rosszat
Feleslegesen kepeszt a gpu 99%-on, ha a monitor nem képes 144 fps fölé menni.
Igaz, én nem vsync-kel vágom, de stabilabb, jobb, hűvösebb, több fps a min sávban.
Érdemes korlátozni. Én 141-re vágom, de a 0.1% is 141 fps.
Persze ötlet csak, ha neked úgy a jobb... -
válasz
CJ4567
#39290
üzenetére
DE!
Feltűnt, hogy fix 144fps-t ír minden game. vsinc is be volt kapcsolva.Lehet valamelyik tesom szorakozott XD. igy már 90-99% között mozog a vga kihasználtság. Proci marad 55-57% 48-52fok.
Köszi a vsinc tippet. nem szoktam napi szinten állítgatni. Inkább kikapcsolódás nekem a pc
. -
Hali!
Kis segítséget szeretnék kérni.Nem vagyok nagy "optimézer"!
A 3080 ftw2 12GB -al működő gépem átlagos vga kihasználtsága 60-70% ot mutat a riva turnier és az nvidia experience adatai alapján is. Most épp PUBG közben Ultra felbontáson 1440p 144Hz en. 75-78 fokon a vga, 330-380W fogyasztás mellett. Ha leveszem a lowra akkor 50 fok, 43% a VGA kihasználtság.
Nem mostanába,de korábban már nézegettem szerintem akkor 99% on állt.
Mi lehet a 'hiba" ?.i5.12400
32GB ddr4 -
Sziasztok!
Vizezett 3090 aktív backplattel milyen hőmérsékleteket kéne tudnia adott fogyasztás és vízhőmérséklet mellett? Gépátépítés előtt állok és elgondolkoztam, h újrapasztázzam, padozzam. -
Találtgyerek
veterán
válasz
Találtgyerek
#39275
üzenetére
Ennyit tudott nekem stabilan a V2-es TUF. 900mV-1980Mhz. -
kzolee216
senior tag
válasz
zebra_hun
#39280
üzenetére
Visszaraktam 900mv es 1950 mhz-ra. Itt a hofokok ACC-ben olyan 90%-os terheles mellett egy 40 perces verseny alatt atlagosan 63 fokon tartotta a kartya. (Felrekacsintottam idonkent, nem lattam magasabb erteket) Igen, szerencsere annyira nem melegszik ez a kartya, pedig a szimulatorom egy 1.5mx1.7m kis helysegben van.
Egyik oldalrol nyitott azert a helyseg. -
CJ4567
nagyúr
válasz
zebra_hun
#39280
üzenetére
1440p165-öt hajt nálam is, 3070-ről váltottam. Tudtam, hogy nem egy csodahűtő az XC3, de beállítva vállalható, egy 3080 meg így is egy 3080, van benne azért erő még mindig
Nagyobb a különbség, mint amire számítottam.
A 3070-et eladva meg olcsón kijött a váltás, így számomra vállalható az, hogy nem egy olyan 3080-am van, amiből az utolsó cseppet is ki lehet hajtani
-
zebra_hun
veterán
válasz
CJ4567
#39279
üzenetére
Híjj, érthető így. A fene a fránya hőmérsékletet.
Visszagondolva az én 3080ti-m is meleg volt, de vízhűtés lett a vége. Mondjuk úgy is terveztem.
Így én teljesen elfogadom a teljesítményét, mivel 1440/165Hz, arra tökéletes.
Naja, ezt mindig elfelejtem, hogy vízzel vagyok.
Kzolee216 viszont ha léggel van, nagyon jó.
Mondjuk a sima 3080 nem olyan forrófejű mint a ti.
Van mindegyik, de a ti-t lehetetlen volt hűteni visszagondolva.
Nem szóltam
-
CJ4567
nagyúr
válasz
zebra_hun
#39277
üzenetére
"A 800-850mV-os UV-okat viszont sosem fogom megérteni ilyen 1700-1800MHz-eken amiket látni néha. Ott már van veszteség, 1965-ön nyereség van."
Ez attól függ, hogy mi az alapod, amihez méred, és mit szeretnél elérni.
Egy FTW3, TUF, stb. kártyánál, ahol a hűtés is jó, és elengeded 350W+-ra a kártyát, és ahhoz méred a nyereséget/veszteséget, úgy persze, hogy rossznak tűnik a 800-850mV-os UW 1800MHz körül. Viszont ha FE, XC3, hasonló kaliberű kártyákról van szó, 320-330W PL-el, akkor az ilyen extrémebb értékekkel még mindig a gyári teljesítményt hozod, vagy akár icipicit felette lehetsz.Saját példa, 3080 XC3, netes tesztek alapján szegényen FE-nél rosszabb hűtő van, ráadásul papíron 340W/366W-ig mehet fel, valóságban viszont, legalább is nálam, 330-335W-nál már PL-et ír, hiába állítod a csúszkát, és már itt is ordít a hűtés, és melegszik is, egy jól szellőző házban (Asus AP201 Mesh, alul kettő P12, hátul egy P12, felül kettő P14). És PL-en 1755-1770MHz körül megy, elforrja az agyát.
1815 @ 837mV-on átlagosan 240-270W-on megy, normális zajszint mellett, 65-70 fokon. VRAM alapon, mert így is melegszik, és 2-3FPS-t (kiteszteltem, 0 és +1000 között van 3FPS különbség) nem ér.Az én kártyám pl. nem is tudna 1965-öt, mert nem sikerült olyan jól, 1965 @ 930 valószínűleg instabil lenne, ha meg valahogy mégis menne, akkor PL-be ütköznék.
-
zebra_hun
veterán
válasz
kzolee216
#39276
üzenetére
Ideig óráig megy az 1995@900mV-on, de én elengedtem.
1980-on viszont 99%-os. Csak ennyi, mivel ritkán, de volt problémám vele. 1980MHz hibátlan 920-930mV-on.
Valahogy a kerek számok jobban bejönnek, így a 900mV mellett maradtam, de 1965MHz-en rá merem mondani a 99.99%-os stabilitást +840 mem oc-n. Egyszer sem volt gondom vele hónapok óta.
15MHz ide vagy oda, semmiség. Stabilitás mindennél fontosabb.
1965 sztem nagyon optimális.
A 800-850mV-os UV-okat viszont sosem fogom megérteni ilyen 1700-1800MHz-eken amiket látni néha. Ott már van veszteség, 1965-ön nyereség van.
Jó eredménynek számít. -
kzolee216
senior tag
válasz
Találtgyerek
#39275
üzenetére
Közben kaptam egy crash-t. Szóval nem olyan jó mégsem

-
kzolee216
senior tag
válasz
Találtgyerek
#39273
üzenetére
3dmark-ot futtattam 4x egymás után. Azóta ACC-vel mentem egy 1.5 órát, ami 3 darab 2k monitorral eléggé leterhelte, de bírta fix 90 fps-el. Eddig a kártya 900mv-al ment gyári értékekkel 1950mhz. Tegnap húztam újra a rendszert, majd gondoltam csavarok picit rajta.
-
kzolee216
senior tag
Asus Tuf 3080 gaming OC. 900mV-al 1995 mhz-t hozza fagyás nélkül, PWD limit kitolva maxra és 65-66 fokos a GPU maximum. Ez jó eredménynek számít?
-
BandiT85
aktív tag
válasz
Találtgyerek
#39269
üzenetére
Mora 3 LT, és D5, de nagyon gondolkodom egy Dual D5 setupon, hogy ne kelljen 4-es fokozaton járani, mert elég nagy az ellenállásom: (pláne hogy van mégegy a fiókban) van ugye a Mora, két kuplung, és az AC Core 1 is fogja rendesen. Így most 120l/h, ami kicsit talán sovány, bár hőfokban sokat nem jelent, inkább csak van egy magas búgása a D5-nek így magasabb fordulaton, amit ha nagyon kuss van kihallom. 2-esen meg full néma, csak úgy kb meg se mozdítja a vizet.
-
BandiT85
aktív tag
Sziasztok!
Doktor VGA-nál (remélem ennyi reklám belefér) járt a vizes 3080-am olyan apropóból, hogy az Alis 180 fokos tápcsati adapterem (a három közül az egyik) összegyógyult a kártyával, nem is adott képet. Szépen kis is cserélte, meg hamár szétszedte, újra is pasztázta-padozta a kártyát. Össze-vissza volt padozva, volt ahova nem is jutott, visztont nagyon olcsón vettem vizesblokkal együtt a kártyát, ami ráadásul bányából jött.
Nade meggyógyult, és meg is toltam egy jó kis OC-val a kártyát (@420W), íme:
Ezúton is
a fent említett embernek! -
Kommy
veterán
Sziasztok!
Van egy 3080FE kártyám, rajta 3 db Acer XV272SBmmiprx monitor, displayportál van összekötve a monitorokkal, Surround-ban használom szimulátorozásra Assetto Sorsa Competizione-val..
Régebben volt olyan, hogy az oldalsó monitoron elment a kép majd visszajött, emiatt újraraktam a gépet és első tesz alatt nem tapasztaltam ilyet, de tegnap este 40 perc alatt a középső monitoron 7-8 alkalommal is előjött ez. Ami változott a két nap között, hogy lejjebb vettem a grafikát így több fps van. Ilyenkor a játék megy tökéletesen csak éppen pár másodpercre az a képernyő kiesik így vakon megyek.
Valakinek ötlete, hogy mi lehet a gond, mit próbáljak meg. -
lafaty80
addikt
válasz
Laraxior
#39261
üzenetére
Néztem ilyet, de ez azt hiszem +1 slot-ot foglal és nem a gyári ventire menne rá, hanem elé egyfajta boost-ként.
#39260- = Zk = - korábban 2db 120mm volt rajta, csak a mostani asus lap chipset hűtője magas, így a 120mm már nem volt jó. Egyébként a gyárihoz képest halk, kfa2 ventijei már 40+%-on fülsértő
Annyi trükkje volt, hogy korábban pöttyözéssel próbáltam 4 saroknál ventinként, de ott valamelyik elengedte, így most végig van a tetején és alján húzva
-
Laraxior
titán
válasz
- = Zk = -
#39260
üzenetére
Ez a vacak nem opcio?

-
lafaty80
addikt
válasz
- = Zk = -
#39257
üzenetére
Biztos tudni szeretnéd?
Első körben műanyag kötöző volt. A mostani lapnál már cinkes volt, ezért ragasztó pisztolyos megoldás lett. -
KAMELOT
titán
válasz
- = Zk = -
#39252
üzenetére
Ezért kell venni vízhűtést és csak vga + blokk kell

-
lafaty80
addikt
válasz
karmaresz
#39243
üzenetére
No, a hétvégén ráértem. Amit észrevettem -de korábban olvasva nem hittem benne-, hogy napokkal a padozás után az értékek kicsit lejjebb mentek. Nem sokkal, de a művelet után végzett és napokkal később végzett tesztek között volt különbség. Ma szétszedtem, megnéztem a padok lenyomatát, nem látok mély benyomódásokat szerencsére, tehát a neten talált adatok valszeg jók. A gpu pasztázásom nem tetszett, noctua nt-h1 tettem rá, de vastagabb lett mint szerettem volna, nem tudtam olyan szépen vékonyan ezt rátenni. Ezt most leszedtem és mx-4-gyel csináltam most, figyelve a mennyiségre és vastagságra.
Első teszt már teteszik default-on
-
CJ4567
nagyúr
válasz
- = Zk = -
#39252
üzenetére
Nekem az a bajom vele, hogy nem megy rá az XC3-ra
Ahhoz megint saját kit való. -
- = Zk = -
félisten
válasz
Laraxior
#39250
üzenetére
2 egész bajom van vele
2 ventis, és hogy nem megy fel a KFA2 3080-ra...
szerettem ez EVGA kitet, 2080on használtam anno... aztán évekig kerestem a zotac 2080Ti hez is, csak.... kifutott és sehol...
szvsz nézőpont kérdése, hogy 40ért mennyire drága... ha még évekig a 3080ban gondolkodnék, akkor simán.... de mivel 2-3 hét és váltok Super vonalra, még a pasztázással sem foglalkozom már. majd az új tulaja ha akar
-
Laraxior
titán
Asszem itt olvastam, hogy keresett valaki evga hybrid kitet... most van az aprón.
-
karmaresz
senior tag
válasz
lafaty80
#39244
üzenetére
Ha megnézed, úgy lett jobb az eredmény kb. 5%-kal, hogy közben a max fogyasztása meg 7%-ot csökkent, vagyis nem csak undervoltolva, hanem mellette "overclockolva" is lett a kártya.
Ha a gyári értéknek nagyjából megfelelő teljesítményt akarok elérni, vagyis tényleg csak undervoltra megyek, akkor 276W-nál nem fogyaszt többet a GPU, vagyis a fogyasztáscsökkenés kb. 18%, azaz 63W.
Itt már a hőmérsékletek is elkezdenek érezhetően lefele kúszni. (775mV/1755MHz/+500 a RAM-ra).
Csinálok is egy olyan UV profilt, ami pontosan megfelel a gyári teljesítménynek, valahol 782-787mV körül.
-
lafaty80
addikt
válasz
karmaresz
#39243
üzenetére
Köszi szépen, igen itt látszik igazából, hogy nálam még nem okés a hűtés.
Tegnap még este szórakoztam és ez lett a vége, itt stabil teszt/játék alatt is(+500Mhz a mem-nek):
Érdekesek a számokból látszó infók, nálad pl. érdekes, hogy hőmérsékletet alig befolyásolja az uv. -25W és +5% teljesítmény így. Nálam gpu/hotspot -10C -30W +8% teljesítmény.Persze gondolom itt is számít márka/típus. (meg ha jobb lenne a paszta/pad rész, akkor nálam is kisebb lenne ez az érték). -
Érdemes frissíteni Rivatuner Statistics Server verziót, ha használod, hasznos dolgokkal frissült, többek között.:
Improved framerate limiter:
Added new framerate limiting mode : NVIDIA Reflex mode. In this mode RivaTuner Statistics Server completely disables its own precise framepacing implementation and uses NVIDIA's own framerate limiter instead. -
lafaty80
addikt
válasz
karmaresz
#39237
üzenetére
Nekem most 85mV volt a stabil:
+500MHz ramnak.
Gondolom márka/típus miatti eltérés, de nálad jóval magasabb órajelen megy stabilan a kártya uv alatt.
Ha majd még lesz kedved és időd, küldenél egy default beállításokkal mért értékeket, hogy nálad úgy mi mennyi, csak kíváncsiságból
#39238Highend55 faxa, lehet nálam is még az lesz, de miből láttad mikor jó és mikor nem? Csak az értékekből?
-
-
karmaresz
senior tag
válasz
lafaty80
#39236
üzenetére
Nem tudom segít-e bármiben, de itt egy screenshot a frissen beszerzett Gigabyte RTX 3080 Eagle OC rev 2.0 kártyámról 825mV/1875MHz mellett (Ram + 1000MHz).
Lehetne még kisebb a hőmérséklet, de szeretem viszonylag alacsonyabb venti fordulaton, halkan járatni a gépet.
Gyári, nem volt bontva, padozva.
-
lafaty80
addikt
válasz
- = Zk = -
#39235
üzenetére
Úgy találtam én is egyet, itt linkeltem korábban, de ahogy írták, lehet hogy nem jó a vastagság. Gondolom nem tervezed mostanában szétszedni és/vagy padozni (csak méretek miatt kérdezem
) Amúgy neked milyen hőfokokat produkál (gpu, mem, hot spot) max? -
lafaty80
addikt
válasz
Találtgyerek
#39232
üzenetére
AB-ben megadom a mínusz értéket, majd felhúzom a grafikonon.
-
lafaty80
addikt
válasz
Találtgyerek
#39230
üzenetére
És neked nincs hot spot temp?
Engem ez visz a sírba, igazából nem tudom érdemes-e néznem, mert ha csak gpu/mem hőmérsékletet nézek, akkor annyira nem rossz, gpu lehetne jobb.. -
lafaty80
addikt
válasz
Találtgyerek
#39228
üzenetére
A core nem. De ha ezt nézzük, akkor mindenhol elcsúszott.
-
lafaty80
addikt
válasz
Találtgyerek
#39220
üzenetére
Egyről nem csináltam, majd ha otthon leszek, lehet még lefuttatom, ott: uv 0.800 + gpu clock is (-400). Legkevesebb pontszám és leghűvősebb kártya

uv 0.875v + gpu clock is

uv 0.850 + gpu clock is, talán itt ez a max. stabil nekem
uv 0.875 gpu clock default-on
-
KAMELOT
titán
Ajaj itt valami gond van a kártyámmal.

AW2 kimaxolva 12FPS
Mindjárt az elején bek..tam
-
Attix82
addikt
Megnéztem az FSR 3-at framegen módba. Avatart és a Codot.
NVCP: FPS limit ki, Vsync off, energia gazdálkodás max
In Game: Fps limit off, Full screen , Vsync off.
MSI afterburner: fps limit 120.
Tökéletesen működik vaj simán fut.
HAGS miatt nem szabad, hogy a GPU 99% menjen. Optimális a 90% terhelés. -
lafaty80
addikt
válasz
Találtgyerek
#39216
üzenetére
Bocsánat, ez lemaradt infóként. A gyárit levettem és tettem rá 3db arctic f9 pwn 92mm-es ventit. Ezek mennek most csak 1 csatin keresztül, a gyári negyediket nem tettem fel (az lenne a másik).
-
4264adam
nagyúr
válasz
lafaty80
#39214
üzenetére
Valami nagyon félrement mert ezek így baromi magas értékek akár mennyire is 320W.
Maga az Extreme jó választás a puhaság miatt, viszont szerintem túl vastagok.Pont ez van a 4070 Super esetén is, ASUS DUAL túl vastag gyárilag míg az INNO3D vékonyabb így utóbbi 60 fokos memóriát tud tartani, az ASUS 84°C-ig kúszik gyárilag.
-
lafaty80
addikt
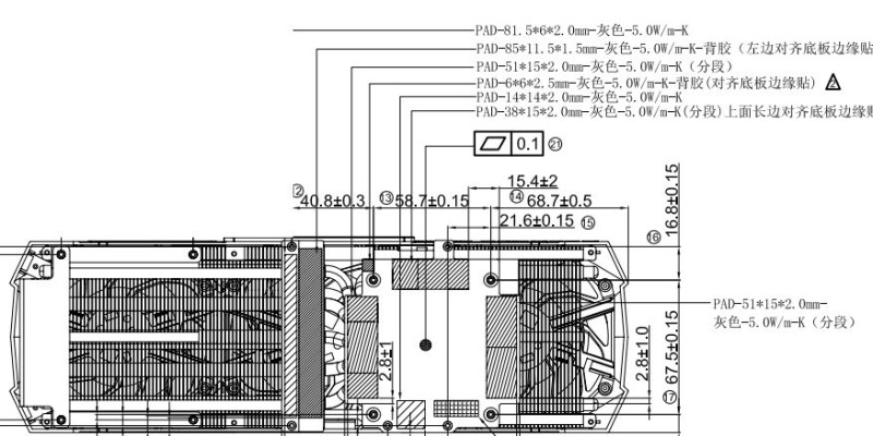
Valaki padozott már kfa2 3080 sg 10gb kártyát magának? Van valahol erre vonatkozó infó/adat? Neten találok galax/kfa2 morzsát, de sehol egy pontos hivatalosat. Egyetlen képet találtam kínai oldalon, de pl. a kártyámon lévő pad vastagságoknak köze nincs az ott lévőhöz. Ahogy nézem, már padozták, de melegedett, ezért gondoltam cserélem. A kép alapján mentem neki:
Felemás élményem van, így 2 nap után. 5-10 fok különbség van max. a régihez képest.
uv-vel kordában tudom tartani, cak nem értem hogy gelid-es extreme padokkal gondoltam jobb különbség lesz.
default előtte
default utána
-
biker
nagyúr
Szerintetek evga hibrid kit még kapható valahol újként? [link]
eddig nem találtam... -
Géjza
őstag
válasz
- = Zk = -
#39209
üzenetére
váó, köszi, faxa
-
Géjza
őstag
AB-vel underclockolom a kártyám (curve editor). Viszont így idle-ben desktopon 90-100W-ot kajál, mert nem veszi vissza az órajelet. Ha visszaállítom alapra AB-t, akkor szépen visszaveszi az órajelet és így a fogyasztást is pl desktopon.
Van erre valami megoldás, hogy idle-ben keveset egyen, de 3D-ben az AB-ben beállított profil szerint menjen a kártya (curve editorral alulfeszelve)?
-
biker
nagyúr
Reggel ránéztem megint, mert bevillant, hogy valami nem ok az afterburnerrel, mert mintha nem az a curve menne amit szoktam, magasabb a fesz.
Gyors teszt, iracing fut, valley, heaven, superposition fut, 3dmark fut, megy a hang, mutatja az FPS-t, megy a geforce experience overlay, minden, de nincs kép.Friss demo telepítés a steamről, 3 napja szedtem le, igazából régesrégen 3dmarkoztam, de amióta mindent (is) a fizetősbe raktak, nem használtam, vagy 10 éve biztos

Most ezért tutti nem rakom újra a rendszert, inkább törlöm. De mint érdekesség, ilyenkor elkezdem keresni, hol a hiba, és ba.tatja az agyam, hogy mi a franc...Asrock B560M pro4 lap, i5-11600K, 4x8GB DDR3600, EVGA rtx 3080ti ftw3 ultra, meg egy evga GQ850 táp, WD850x black nvme SSD gen4 csatiban, direct storage engedélyezve
-
Joshi
titán
Nekem Windows Pro-val soha nem volt gondom a 3DMark-al, pedig elhiheted hogy sok-sok éve használom. Amúgy rákerestem a 3DMark black screen-re és ezt dobta, igaz nem mentem bele nagyon mélyen. Lehet érdemes lenne újrarakni első körben a 3DMarkot, de lehet hogy a Windowst is. Vagy valami blokkol valamit, nem tudom. Ahogy írtam és még soha nem találkoztam ilyennel.
ui.: esetleg DDU-val pucold le az Nvidia drivert és rakd fel a legújabb stabil drivert.
-
biker
nagyúr
Nincs az a nevetős smiley amit ide tennék

messziről kerülöm ezeket az N-es verziókat.Egyébiránt mi az a média csomag szerinted, ami által minden* játék játszható de pont a 3dmark hiányolja?
*minden= iracing, raceroom, AC, ACC, Dirt rally 2.0, EA WRC, F1 sorozat, RF2, AMS2, ATS, overlayekkel, simhubbal, OBS-el streamelve
Én valami beállítási hibát gyanítok, mert pl az MFAA ha driverben BE akkor iracingben a játék betöltése előtti autó előnézet 3D render üres képet ad, ott hibára fut a render+MFAA, ha KI vagy játékban beállított, akkor megjelenik a preview render
Új hozzászólás Aktív témák
- Mikrotik routerek
- World of Tanks - MMO
- Itt a Galaxy S26 széria: az Ultra fejlődött, a másik kettő alig
- Intel Core Ultra 3, Core Ultra 5, Ultra 7, Ultra 9 "Arrow Lake" LGA 1851
- 3D nyomtatás
- Eredeti játékok OFF topik
- Autós topik
- Hamarosan körbefotózza a Google a Balatont
- RAM topik
- Óra topik
- További aktív témák...
- Gainward RTX 5060 Ti Python III 16GB GDDR7 128bit (NE7506T019T1-GB2061T) Videokártya
- ASUS ROG Strix RTX 4090 OC 24GB GDDR6X Videókártya! BeszámítOK!
- EVGA GTX 980 4GB Founders Edition / Beszámítás OK!
- Asus Dual Geforce RTX 4070 Super OC, garanciális 2027.07.12.
- MSI GeForce RTX 5090 VANGUARD SOC /// ÚJ BONTATLAN /// 2028.12.01.-ig GARI /// 2025.12.01. gyártás!
- Sony ULT FIELD 1 bluetooth hangszoró
- Honor X8 128GB, Kártyafüggetlen, 1 Év Garanciával
- GYÖNYÖRŰ iPhone 13 mini 128GB Blue -1 ÉV GARANCIA - Kártyafüggetlen, MS4062
- HP Victus Gaming Laptop INTEL I7-14700HX / RTX 4070 32GB RAM 1TB SSD Gari
- BESZÁMÍTÁS! AsRock H510M i5 11400 16GB DDR4 512GB SSD RX 6600 8GB Zalman T4 Plus ADATA 600W
Állásajánlatok
Cég: Laptopműhely Bt.
Város: Budapest
Megvettem végül a hybrid kitet, kivártam a jó árat.

Vegyél egy komolyabb procit.
Ennyit tudott nekem stabilan a V2-es TUF. 900mV-1980Mhz.


a fent említett embernek!




Ahhoz megint saját kit való.



uv 0.875 gpu clock default-on
Felemás élményem van, így 2 nap után. 5-10 fok különbség van max. a régihez képest.
default utána

