Új hozzászólás Aktív témák
-
#34322688
törölt tag
Sziasztok.
S7-200 plc-hez írtam egy egyszerű kis programot Step 7 microwin-ben, elmentettem, viszont amikor a betöltésre kerül a sor nem sikerül betölteni a fájlt. Mwp-ben mentem, igaz más lehetőséget nem is ajánl fel.
Szerintetek mi lehet a probléma, még ha rosszul írtam volna meg, szerintem akkor is be kellene töltenie, vagy tévedek? -
Dezső_38
csendes újonc
Szia!
,,Ez gyakori megoldás."
Jól értem, hogy az árnyékolást tetszőleges helyen le lehet testre kötni?,,Kivéve persze ha csutkára visszanyírták benne a harisnyát."
Ilyen nem volt!,,A CPU is leáll (CPU STOP)?"
Nem áll le, csak buszhibát jelez.
Sok tapasztalatom még nincsen a rendszerről most van karbantartás alatt. -
Szirty
őstag
válasz
Dezső_38
#7089
üzenetére
"Itt testre köti, alatta a szekrényben ismét."
Ez gyakori megoldás.
"Egy másik eszköznél pedig nincsen nyoma a testre kötésnek."
A DP csatlakozó úgy van kialakítva hogy mindenképpen testre köti az árnyékolást.
Kivéve persze ha csutkára visszanyírták benne a harisnyát. De akkor mechanikai tehermentesítés sincsen, szóval az valószínűleg látszana."Egy másik eszköznél pedig nincsen nyoma a testre kötésnek."
A CPU is leáll (CPU STOP)?
Egyébként jellemzően magától újracsatlakozik ilyenkor az eszköz. De attól is függ hogy van megírva a PLC-ben a buszhibák kezelése. -
Dezső_38
csendes újonc
válasz
byte-by
#7084
üzenetére
Szia!
Ilyen jellegű hibákkal nem találkoztunk!
Csak a képen látható érdekességek vannak.
Itt testre köti, alatta a szekrényben ismét.
Egy másik eszköznél pedig nincsen nyoma a testre kötésnek.

Nálunk a Busz hiba általában azt jelenti hogy 1 vagy több eszközt nem ér el a buszon!
Ezeknek az eszközöknek a táp feszültség elvétele után ismét elérhetők.
( Néha többször kell lekapcsolni.) -
Dezső_38
csendes újonc
Szia!
Köszönöm a válaszodat!,,- A kábelvégek megfelelő lezárásából"
Ez rendben van!,,- A kábelhossznak megfelelően választott adatsebességből"
Ezt nem tudom milyen értéken van sem a hosszát. (talán 100-200m egységenként.)
Több technológiai hálózat van és ezek felett egy Safety hálózat.
Minden plc szintén hálózatba van kötve Profibuson és eterneten is.,,- "T" elágazásoktól mentes topológiából"
Siemens repeater-nél van elágazás ez még Ok nem?,,Megfelelő két eres árnyékolt"
Ez rendben van!,,- Erősáramú kábelektől távol vezetett kábel nyomvonalból"
Eddig rá volt tekerve az erős árramú kábelekre + pár méter ,,tartalék volt valahol eldugva.
Ez most újra lett húzva a lehetőségekhez mérten távolság tartással.
-
#34322688
törölt tag
Sziasztok.
Sikerült szereznem egy siemens s7-200-as plc-t, tudom nem mai darab, de gyakorlásra lenne.
Ezt a tipust csak a Step 7 microwin szoftverrel lehet programozni, vagy van másik program is hozzá?
Nekem a Step7 microwint nem sikerült feltelepíteni, pedig már virtuál gépre is próbáltam xp-alá. -
byte-by
tag
válasz
Dezső_38
#7079
üzenetére
halo!
én még az elején ellenőrizném a fizikai állapotokat.
ahogy Szirty is mondta, kábelvégek, kábel hosszak, nyomvonal, stb.illetve mellékelek két fotót egy ezen a fórumon jóval korábbi hozzászólásomból.
személyes profibus tapasztalat, bevágott erek, töméntelen profibus hiba.
igy kötötte be a gyártó, figyelmetlen, trehány blankolás, gondolom sniccerrel végezték.ezeket újra kötve, sokat javult a helyzet, abban a projektben.
-
Szirty
őstag
válasz
crucified
#7081
üzenetére
Aszimmetrikus (földhöz viszonyított) jeleknél lehet ez probléma a potenciálkülönbségek és ebből adódó kiegyenlítő áramok miatt.
Ha szabvány profibusz csatlakozókat használsz máshogy be sem tudod kötni. Árnyékolás minden csatlakozási ponton alapból megy a földpontra. Egyszerűen így van kialakítva a csatlakozó maga.
A jel egyébként galvanikusan leválasztott és szimmetrikus. -
Szirty
őstag
válasz
Dezső_38
#7079
üzenetére
Szia!
Minden kábelvégen az árnyékolást földre kell kötni.
Profibusznál nagyon fontos a helyes kábelezés.
Ez áll (nagyjából fontossági sorrendben):- A kábelvégek megfelelő lezárásából
- A kábelhossznak megfelelően választott adatsebességből
- "T" elágazásoktól mentes topológiából
- Megfelelő két eres árnyékolt csavart érpárt tartalmazó profibus-ra való kábelből
- Erősáramú kábelektől távol vezetett kábelnyomvonalból -
Dezső_38
csendes újonc
Sziasztok!
Ez ahol most dolgozunk egy nagy gépgyártó által kivitelezett üzem.
Több évet pihent mert akkor is sok busz hiba volt.
Azóta sem javult!
A kivitelező viszont már megszűnt.
Ezt kell most helyre tenni.
A Siemens profibus kábelt hány helyen szabad vagy illik testelni?
Köszönettel -
giakam
újonc
Sziasztok!
Egy Phoenix Contact ILC 350 PN a vezérlőm és Siemens ET200M i/o szigetekkel szeretnék kapcsolatot teremteni PROFINET-en, aztán programozni.
Kapcsolatteremtés nehézkes volt, de végre BF led megszűnt villogni. Ezek után írtam egy egyszerű programot. 1 gomb vezérel 1 vagy több kimenetet közvetlen.Probléma a következő:
Gomb megnyomása hatására input egységen visszajelző led világít és a pc worx debug módjában is billen a bemenet a megfelelő állapotba. Tehát bemenet tökéletesen jó
A kimenet debug módban átbillen a kívánt értékre, az Output egységen a visszajelző led nem világít, nem villan, vagyis fizikailag nem kerül ki a kimenetre a jel. (Mintha nem lenne táp alatt).Valakinek van ötlete mi lehet az oka?
-
PHM
addikt
válasz
JAGER 10
#7074
üzenetére
Közben magam is keresgéltem, s ezt találtam:
EATON EASY512-AC-RCX jelentősen leárazva.
Hátha érdekel még valakit. -
PHM
addikt
Sziasztok!
Nem tudtok ajánlani valami olcsóbb programozható relét, mint az Omron Zen?
Kijelző nem kell, csupán 4-5 digitális bemenet és 4 relé kimenet.
Előre is köszönöm. -
Szirty
őstag
válasz
Miertvansote
#7071
üzenetére
Tehát jön a random változó adat nevezzük "aktuális"-nak.
Szükség lesz egy átmeneti tárolóra, legyen a neve "átmeneti".
Továbbá kell egy tároló amiben megőrzöd a változás előtti állapotot. A neve legyen "előző".Az átmeneti tároló kezdetben 0 tartalmú.
Csinálsz egy összehasonlítást aktuális<>átmeneti.
Ha az eredmény igaz (vagyis a kettő különbözik) akkor előző=aktuális.
A feltételtől függetlenül ezután átmeneti=aktuális.Az előző így minden változás előtti állapotot megőriz a következő változásig.
-
Miertvansote
tag
Sziasztok!
van egy olyan problémám, hogy van egy adat ami random jelleggel változik és az előző adatot meg az éppen aktuális adatot meg kell tartani. Ezt valamiért nem tudom létrába megoldani. Köszi.előre is aki segít, délután elküldöm hogy én hogyan próbáltam. Ja és az a baj hogy az adat fél másodpercenként frissül de csak random jellleggel változik. -
crucified
tag
Sziasztok, van egy NC gép, Sinumerik 840D sl, Solutionline kártyákkal. Az NC, PLC és HMI mentéseket meg tudom csinálni a HMI-ről a gép HDD-re, a kérdésem az, hogy a HDD-ről hogyan tudom lementeni saját gépre ezeket?
Csak HDD ki és klónozással, vagy van rá más megoldás it? Amennyiben igen, milyen program, kábel kell hozzá?
Köszönettel
-
m_zoli
csendes tag
Hello
Érdeklődnék, Siemens TIA Portal Basic V13 - upgrade Proff. verzióra
hol tudnék utánaérdeklődni, email, stb. (kereskedő - támogató )
Köszönettel -
PcCar
tag
Sziasztok.
Keresek Siemens Simatic OP 7 -DP Operátor panelt.Köszönöm.
-
byte-by
tag
válasz
DP_Joci
#7064
üzenetére
ha automata rendszerben gondolkozunk akkor legyen a legjobban használható rendszer.
többféle megoldás lehetséges.egyike , hogy 1 szivattyúval gyorsan feltöltjük,zárunk, majd némi nyomást generálunk,utána egy
ellennyomás szeleppel a próbanyomásig növeljük a nyomást.
vagy akkor +1 szivattyú nagyon lassú üzeménél fokozzuk a nyomást.
zárt rendszernél nagyon hamar fel fog menni a nyomás, finoman kell fokozni mindkét esetben.
ezt valamilyen mérő egységgel figyeljük, stb.
így nem kell túl bonyolult rendszer. -
DP_Joci
tag
válasz
byte-by
#7062
üzenetére
Szerintem azért kell két szivattyú, mert nagy a térfogat 1-2 m3 és így idő lehet nyerni.
Pontosabban nem is a hegesztést kell vizsgálni, mint egy röntgennél, hanem, hogy nem folyik-e valahol.
Folyamatosan jönnének a tartályok ezért a kéz módszer, helyett egyből az automatát gondolnák megvalósítani.
A frekváltó használata azért is lenne jó, hogy a nyomást pontosabban „ el lehessen kapni”, gondolom minőségi szempontból sem mindegy, hogy néha 1-2 bar különbség van az egyes tartályok nyomása között. -
DP_Joci
tag
Elméletileg a víz kiszorítaná a levegőt a leeresztő nyíláson, majd ha itt megjelenne a víz, akkor zárna itt a 2. gömbcsap, így már csak a feltöltő gömbcsapon nyomná a (másik) nyomásfokozó szivattyú a vizet. Ha a nyomás megvan, akkor elzárna feltöltő gömbcsap is és bezárná a nyomást, talán itt nem is lenne probléma, főleg ha marad egy pici levegő is a leeresztő csőben.
De a nyomó ágban a szivattyú útját elzárva lenne egy nagy ütés, még ha a szivattyút egyből meg is állítanám. Ide esetleg egy tágulási tartály nem ártana.
Vagy itt lenne jó a frekváltó és lejjebb venni a fordulatszámot a végnyomás elérése előtt, bár akkor is lenne egy kis ütés. Legjobb az lenne, ha egy háromjáratú szelep a töltő ágat lezárná a másik ágon meg elengedné a nyomást, gyorsan!
Bár végig gondolva ezek a sterimo jelegű szivattyúk nem szállítanak sokat és nem biztos, hogy lenne probléma. A mosók is úgy működnek, hogy ha a pisztoly elzárja az emberke, akkor felszalad a nyomás, ami leállítja a szivattyút a túlnyomás meg elmegy a biztonsági szelepen (pár deci).
-
byte-by
tag
válasz
DP_Joci
#7059
üzenetére
halo
ha módszer, akkor lehetőleg minél egyszerűbb legyen.
hogy ne legyen nyomás sokk, amit Szirty említett-
elég 1 szivattyú olyan teljesítménnyel ami nagyjából az üzemi nyomásnak felel meg.
ez nem tölti túl a tartályt.
kell egy szelep a szivattyú és a tartály közé. ennek zárásával, (vagy csőbe nyitásával) változtatod az
űrméretét, így a nyomás növekszik, mivel a folyadék nem összenyomható. van csavarorsós szelep is, stb.
ez lehet kézi, vagy akár pneumatikus, lényeg, hogy szép lassan lehessen működtetni, így nem lesz nyomás ugrás.( lehet kapni - nem is drágán - direkt nyomáspróba kézi-pumpákat. itt hálózati vízzel kell feltölteni a rendszert, majd ugyanez a víz át van vezetve a kézi pumpán, amivel további vizet erőszakolunk a rendszerbe, így a nyomás szintén szépen lassan növöget, ahogy mi pumpáljuk. ekkor szivattyú sem kell )
a módszer egyébként kevésbé információt magáról a hegesztések minőségéről.
ez nyomástartás illetve tömörségi/szilárdsági vizsgálat, a tartály összteljesítményéről kapunk információt.
a varrat egyéb paramétereiről nem ad infót.fontos, hogy ne legyen nagy eltérés a vizsgáló közeg és a vizsgálandó tárgy hőmérséklete között.
ez persze egy idő után kiegyenlítődik, de okozhat nyomás változást. illetve ahol csinálják a próbát lehetőleg állandó nyomás és hőmérséklet viszonyok legyenek.a levegő összenyomható, így ebben az esetben kevésbé használható. a legfőbb probléma vele, hogy
szivárgása esetén nagyon lassú az esetleges nyomásváltozás, az összenyomhatósága miatt.
a folyadék esetében sokkal gyorsabb.mi tejtermék sterilező berendezés fűtőcsöveit szoktuk régebben nyomás próbázni.
lezártuk a végét. a másik végére egy kézi pumpa volt szerelve , átfolyt rajta a víz, majd ha tele lett a kézi
pumpával nyomtunk még rajta.ekkor ügye nem az űrmértéket csökkentettük, hanem a rendelkezésre álló helyre még több vizet préseltünk be, de ugyanaz történik.
volt a pumpa mögött egy óra azon ellenőriztük a nyomást.
csövenként 11 perces volt a sztori.
10 perc volt a nyomástartás, 1 perc a szemrevételezés. -
Szirty
őstag
válasz
DP_Joci
#7059
üzenetére
Ha a módszert kell kitalálni, akkor azt javaslom, hogy a tartályban maradjon néhány százalék levegő (gáz) az összenyomhatóság miatt.
A folyadékkal teljesen nyakig töltött tartályban a vég nyomást kalapácsütés-szerűen érné el a közeg, ami meglehetősen kezelhetetlen.rfs!
Nyomáspróbához rendszerint folyadékot használnak biztonsági okokból. Nem dobja szét a házat ha kireped...
Talán ez az oka a víznek. -
DP_Joci
tag
Sziasztok,
Hogyan szokták az alábbi feladatot megvalósítani:
Van egy 1m3 –es tartály amit úgy szeretnének ellenőrizni, hogy jól van-e meghegesztve, hogy megtöltik vízzel x bar nyomásra és ha ez a nyomás 10 percig megmarad, akkor jó a tartály.
Az elmélet az, hogy van egy szivattyú ami megtölti a tartályt vízzel, majd át kapcsol egy másik szivattyúra, ami nyomás alá helyezi a tartályt 7,5bar. Van egy nyomás távadó a rendszerben.
Kérdés az, hogy a nyomást hogyan lehet beállítani pontosan. Ha a nyomástávadó jelét figyelem és az eléri az értéket, akkor elzárom a gömbcsapot, ami bezárja a vizet a tartályba és leállítom a szivattyút.
Ekkor megmarad-e a kívánt nyomás a tartályban ill. a szivattyú után a nyomás hirtelen felugorhat. A biztonsági szelep elengedi a túlnyomást, de nem biztos, hogy ennek így kéne működnie.
Voltak ötletek, hogy frekvenciaváltó kell a szivattyúra …. -
Brownn
tag
Sziasztok
Azt szeretném kérdezni, hogy minek a megvalósítása a nehezebb avagy időigényesebb egy HMI-n egyedi felhasználókezelésnél? WinCC esetén. Megoldani azt, hogy a deaktivált felhasználó ne tudjon belépni egyáltalán a rendszerbe? Vagy megoldani azt, hogy a felhasználó ugyan beléphet (mint nem jogosult személy), de nincs semmihez se joga.
Ha az utóbbi lett megvalósítva akkor nehéz, időigényes megcsinálni olyanra a rendszert, hogy a deaktivált felhasználó ne tudjon belépni?
-
kushido2
újonc
Tisztelt Főrum.
Mitsubishi AL2-24 MRD PLc hez keresek programozó kábelt.
Ha valakinek van elfekvője kérem értesitsen 06209758051 Mészáros Jenő -
Mazsika
őstag
válasz
ratkaics
#7051
üzenetére
Ez egy arduino alapú cumó, csak ipari, 0-24es üzemre kitalálva. Igen, tesztelgettük már, kell bele egy sd kártya amire felmegy egy gyari flash. Eztán mindent be lehet allitani puttyal, és nodered nevü kornyezettel lehet programozni. (Webes felületről) végtelenül egyszerű, es 1200ast simán tudja irni olvasni, i/o-t, db-t, merkert. Neten van sok anyag hozzá, illetve a siemens support oldalán is.
-
Szirty
őstag
válasz
TotoThomas
#7043
üzenetére
-
-
ratkaics
senior tag
válasz
TotoThomas
#7043
üzenetére
Szerintem Step7-tel mennie kell...
-
moseras
tag
válasz
ratkaics
#7042
üzenetére
Üdv!
Csak WAGO ügyben tudok nyilatkozni, azzal szerintem igen.
Egyrészt van hozzá ftp kliens, azzal le tudod tölteni a .csv-t, akár belső flash-be, akár külső SD kártyára.
Ha letöltötted, akkor onnan pedig így tovább:
Advanved CoDeSys Tutorial - Read & Write CSV files w/ WAGO 750-880 PLC
Természetesen modbus szervert is létre tudsz vele hozni.
Ha nem PLC, akkor esetleg raspberry pi 3, vagy valami hozzá hasonló, esetleg DIN35-re pattintható ipari PC zárt dobozban, rajtuk Win vagy Linux. A Modbus RTU az RS232 vagy RS485 ? Mert az RS485 lehet, hogy nincs raspberry-n, valami USB/RS485 konverterrel megoldható.
Lehetséges problémák:
- nem tudom, hogy a PLC belső flash hányszor írható, az óránkénti írás, lehet hogy néhány év alatt túlterheli, inkább SD kártya legyen, ipari kivitelű (milliós írás)
- raspberry pi 3: nem tudom, hogy mennyire stabil ipari környezetbenImi.
-
TotoThomas
csendes tag
Sziasztok!
Siemens kérdésem lenne.
Vannak régebbi CPU-im.
Pl 214 1ag31 0xb0
214 1ae30 0xb0Ezeket a CPU-kat a TIA V13 és V14 sem ismeri.
Hogyan tudom mégis megtölteni programmal?
Köszönöm -
ratkaics
senior tag
Sziasztok!
Új vagyok itt a Topikban, és rögtön segítséget is kérnék.

Olyan feladat merült fel, hogy adott egy interneten, FTP-n elérhető, excel fájl, ami óránként frissül. Ebből a fájlból kellene kiolvasni értékeket és ModBus RTU-n Slave üzemmódban elérhetővé tenni.PC nem jó.
Ezt a készüléket egy villamos kapcsolószekrénybe kell elhelyezni, szóval jó lenne valami "ipari" kivitel.
Nem feltétlenül a legolcsóbb megoldás érdekel.Az általam ismert PLC-k köre sajnos elég szűk és nem ismerek olyan megoldást, ahol egy excel táblázatban lehetne garázdálkodni.
Kinek milyen ötlete lenne a megvalósításra?
Előre is nagyon köszönöm a segítséget!
-
Miertvansote
tag
Sziasztok!
Allen Bradley PLC-vel kapcsolatban lenne kérdésem.
Vagy egy int változó: N50.0, amely a touchpanelen egy értéket képvisel. Például: FR-RTT650C.
Ezt kellene a továbbiakban vizsgálni. Az érték 5. eleme (T vagy Q) lehet csak. Erre kellene egy feltételt készítenem ami vizsgálja, hogy mi van a 4. helyen.
Itt próbáltam beállítani, hogy a 4. bit ami ugye az 5. hely annak ha az ASCCI to decimal értéke megegyezik akkor legyen igaz a kimenet, de nem nagyon működik.
Tisztázva a kérdést: Hogyan lehet hivatkozni ennek az értéknek adott "helyen" lévő értékeire?
Köszönöm előre is.
-
DasBoot
aktív tag
válasz
Miertvansote
#7025
üzenetére
Szép napot! Az indító feltétellel párhuzamosan kell "kötni" az időzítő .TT bitjét, ez addig aktív, míg a preset-ben beállított idő le nem jár, magyarul öntartást ad az időzítőnek, ilyenkor már megszűnhet a a feltétel. És persze az felhasználásnál is a .TT-t kell használni. Szóval I:1.0 val párhuzamosan a T4:0.TT-t. Üdv.: Joe
-
Bazs87
tag
Sziasztok!
TIA V13 SP1-ben "érdekes" problémára bukkantam.
Ha egy nem optimalizált db-ben van egy structom, amiben adott számú char van, és ezeket szeretném egy optimalizált DB azonos hosszúságú char array-be másolni, akkor egy lépésből jelen tudásom szerint nem tudom megoldani.
Array-Array ill Array-opt Array, Struct-Array megy, de ez az egy párosítás nem akarja a jót.
Nincs erre valakinek egy elegáns megoldása? (blkmove, blk_move,blk_move_variant, char2str-str2char volt eddig tesztelve, ezekkel jutottam erre az eredményre)Köszönettel:
Bazs87 -
byte-by
tag
halo!
ahogy a példámban van az jó.
a tof -ban akkor fog a preset fogyni ha az I :1/0 megszűnik.akkor legyen lefutó él.
ha a processzor a változást értékeli a felfutó él egy ciklusig tartó pozitív változása talán nem feltétlenűl jelenti annak megszűnését ha a következő ciklusban már nincs.de , mint jeleztem a példában működik, ha a bemenet fals lesz.
sima bemenet, nem élvezérelt.
ha közben megint true lesz amíg lefut, visszaáll.
érdemes kipróbálni, az én közelemben nincs jelenleg AB. -
byte-by
tag
válasz
Miertvansote
#7025
üzenetére
halo
az off delay és a felfutó él párosítás értelmezhetetlen, mivel azért off-delay, hogy akkor működjön ha a feltétel megszűnik.
egyébként a TOF -nak jónak kell lennie, de akkor indul ha az engedélyezés megszűnik, a Done bit (DN)
akkor lesz 1.
az EN bit ekkor kapcsol ki, vagyis futás alatt az értéke 0.vagyis jó a TOF, de az impulzusod működését negáld előtte.
és gondoskodj , hogy a lefutás előtt ne legyen ujra aktív, mert minden kezdődik leőről, akkor is, ha az
preset nem járt le.én sem ismerem igazán az AB-t, de emlékeim szerint ilyen.
akkor indul, ha az I:1/0 fals lesz. (és nem is lesz true , amíg le nem fut.)
-
molntomi
csendes tag
Sziasztok!
Olyan kérdésem lenne, hogy ebben a programkódban a NOT mit is csinál, melyik feltételt negálja?
A(
A(
A(
L "MASCHINENDATEN".Nyomas_elvart
L 1.000000e+003
==R
)
NOT
O
AN "Mod_uzenetek_HMI".Szoveg009
AN "Mod_uzenetek_HMI".Szoveg010
AN "Mod_uzenetek_HMI".Szoveg011
)
= M 80.1
A M 80.1
)
= "A7.1"Előre is köszi!
-
Mazsika
őstag
válasz
Miertvansote
#7025
üzenetére
Nem ismerem az ABt, de egy felfutó éllel és egy of delayel biztosan meg lehet oldani...!?
-
Miertvansote
tag
Sziasztok!
Allen Bradley PLC-vel kapcsolatban szeretnék segítséget kérni?
A timerekkel van gondom. Hogyan kell megcsinálni, azt hogy az időzítő bemenetére érkezik egy impulzus, az időzítőn megadott idő fut végig attól függetlenül, hogy a bemenete nem folytonos, hanem egy impulzus ugye. A timer kimenete az idő leteltéig aktív legyen, majd amint lejárt az idő kapcsoljon ki a kimenet.
Siemens PLC-nél egyszerűen meg lehet oldani ezt az S-PEXT-el de itt. Nem tudom, hogy melyiket kell használni. (TON, TOF, RTO...)
Kipróbáltam már több változatot is de sehogy nem működött rendesen.
Létra diagramban szeretném megcsinálni. Köszönöm előre is a tippeket.
Üdv.
-
Tomika86
senior tag
válasz
byte-by
#7023
üzenetére
Helló!
Ezt közben megtaláltam, meg levelezek az omronnal is közben. A programot átnéztem.
Azt nem értem hogy a kódolvasóból honnét tudom mit olvasok ki a programmal. Illetve ha kiolvasom az adathalmazt, akkor a plc DM területén lesz, és onnét nekem kell kiválasztani mit használok fel? Vagy honnét tudom melyik memória terület mi lesz?Ha két omron PLC lenne összekötve és egymás DM területét írnáik, akkor tudnám hol mi található, de így hogy a kódolvasóról nem találtam semmit, nem tudom.
Wenglorosoknak is írtam amúgy, aztmondták felhívnak. -
byte-by
tag
válasz
Tomika86
#7022
üzenetére
halo!
az omron kft oldalán a tudásbázisban pont egy CP1 EM verzióhoz van írva egy barkód olvasó program.
érdemes átnézni, illetve akár felhasználni is adott esetben.
a példában sick barkód olvasó jeleit kezelik.http://www.omronkft.hu/tudasbazis/files/SICK_vonalkod_Socket.cxp
a settingsben benne vannal a beállítások, de a network-kök meg vannak kommentelve , elég korrekt.
socket nyitás, zárás, hibakezelés, ilyesmi.
bár a socket-et itt nem értem egyből mire érti, mert jelőlve nincs bővítés. -
Tomika86
senior tag
Sziasztok!
Érdeklődni szeretnék, Omronban jártas emberektől, hogy vajon elméleti szinten megoldható-e a következő:
Van egy Omron CP1L-EM PLC amin van ethernet csatlakozó, ez milyen kommuniációra képes? Laptoppal összekötve ok, tudok programozni, stb. Viszont, ha ide teszek egy Switch-el 2db Ethernet-es Wenglor FIS-0830 kódolvasót, amik pharmakódot olvasnak. Ezekkel IP cím alapján megoldható a kommunikáció?A PLC-nek triggerelni kellene, ami megoldható ethernet nélkül is. Viszont trigger után a beolvasott kód értékét kellene megkapnia a PLC-nek. És én a PLC programban tudnám összhasonlítani a beírt és beolvasott kód megegyezik-e. Laptoppal összekötve a kódolvasót, triggerre a terminálon folyamatosan írja a beolvasott kódot, tehát etherneten ott van.
2 dolog van amit nem értek egyenlőre.
- Az Omron beépített Ethernet portja milyen kommunikációra képes?
Kell-e a CP1W-CIF41, vagy a CP1W-EIP61.
- Illetve, hogy a kódolvasó hogyan küldi az adatot.Köszönöm a bárminemű segítséget!
-
molntomi
csendes tag
válasz
Mazsika
#7019
üzenetére
Szia,
Folyamatos töltés van 2 töltőszáron, és egy nagyobb Puffertartályból, szivattyú tolja be az adagot a gép kisebb puffertartályába.
Hogy miért kell 2 szelep nem értem, feleslegesnek tűnik az egyik, bár arra gondoltam, hogy az egyik a túlfolyón van, ha felmegy bizonyos bar-ig a nyomás a tartályba akkor ott leengedné, de ezt a programkódban nem látom.
-
moseras
tag
válasz
molntomi
#7015
üzenetére
Üdv!
Ha jól értem a skálázó blokkjaidat, akkor megméred a nyomást egy külső jeladóval, a felső skálázó blokk ezt számmá alakítja, aztán ezt a számot a másik skálázó blokkal visszaalakítod az analóg kimenetnek megfelelően,
illetve ezt az analóg kimenetet rávezeted a Festo szelep alapjelére, az alapjel bemenetére.Ennek így mi értelme van ? Szerintem semmi.
A mért értéket nem lehet beadni az alapjel bemenetre, az alapjel bemenetre az alapjelnek megfelelő feszültséget/áramot kell beadni.
A másik, hogy a linkelt pdf alapján, bár ilyen szelepet még nem láttam, de szerintem ebben van egy zárt hurkú szabályzás (valószínű, hogy egy PID). Ennek csak alapjelet kell adni 0-10V vagy 4-20mA formájában. Maga méri a tényleges nyomást, és szabályoz is egyben.
Ha így van, akkor amit mérsz nyomást, azt ki kell rakni a kijelzőre. Aztán a kijelzőn bekérni a Setpointot is, azt feszültségre/áramba konvertálni, beadni a Festonak, aztán próba.
Itt egy videó, beadja a feszt, és tartja a nyomást:
De lehet, hogy rosszul értem, hogy mi a célod. Azt én sem értem, hogy miért kell kettő szelep.
Imi.
-
Mazsika
őstag
válasz
molntomi
#7015
üzenetére
Valóban nekem is az lenne a logikus, hogy az egyik szeleppel nyomást lehet elengedni, bár ha folyamatosan töltitek a terméket akkor a nyomás esés úgyis folyamatos.
Kétlem, hogy azzal a két blokkal meg tudod oldani, hiszen azok csak skálázzák az analóg értékeidet (pl 0-27648 analóg érték -> 0-6 bar).
Neked biztos, hogy kellesz egy PID szabályzó. Szirty honlapján találsz egy nagyon jó kis leírást, példaprogrammal együtt, azzal szerintem könnyedén meg tudod oldani. -
Szirty
őstag
válasz
molntomi
#7015
üzenetére
Szerintem a skálázással nem tudod megoldani.
Ha egyszerű lenne a megoldás, akkor valószínűleg a gépgyártó programozója megoldotta volna.Nem azért van két prop. szelep, mert az egyikkel növelni lehet a nyomást a tartályban a másikkal meg leengedni belőle?
Talán PID vezérlőben gondolkoznék én is...
-
molntomi
csendes tag
Kapkodva írtam meg a kérdést, de szeretném akkor pontosítani kicsit.
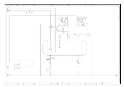
SIEMENS típus: S7-300 IM151-7 CPU
Analóg értékek: 4..20mA
Tartály mérete: 60L, 1-3barA töltőgéppel 2,5kg . 5kg . 10kg termékeket töltünk.
Eredeti felépítés szerint:
PIW418 - Mérem a nyomását a tartálynak (Negele típusú)
PQW624 - FESTO Proporcionális szelep
PQW626 - FESTOProporcionális szelepFESTO pp szelep: [link]
A két proporcionális szelep segít a túlnyomást tartani a tartályban, egyik a tartály tetején található, a másik pedig a túlfolyón.
A gond vele elég sok, nem megfelelő kialakítás, nyomás változás, stb..
A gépgyártó programozója próbált vele valamit kezdeni 2 éve, én még nem dolgoztam itt, csak az elmondottak alapján nem sok sikerre jutott.Amit én szeretnék:
Tartályt átalakítva egyszerű túlnyomásos tartályt kialakítani, szerintem felesleges két pp szelep is.
Ez egy kezdő projekt, de a programozásban szeretnék már utána járni, hogy is működhetne.Elvárás: Kezelő a felületen beállít egy nyomás értéket, és ez legyen a nyomás a tartályban, de nehezen indulok el vele.
A kérdésem, hogy elég egy FC105,FC106 függvény hívás, vagy nagyban függ az eszközöktől mivel lesz megvalósítva, ha van ötlet örülnék példának is mivel valósítanátok meg.
-
Onishi
tag
Sziasztok!
Csinált-e már valaki közületek WinCC(SCADA) és SAP közötti kommunikációt?
Az SAP-sok Webservice-t akarnak használni, amiben nincs tapasztalatom. Ahogy nézem erre nincs beépített funkció WinCC-ben. Egyedi programot kéne rá gondolom fejleszteni.
Mi javasoltuk az OPC-t arról meg nem is hallottak, pedig azt biztos hogy tudja az SAP. Az lenne a legkézenfekvőbb szerintem.Valaki otthon van esetleg Webservice-ben? Megoldható WinCC-ben egyáltalán?
Köszi előre is.
-
molntomi
csendes tag
Sziasztok!
Siemens-es kérdésem lenne.
Kb. 60 literes túlnyomásos tartálynak a nyomás programozásához kérnék segítséget.
Töltőgéphez tartozik a tartály, folyamatosan ürül, szivattyú pedig tolja bele, így tartva a szintet.
A gond, hogy a nyomás ingadozó.Csak logikájába szeretném megérteni, FC105 és FC106-al meglehetne ezt oldani egyszerűen?
Köszi a válaszokat.
-
crucified
tag
Sziasztok, a lenti Sinumerik NCU-hoz ha TIA Portal V13-ban hozzá szeretnék férni, mit kell letöltenem (hw update, gsd file) ?
https://support.industry.siemens.com/cs/products/6fc5372-0aa30-0aa1/ncu-720-3pn-with-plc-317-3-pn-dp?pid=506713&mlfb=6FC5372-0AA30-0AA1&mfn=ps&lc=en-HU
Köszi előre is
üdv
-
m_zoli
csendes tag
Hello!
Szerencsére az én esetemben max: 900 sec lehet az idő, így beférek a tartományban.
Köszönet az általad írt megoldásért, hamarosan egy hasonló "kiváltás" esetében szükséges lehet.
Egy biztos jobb lesz ragaszkodni a Siemens PLC - Siemens Touch -hoz, jó pár felesleges kört/időt spórolunk.
(kivéve ha a megrendelő nem nyeli le) Köszönettel. -
Szirty
őstag
Vagy így:
.
L 2#10000000000000 //Időalap 1s-re
T #OUTTMP
L #IN
T #INTMP
// Ha #IN negatív vagy nagyobb 9990-nél, akkor 0 értékkel kilép
O(
L #IN
L 0
<I
)
O(
L #IN
L 9990
>I
)
JC END
//Ha #IN nagyobb 999-nél, akkor beállítja az időalapot 10s-re (egyébkélnt 1s marad)
//és elosztjuk 10-el bemenő adatot
L #IN
L 999
>I
JCN CNV
L 2#11000000000000 //Időalap 10s-re
T #OUTTMP
L #IN
L 10
/I
T #INTMP
// A bemenúő adatot BCD-be konvertáljuk
CNV: L #INTMP
ITB
L #OUTTMP
OW
T #OUTTMP
END: L #OUTTMP
T #OUT
SET
SAVEPersze az ilyen másodperc alapú konverziónál vigyázni kell, mert 16 perc 39 másodperc után (999 sec) már 10 másodperces az időalap. Tehát 1000, 1001, 1002, 1003, 1004, 1005, 1006, 1007, 1008 és 1009 is egyformán 16 perc 40 másodpercet fog adni, 1010 meg 16 perc 50 másodpercet egészen 1019-ig, és így tovább...

-
m_zoli
csendes tag
Hello!
Igen S7300 313C az Új PLC, A Touch Egy DELTA DOP-B lenne, legalábbis most ez van a polcon.
Az MPI komm. az működik ill. a címzések is.
És igen teljesen újra kell írni a toucht, mind a közzel 200 paraméterrel.
Pár órát már monitoroztam ill. írogattam a Touch - DB címeket. A mentett projekt a címek(analóg) átírását követően első nekifutásra betöltődött az új PLC-be, (kizöldültünk).
Az első gond hogy pár "DBW" S5Tim-re van beállítva, és a szóban forgó touch nem igazán kezeli, mint adatforma. Egy-egy " S5Time, DBW-t sok helyem használja a program , mint létrában ill , SCL, STL.
Milyen megoldással lehetne megoldani az S5Time/DBW-t a touch-on keresztül? ha maradna a Delta touch? -
Szirty
őstag
C7-300 313C?
Nem S7-300 CPU313C?
Gondolom igen. A kérdés az hogy milyen operátorpanel menne mellé? Mert ugye a C7-623 azt is tartalmaz.
Főleg azzal lesz bajod. Sajnos a helyzet az, hogy ha nincs meg a HMI forrás project, akkor azt nem tudod átemelni másfajta panelre akkor sem ha van image mentés. Újra meg kell írni.
Új hozzászólás Aktív témák
- Milyen TV-t vegyek?
- Megérkezett a Google Pixel 7 és 7 Pro
- Az év első felében érkeznek az AMD CES-en eltitkolt újdonságai
- OnePlus 15 - van plusz energia
- AliExpress tapasztalatok
- Linux haladóknak
- Kerékpárosok, bringások ide!
- Gaming notebook topik
- Kegyvesztett lehet a Radeon termékskála középső tagja
- Milyen légkondit a lakásba?
- További aktív témák...
- GIGABYTE GeForce RTX 5080 AORUS MASTER 16GB GDDR7 256bit 3+1 év Alza garancia
- NZXT Kraken 360 (RL-KN360-B1) GARANCIA MÉG 50 HÓNAP!
- Samsung Galaxy tab A8 SM-X200 10,5 " tablet
- 480-512GB bontatlan M.2 NVMe SSD-k eladók GARANCIÁVAL/SZÁMLÁVAL (a Te nevedre kiállítva)!
- Corsair VENGEANCE 64GB (2x32GB) DDR5 6400MHz CL32 (98 HÓNAP GARANCIA)
- Honor Magic 4 Pro 512GB,Újszerű,Dobobzaval,12 hónap garanciával
- 199 - Lenovo Legion Pro 5 (16IAX10) - Intel Core U9 275HX, RTX 5070 (ELKELT)
- HIBÁTLAN iPhone 14 Pro 128GB Space Black -1 ÉV GARANCIA -Kártyafüggetlen, MS3590
- LG 83B4 - 83" OLED - 4K 120Hz 1ms - NVIDIA G-Sync - FreeSync Premium - HDMI 2.1 - PS5 és Xbox Ready
- BESZÁMÍTÁS! LENOVO ThinkPad P15 Gen 2 munkaállomás - i7 11850H 16GB DDR4 1TB SSD RTX A2000 4GB W11
Állásajánlatok
Cég: Central PC számítógép és laptop szerviz - Pécs
Város: Pécs
Cég: PCMENTOR SZERVIZ KFT.
Város: Budapest




