PROHARDVER! témák
Mobilarena témák
IT café témák
-
Fototrend
OLED Televíziók - témaösszefoglaló
Új hozzászólás Aktív témák
-
Vhiktor
Topikgazda
Kis érdekesség.
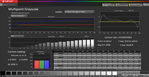
Alaplap csere után LG C1 SDR Filmmaker képmód mérési eredményei:
Mint látható az alaplap csere hatalmas kihatással van a gyári kalibráció minőségére, a maximális deltaE eléri a 8-at, míg az átlagos a 4,5-et. A max deltaE egyébként a gyárból kijött modellek esetében 3, nagyon maximum 4 körül szokott mozogni.
Szóval az oké, hogy cserélnek alaplapot hiba esetén, de ez a csere alapjaiban változtatja meg a színeket.
Új hozzászólás Aktív témák
Topikgazda
Aktív témák
Új fizetett hirdetések
- LG OLED 65G4 - 165cm, 4k - szépséghibás - ÁRON ALUL
- LG OLED55G43LS Gyári Garancia Számlával
- LG 83B4 - 83" OLED - 4K 120Hz 1ms - NVIDIA G-Sync - FreeSync Premium - HDMI 2.1 - PS5 és Xbox Ready
- Hisense 65A85H 4K Ultra HD Smart Dolby Vision IQ , Dolby Atmos 120Hz Gaming OLED TV
- Karácsonyi Akció ! PHILIPS Ambilight 48OLED759/12 4K OLED Smart 120Hz Gaming TV
Üzleti előfizetők hirdetései
- GYÖNYÖRŰ iPhone 14 128GB Midnight -1 ÉV GARANCIA - Kártyafüggetlen, MS4248,100% Akksi
- Xiaomi Redmi 14C 256GB, Kártyafüggetlen, 1 Év Garanciával
- BESZÁMÍTÁS! ASUS ROG B760 i9 14900K 32GB DDR5 1TB SSD Asus ROG RTX 3090 24GB Zalman Z1 1000W
- Vásárlunk iPhone 12/12 Mini/12 Pro/12 Pro Max
- AKCIÓ!! HP Zbook Studio G8 i7-11850H 32GB 512GB Nvidia Quadro T1200 400NIT, 100% sRGB Garis!
Állásajánlatok
Cég: Laptopszaki Kft.
Város: Budapest
Cég: PCMENTOR SZERVIZ KFT.
Város: Budapest

Vhiktor
