-
Fototrend
Motoros topik

Hirdetni a Hardveraprón lehet, nem a topikban!
Országos motoros rendezvények
Új hozzászólás Aktív témák
-
baboss
őstag
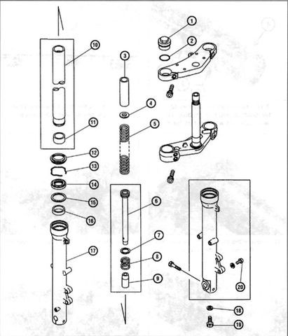
Neki álltam az első teleszkóp olajcserének. Rögtön az elején jól megjártam. Kilazítottam a jobb oldalon a felső rögzítő csavart, majd kiszedtem, majd a bal következett, amint kijött a felső csavar, ( ami el is repült valahova amit azóta se találtam még meg ) a teleszkóp össze esett és eldőlt a motor, nem lett semmi baja. A bukócsőnél felbakoltam a motort. Leszereltem a fékeket, kivettem a kereket, leszereltem a sárvédőt, kivettem a teleszkópot. Amikor összeset a teleszkóp kijött egy pár alkatrész és most nem tudom mi milyen sorrendben volt.

Logikusan összeraktam, de van 1 kis rugó aminek nem találom e helyét, és nem is tudom mi lehet a szerepe, ha berakom a fém csőbe akkor csak kotyog benne átmérőre kisebb mint a hosszú rugó.
Service manualt csak Zephyr 550 es hez találtam, ahol nincs is benne ilyen kicsi rugó. (Lehet, hogy már barkácsolt valaki rajta és berakta a hosszú rugó után, hogy erősebb legyen a rugója ?)
Valaki tudna egy rajzot küldeni, Kawasaki ZR Zephyr 400. 1992-es.
A másik gondom, hogy a teleszkóp alján van egy leeresztő csavar, amit hiába tekerek kifele, nem jön ki egyik sem, csak forog körbe.
Kivettem a pórvédő, majd a biztosító gyűrűt, majd megpróbáltam szétszedni, de meg se mozdul.
Satuba befogtam az alsó szárat, majd húzogattam a felsőt, de nem akar kijönni.
Megnéztem 1 pár videót és elvileg ki kellene jönnie. -
Xaels
félisten
Csepeli átjáró után a Helsinki 81-nél motoros rongyolt az Alfa hátuljába. Kocsi, motor rommá törve. Motoros ahogy láttam rendben lesz. Ha valaki ismeri, jobbulást innen is.
-
Gaboman
nagyúr
válasz
zsolti_20
#83897
üzenetére
Ha veszel akkor érdemes a KTM Supercomp 620-at, legközelebb van az üzemórás motorokhoz de mégsem az.
Ezzel a típussal még VB-t is nyertek 1998-ban, 1.6 liter olaj megy bele, a legkisebb tömeggel és a legnagyobb teljesítménnyel próbálták megoldani úgy hogy ne legyen üzemórás.
Keihin FCR41-es versenykarburátor van rajta, igazi átmenet a lassú és nehéz és a könnyű és üzemórás versenymotorok között. -
Gaboman
nagyúr
válasz
zsolti_20
#83893
üzenetére
A két motor alapvető különbsége hogy az EXC 400 üzemórás az LC4 620 pedig nem.
Terepen az EXC sokkal jobban motorozható, könnyebb, rövidebb motor, szlalomozni, éles kanyarokban nagyobb tempóval bemenni is könnyebb vele.
Itt a kérdés az hogy megéri e, mivel üzemórás sokkal sűrűbb karbantartást igényel és a blokkfelújítás is hamarabb fog megtörténni.
Persze ez akkor igaz csak ha a 620 jó állapotban van, mivel már régi típus ott is elképzelhető hogy hamar lesz felújítás.
Egyszóval, jobb motor terepen ehhez kétség nem fér, a másik oldalát neked kell megfontolnod. -
fodin
tag
válasz
Kolondrum
#83877
üzenetére
VII. Szezonnyitó Motoros Gurulás volt, én is a korábban linkelt rendezvények között találtam meg.
-
zsolti_20
senior tag
Sziasztok! Valaki tudja melyik motor ajánlatosabb inkább? KTM 400 EXC vagy KTM 620 LC4? Motor vásárlás előtt állok , és mind két kategória nagyon tetszik, de mégsem tudok dönteni, melyik alkalmasabb inkább terepre?

-
Imy
veterán
Sziasztok!
Milyen motoros tartót ajánlatok SV650S-re (2000)? Nagyon sok hely nincs sajnos, és rögzíteni is nehéz.
-
dugynok
senior tag
válasz
CyberPunk666
#83888
üzenetére
Keress másik kiegészítőt Kodi-hoz, van sok ami sporttal foglalkozik, bár inkább külföldi.
-
vlevi
nagyúr
válasz
CyberPunk666
#83885
üzenetére
Azért mert te MotoGP-t néznél, de jó lesz helyette a hokizás is.
-
CyberPunk666
senior tag
ezen a spílerszartv-n miért megy mindig más műsor, mint aminek kellene?

-
baboss
őstag
válasz
Topiccsendőr
#83880
üzenetére
Köszönöm a kimerítő választ, de nekem egy pár része kínai volt.

Leegyszerűsítve maradjak az idáig használt CASTROL POWER 1 4T 10W-40 nél, vagy váltsak Motul 5100 4T 10W-40 re ? -
Bogyó bá'
nagyúr
válasz
Topiccsendőr
#83881
üzenetére
![;]](//cdn.rios.hu/dl/s/v1.gif)
-
Topiccsendőr
addikt
a rezfaszu baglyok elfaradtak a dekli alatt, es neha raharapnak a fotengelyre, mert mar nagyon meleguk van.
olyankor all meg a motor, mert tul nagy lesz a lendtomeg hirtelen. de nem biztos, szet kell szedni, es meg kell nezni. de ugy, hogy a reszfaszu baglyok ki ne repuljenek. -
Topiccsendőr
addikt
válasz
baboss
#83874
üzenetére
a szintetikus olajoknak 3 fo csoportja van.
PAO alapolaj
PIO alapolaj
es eszterolajebbol ketto tipus a legelterjedtebb, PAO es eszter. (pl motulnal a dupla eszter reklamnev alatti az ugynaevezett dieszter)
A PAO nem rendelkezik feluletaktiv tulajdonsaggal, azaz apolaros, es mersekelten adalekolhato.
nem tartalmaz paraffines osszetevoket, kent, foszfort. viszkozitasindexe nagy, dermedespontja alacsony.
eszterrel szemben hidrolitikus stabilitasa kivalo.
jol elegyedik koolaj eredetu alapolajokkal, asvanyi olajbol eloallitott adalekokat korlatozottan oldja.
oxidacioval szembeni kis ellenallas, (adalekolhato)az eszterolajnal viszont az eszterkepzesi reakciok reverzibilisek, bizonyos esetekben ez savkepzodeshez vezethet. (hidrolitikus stabilitas)
polaros, azaz jo feluletaktiv tulajdonsaga van, jo a feluletnedvesitese, nem kell annyira adalekolni,
kis parolgasi hajlama van, a kopasgatlo EP adalek abszorpcioja korlatozott,
(ez a motul, eszter alapu tesztben meg is mutatkozott, az atlagon aluli valtovedelem es a rossz korrozivedelem egyertelmuen kiolvashato volt a szamokbol)
hostabilitasa kisebb, mint a PAO olajoknak.
mersekelten elegyedik koolaj alapolajokkal, korlatozott tomitessel valo osszeferhetoseg (adalekolhato)
korlatozott festekekkel valo osszeferes.a viszkozitasosztalyok kozul azt valaszd, amelyik a legkisebb hidegoldali viszkozitassal rendelkezik.a melegoldali viszkozitas legyen a gyar altal megadott.
lehetoleg csak szintetikus olajat valassz, az asvanyihoz kepest sokkal jobb kenesi tulajdonsagai miatt. -
wttfw
tag
Sziasztok!
Van egy Suzuki RF400-am. Bemelegedés után leáll. Olyan mint ha lefulladna, az sem segít ha próbálom tartani a fordulatot, vagy pörgetni. Volt rajta nem rég egy karbi állítás. Szerelő szerint független a két dolog egymástól, de nem tudja mi baja.

Szerintetek mi lehet?
-
Micsurin
nagyúr
válasz
Bogyó bá'
#83876
üzenetére
Eddig majd hat ezret töltöttünk együtt, tavaly négyet idén nem egész kettőt.
A fékek voltak amik nem jöttek be de egy hete cseréltem elől betétet (miután tasitól eljöttem), és RMS volt benne, most EBC-ket vettem előre azokkal egész jó, de nem az igazi azért.
Nagyon szeretem a kis dögöt úgy összességében egyébként!
4,5-5,5 közt eszik ami egész kellemes még diák pénztárca mellé is, egy személlyel kiváló, kényelmesen viszi a 120-at (5-ben 7500-8000-ret pörög 130-nál, 10.500-nál tilt, még a piros rész előtt, szóval meg se szakad. ), ha nagyon megkergetem akkor 160-170-et még kiköhög. Ehhez hozzájön vagyok cakkom pakkom 75kg. 
Utassal mondjuk nem az igazi... azt nem szereti, ha barátosné felül akkor olyan 110 az ami még kényelmes.
Az állítható USD villa ehhez a súlyhoz meg hihetetlen jó, azóta főleg így érzem mióta ültem haverom 2011-es CBR250-jén.
+ ami érdekes és nem tetszik.
Amikor vettem szinte új volt a láncszett, D.I.D szett. Hat ezer alatt is már érezhetően nyúlt és lassan fél állásban vagyunk.Nagyjából ezek amiket eddig szereztem vele mint tapasztalatok.

Ha váltók egy vagy két év múlva még hezitálok de lehet a nagyobb testvére lesz.(Vagy édesapám nyomására egy hornet....) -
Mi volt ez az 1000 motor a vácin? Felvezetéssel. Én meg hát nm várok csatlakoztam, igaz mellettük mentem kcsit gyorsabban, próbálták mondani, hogy ne ott hanem velük, de nem magyarázom, hogy nem velük vagyok. Gyök2 vel tiltáson pörgettek gépeket... Nem ment az azonosulás velük. Videón rajta vagyok amit a jard csinált.
-
Micsurin
nagyúr
válasz
Bogyó bá'
#83871
üzenetére
Hát, a Dunakanyar (Vác,Kismaros, Nagymaros,Zebegény) ma is tömve volt, ha nem jöttek szembe 5-10 percenként valaki akkor senki nem volt...

Jó idő volt, de azért a vége fele már volt egy két vészjósló felhő.
Jó tudni: Kismaros - Nagymaros közt jó hosszú (...a VÉDA kapu környéke) darabon csak az egyik oldalt lehet közlekedni mert fel van bontva és marva a másik oldala.
Vissza fele volt érdekes és necces.... Csomád előtt megint nem működik a fénysorompó, és meglepett a vonat egy helyes kürt szóval.
Kíváncsi lennék ezt hol lehet például bejelenteni. -
baboss
őstag
Kawasaki Zephyr 400, 1992.
Olajcsere előtt állok. Idáig a sógorom tanácsára CASTROL POWER 1 4T 10W-40 használtam, ami szintetikus.
Azt olvastam, hogy észter bázisú az ajánlott hozzá.
Service manual szerint, Oil type: API SE,SF,SG. Oil viscosity: SAE 10W40 / 10W50 / 20W40 / 20W50, most melyiket válasszam ? Olajat nem eszi, nem kellett utána töltenem soha.
Ezt néztem ki. Motul 5100 4T 10W-40
Teleszkóp olajból milyet vegyek, és mennyi kel bele ? Manual szerint 10W20 ?
Köszönöm.
-
baboss
őstag
Végül én nem mentem sehova, a fiam nem akart velem jönni, a lányom dolgozott, a párom babázott. Egyedül nem volt kedvem elindulni, pedig az idő gyönyörű, hajnal 2 kor még fent voltam és eset, reggel 9 kor már sütött a nap.
-
Bogyó bá'
nagyúr
A mai kanyar elég lightos lett, de ennyi hiányzott csak az olajcseréhez. Ez utóbbi is elkövetve.

Érdekes, a jó idő ellenére is alig találkoztam ma motorossal: 9:30 körül indultam, délig egyet sem láttam, aztán Sásdon egy 3 fős brigád, majd még összesen 3 fő egyenként. Mi van ilyenkor, senki nem motorozik?!
-
Bogyó bá'
nagyúr
válasz
-Mosquito-
#83867
üzenetére
Kösz mindkettőtöknek az infót!

-
-Mosquito-
őstag
válasz
Bogyó bá'
#83864
üzenetére
Tavaly voltunk. Ott akkor van lezárás ha pl sok hó illetve eső esik. Pl [link] Ilyen is volt Somáékkal 2014-ben. [link] Transalpinán ahogy majdnem eléred Obársia Lotruluit kb 1km-en nincs aszfalt hanem murva van! [link] Sokkal szebb mint Transfogaras!
Időjárást nézd, xar időben felesleges felmenni.Illetve 7A Brezoi felé ha nem túra endurod van akkor arra nem ajánlott menni. -
baboss
őstag
Holnapi programom [link]
-
vlevi
nagyúr
válasz
Bogyó bá'
#83864
üzenetére
Pontosat nem tudok, de, mivel kb ugyanolyan magas, és ez az időjáráselőrejelző oldal [link] még -9 fokokat is ír, én még nem erőltetném...
Egyébként érdemes megnézni. A teteje még nincs annyira "belakva", mint a fogaras, mert az már kezd túristalátványosság lenni, a szó rossz értelmében (bódés árusokkal tele), a transalpina az szinte töküres, csak te és a fekete aszfalt. És az alján nagyon jó kanyargós szakasz van. -
Bogyó bá'
nagyúr
A szerencsétlen, vétlen autóst sajnálja már valaki legyen szíves, aki a sok hülye f*sz motoros miatt halt meg, égett benn a kocsijában.

-
imibogyo
veterán
Szomorú az ilyet látni. És lehet nyugodtan g...cinek tartani, de nem a motorosra értem... Aki veszélyesen él, előbb, vagy utóbb de megkapja ami jár.
A kamerás autóst pedig simán nem értem. Minden autó lehúzódik ő meg ott marad, miközben neki is látnia kellett, hogy nem egy száguldozó jön felé. A második motoros simán megúszhatta volna (főleg ha előbb fékezett volna)...

-
kcsa
veterán
Oroszul tudó kolléga szerint a kommentek között írják hogy az ott egy láb, mindkét motoros, és az első autós is meghalt, az autós speciel bennégett mert nem tudták kiszedni.
-
Bogyó bá'
nagyúr
válasz
CyberPunk666
#83853
üzenetére
Számold hozzá a vétlen autóst, aki esetleg a családjával együtt bennégett a roncsban....

-
-
-Mike-
addikt
Mekkorát repül a motoros majd fejjel ér földet... kemény.
[link] -
zsolti_20
senior tag
Sziasztok! Azt esetleg tudja valaki hogy KTM 620 LC4-nél miért van kicsit magasabb alapjárat? kb 1400.
-
zsolti_20
senior tag
Sziasztok! Valaki esetleg tudja hogy svájci papíros motort hogyan lehet forgalomba helyezni itthon?
-
HSM
félisten
válasz
Topiccsendőr
#83838
üzenetére
Ennél olcsóbban nincs "élménymotor".

-
Horvi
őstag
válasz
Topiccsendőr
#83838
üzenetére
Persze mert már alkuszol rá, hogy legyen bontott alkatrészed
![;]](//cdn.rios.hu/dl/s/v1.gif)
-
demars
addikt
-
Bogyó bá'
nagyúr
válasz
Topiccsendőr
#83834
üzenetére
Ez a 125-ös nem 11kW-os, így A1-gyel nem vezethető. Ha A2 vagy A jogsi van, akkor viszont kezdő motornak sem 125-öst szerintem....
-
Topiccsendőr
addikt
válasz
Topiccsendőr
#83834
üzenetére
hoppa, ez rendszamos.
akkor meg plane megeri! -
Topiccsendőr
addikt
válasz
Bogyó bá'
#83812
üzenetére
szerintem megeri. bar van 2004 es, eggyel ujabb generacios, olcsobban, ugyanigy papirok nelkul, az meginkabb.
pro
- ezt a vazat, feket, futomuvet 400 kobcentis eroforrasig terveztek, manapsag sem kapsz ilyen minoseget ekkora kobcentinel
- a rotax 122 123 blokkok eleg strapabiroak, es a mostani motorokhoz a literteljesitmenye a holdon vankontra
- mindaz amit a pro nal felsoroltam, egy akar 20 eves kiskobcentis motorra vonantkozik, de uj koraban.
nem eppen rengeteg tinedzser, penztelen, hozzanemerto tulajjal a hata mogott.
- egy motorblokk felujitast sokfelekepp lehet csinalni. megperselyezett hengert is meg lehet szakszeruen csinalni. sokszor a vashengerhez nem korultekintoen valasztanak dugattyut es gyurut, ami csokkenti a motor ellettartamat.
nikaszilos hengereket 25-60 000 forintert lehet kapni, erre jon egy minosegi wertex, wössner dugattyu 25-30 000 forintert. gyarilag nagy a kompresszioviszonya a blokknak 12.5:1, egy hozzanemerto egy kipufogocserevel konnyeden a henger falara kenheti a dugattyut.
tovabbi hibalehetoseg a hajtorud tugorgo. a fotengelyt szakszeruen fel kell ujitattni, nem eleg csak a dugattyut es hengert cserelni. egy hajtorudszett a wössnertol, ami velemenyem szerint a rotaxnal jobb, 27 000 tol indul.
szakszeruen gondozva megolhetetlen a blokk. (ez pro)ezeket osszeveve, nem tudom elkepzelni, hogy egy 200 000 forintos motor jo allapotban van.
alapnak tokeletes.ha ezeket a koltsegeket nem szeretnenk vallalni, (megis ki szeretne barmilyen koltseget vallalni) javaslom a 125 negyutemu kategoriat, ahol az ugyanilyen kitarto uvegeles hatasara , ugyancsak sokat ero sztereotipiak ellenere tonkre megy a blokk, csak nagyon sokaig nem tunik fel. miutan peldaul a 4T gyenge pontjanal, a hengerfejnel akkora bajok vannak, hogy felszinre kerul a hiba, kezdhetunk kolteni arra is, ha megeri egyaltalan. tehat ennel a kategorianal a koltsegeket atdobjuk egy kicsit messzebbi idopontra, de nem ikatattuk ki a kepletbol!
raadasul ezido alatt vegig elaludtunk a motoron, mert egy fos gyenge szar.tehat kezdonek nem javaslom. sot senkinek.
ne vegyetek ilyen szart, es terjesszetek hogy problemas, szeretnek olcson hozzajutni alkatreszekhez. -
válasz
CyberPunk666
#83827
üzenetére
53, kb fél éve meg lett mérve, mégis most semmi sem jó.
demars! De nem nagy motorhoz.
-
BoB
veterán
válasz
horvathkrisz
#83828
üzenetére
Gondok vannak nálad ha az ujjazásról a körülmetélés jut az eszedbe
![;]](//cdn.rios.hu/dl/s/v1.gif)
-
horvathkrisz
addikt
válasz
CyberPunk666
#83827
üzenetére
Elsőre körülmetélést olvastam.
![;]](//cdn.rios.hu/dl/s/v1.gif)
-
válasz
Topiccsendőr
#83824
üzenetére
Jogsizik meg kell oldani. Nincs bélés vagy valami?
-
Olyankor mit lehet tenni ha a bukósisakbol egyik sem jó? Mármint az sx-es olyan kicsi, hogy több ujja befér a homlokánál. Lötyög. Gyerek bukót meg nem vehet fel.
-
Gaboman
nagyúr
Szia!
Ha valóban fel lett újítva és tényleg jó állapotban van akkor meg.
Itt a kérdés az hogy valóban fel volt e újítva, az ilyen motorok 90%-ban mindenki így hirdeti, ennek a valóságalapja kevés.
A teljes felújítás mit takar nála, ez egy fontos kérdés, mivel ha a blokkon történt akkor közel annyiba kerül mint amennyiért ő hirdeti az egész gépet.
Számomra túl olcsó ahhoz hogy ez így igaz legyen, bár igaz lenne mert akkor nagyon jó vétel. -
baboss
őstag
Nekem ez fér bele az olajcserébe.
V.Stryker Veled voltam, Besztercebánya után elmentünk valamilyen tóhoz és ott kajáltunk. Beletudnád rakni az útvonaltervbe ?_Én nem találom.
[link] -
baboss
őstag
Szombatra tervez valaki valamilyen karikát ?
-
Bogyó bá'
nagyúr
Ő szereti az Apriliát, a 2 ütemet, meg úgy egyáltalán a széthullós-csörömpölős olasz vasakat.
Kíváncsi vagyok a pro- és kontra érveire! 
szerk: azt én is sejtem, hogy egy ilyen huszonsok éves olasz motor birtokba vétele úgy kezdődik, hogy költs rá még fél milliót, ha használni is akarod. Az sem hátrány, ha van saját kőolajfinomítód.
![;]](//cdn.rios.hu/dl/s/v1.gif)
-
Bogyó bá'
nagyúr
válasz
Topiccsendőr
#83809
üzenetére
Legyen a hosszú, tanulunk belőle!

-
válasz
Gaboman
#83807
üzenetére
Én annyit fűznék hozzá, hogy az akkori csopvezem swiftel kivitt a cégtől a főútig. Halálfélelmem volt, pedig nem ment gyorsan. Ugyan azzal a sebességgel motorral is próbáltam, lassúnak éreztem. A másik amikor Tasi vitt a kompresszoros merzsóval, ott is csak 1x álljunk meg... Amikor motorral jöttem el tőle ugyan ott ugyan az a sebesség nem tűnt soknak, éppen megfelelt. Értsd 100 fölött. Számít miből nézzük a dolgot.
Az alapszabály, ha nem tartja az általam elképzelt tempót akkor akadály, amit amint lehet ki fogok kerülni. Minél lassabban halad az elképzelthez képest annál hamarabb fogom így vagy úgy. A cikk maga sztem jó, próbál elmondani valamit, de igazságot nem tesz. -
Gaboman
nagyúr
válasz
Kolondrum
#83806
üzenetére
A válasz nagyon egyszerű, már egy 70-80 lóerős motoron ülve olyan mintha autóból lenne 300-400 lóerős.
És hidd el nekem, 300-400 lóerős autókkal is sok gyorshajtásos eset lenne.
Mivel senki nem azért vesz ilyen erejű autót hogy mindig betartsa a sebességhatárt.
Nem is lehet velük mint ahogy a motorral sem, vagyis a motorosok 90% felett nem tartja be.
És akkor még nem is beszéltünk az igazán erős gépekről, senki ne legyen álszent, nem azért vesz a segge alá ilyen motort mert 90-el fog vele menni, hiszen 1-ben 160-nál tiltanak. -
S.J.
tag
sziasztok!
erről a motorrol mit gondoltok? Kezdő vagyok teljesen

https://www.hasznaltauto.hu/motor/aprilia/aprilia_rs_125-11399507
Megérhet ennyit?
-
BoB
veterán
válasz
Topiccsendőr
#83801
üzenetére
De ő nem esett el

Egyébként szerintem az a műanyag rész konkrétan az összes csizmán hasonló vastagságú / keménységű lehet.
Új hozzászólás Aktív témák
Rokon topikok:
• Robogó, kismotor
• Nagyrobogósok baráti topikja
• Elektromos autók - motorok
- Úgy állhat le a 16 GB-os GeForce RTX 5060 Ti gyártása, hogy közben nem áll le
- Kormányok / autós szimulátorok topikja
- Két generációval korábbi GeForce gyártása indulhat újra
- Milyen routert?
- sziku69: Szólánc.
- sziku69: Fűzzük össze a szavakat :)
- CES 2026: valóságos képkockagenerálók lesznek a modernebb GeForce-ok tavasszal
- GoodSpeed: Te hány éves vagy?
- Bár zajlik a CES, de nézzünk pár pletykát az új iPhone-ok kapcsán is
- HiFi műszaki szemmel - sztereó hangrendszerek
- További aktív témák...
- Xiaomi Electric Scooter 5 Max hosszú garancia + gyorstöltő, azonnal vihető
- Eladó új, hibátlan állapotú, EGYSZER SEM HASZNÁLT ASUSINSEARCH OF INCREDIBLE EXTERNAL SLIMDVD-RW SDR
- Xiaomi Roborock S6 Pure robotporszívó hibátlan állapotban.
- Xiaomi Mijia Smart Socket Plug kínai WIFI-set keresek
- Új! AKRacing Premium Master gamer szék
- Dell Precision 5520 15,6" FHD, Xeon E3-1505M v5, 16GB RAM, Quadro 4GB VGA, SSD, jó akku, számla, gar
- SanDisk Extreme Portable 8TB (SDSSDE61-8T00-G25)
- Minden szoftver mellé teljesen audit és NIS2 biztos, jogilag hiteles licencigazolást adunk át!
- Telefon felvásárlás!! iPhone 11/iPhone 11 Pro/iPhone 11 Pro Max
- iPhone 13 mini 128GB Green -1 ÉV GARANCIA -Kártyafüggetlen, MS3897
Állásajánlatok
Cég: PCMENTOR SZERVIZ KFT.
Város: Budapest
Cég: Laptopszaki Kft.
Város: Budapest





![;]](http://cdn.rios.hu/dl/s/v1.gif)

4,5-5,5 közt eszik ami egész kellemes még diák pénztárca mellé is, egy személlyel kiváló, kényelmesen viszi a 120-at (5-ben 7500-8000-ret pörög 130-nál, 10.500-nál tilt, még a piros rész előtt, szóval meg se szakad. ), ha nagyon megkergetem akkor 160-170-et még kiköhög. Ehhez hozzájön vagyok cakkom pakkom 75kg. 



Időjárást nézd, xar időben felesleges felmenni.Illetve 7A Brezoi felé ha nem túra endurod van akkor arra nem ajánlott menni.



Valamit rosszul mértetek ( homlokon kell mérni , az orrot kihagyva


