-
Fototrend
Általánosságban a napenergiáról (alapinformációk)
Kezdjük Ádámtól, Évától! Napenergiát nagyon sok mindenre lehet hasznosítani, nagyon sokféleképpen, de ezek közül a legelterjedtebb a napelem és a napkollektor.
Napelemmel villamos energiát lehet előállítani, napkollektorral hőenergiát állítunk elő, amivel vizet vagy levegőt lehet melegíteni, amit a használati meleg víz melegítésére, vagy épp fűtésrásegítésre lehet használni. Utóbbi előnye, hogy rendkívül magas hatásfokkal (<95%) tudja a beeső napsugárzást hasznosítani, hátránya, hogy akkor adja a legnagyobb meleget, amikor süt a nap – jellemzően amikor nincs rá szükségünk (nyáron)! Mosodáknak, autómosóknak (ahol sok hőenergiára van szükség nyáron is) ideális befektetés! Háztartásoknak már több problémát hordoz, mint előnyt, mert a nyáron keletkezett energiával valamit kezdeni kell, különben néhány év alatt saját magát fogja károsítani a rendszer!
Könnyű megjegyezni, hogy melyik-melyik, mert anno iskolában majdnem mindenkinek volt napelemes számológépe! Ez a topic a napelemekről szól!
Új hozzászólás Aktív témák
-
stefanitsr
senior tag
válasz
enginev3.0
#72795
üzenetére
Lehet inkább kicserélném a jelenlegi BMS-t egy V19 inveter BMS-re, több szempontból jobb gondolat.
-
enginev3.0
félisten
Valaki tud konkrét linket adni hogy JK bmshez milyen rs485 kell? Inverterrel összekötni
Igreen inverter
-
jbnd-007
tag
válasz
Nikaré
#72792
üzenetére
Ők telepítették 6 éve a napelemünket, akkor nem volt velük semmi gond. Bezzeg az előző cég eltűnt az előlegünkkel és az is 10+ éves volt akkor, több ajánlással. Végül lecsukták a főnököt és visszakaptuk a pénzt, de jó pár év múlva.
Lehet, hogy csak jóhiszemű tévedésről vagy félreértésről van szó, de a múltbeli tapasztalataim alapján óvatosabb vagyok az átlagnál.
-
jbnd-007
tag
válasz
stefanitsr
#72790
üzenetére
Inkább a következő pályázatra... kezdem azt látni, hogy túlságosan gyerekcipőben jár még ez az egész akku dolog, zavaros információk keringenek, ellentmondások mindenütt. Van még 4 évem a szaldóból. Az államnak fontos az akku telepítés, mert még mindig olcsóbb, mint rendberakni az ország elektromos hálózatát. Valószínűleg lesz még addig pályázat.
-
jbnd-007
tag
Nem tudom megítélni. A Deye állítólag olcsóbb, mégis 2.5 millióba kerül.
Ez meg HV akku és egy kevésbé kínai rendszer. Ráadásul most tudtam meg, hogy hiába van a Deyébe beépítve a backup, ha csak úgy rákötik a házat sorba, akkor a ház max. fogyasztása is az inverter kapacitására lesz korlátozva. Kell külön párhuzamosítás meg mágneskapcsoló vagy mi, hogy a teljes 32A-t tudjam használni. -
jbnd-007
tag
Kaptam egy ajánlatot Solax inverterrel, de csak backup nélkül fért bele a 2.5 millióba. Rákérdeztem a Deye megoldásra, erre ezt kaptam: "Deye invertert szakmai megfontolásból nem áll módunkban semmilyen körülmények között telepíteni." Hm. Valami ellenérzést érzek a Deye irányába.

-
K_L_
csendes tag
Fronius app-ban hol tudom megnézni a fesz. és áram értékeket?
Egy ideje már nem találom, viszont kb. azóta nem csak 3 napra visszamenőleg látom a napi termelést. -
zhorvath
aktív tag
Nálatok működik az E-On távleolvasás?
Nálam azt írja, hogy nincs lekérdezhető POD.
Eddig működött. -
Reggie0
félisten
válasz
enginev3.0
#72777
üzenetére
A sorbakotott 3 napelem vegen mindegyik stringre kell es utana lehet Y-al kozositeni.
-
Reggie0
félisten
válasz
enginev3.0
#72743
üzenetére
Lehet, de ebben az esetben ne felejtsd el, hogy minden ágba kell egy-egy biztosíték.
-
Pubszon
veterán
válasz
enginev3.0
#72770
üzenetére
Mert ezeket kaptam ingyen.

De ha már itt járunk. Te milyen entitásokat veszel ki az inverterből?
-
enginev3.0
félisten
Elkezdtem a balanszolást tápegységgel, 5 amperrel, mert sose lesz kész, csak napból
-
asdf_
veterán
Nálam 77%-a a mostani február a tavalyinak. Január 82%, december 77%, november 80%. Kár a sok mínusz, mert az októberben felszerelt klímákkal eddig kerek 500 kWh túltermelést fűtöttem el, csak az apró probléma, hogy a fölösleg vagy harmadát elvitte az időjárás :/. De még van valami 3 hónap szépíteni a leolvasásig.
-
enginev3.0
félisten
válasz
stefanitsr
#72767
üzenetére
Neked mekkora rendszered van?
-
stefanitsr
senior tag
válasz
enginev3.0
#72753
üzenetére

Volt ilyen napom is. Fűtés is erről megy napok óta. Megpróbáltam azzal kimaxolni a napi termelést, hogy 10+ kWh-t megpróbáltam eldumpolni a pince felfűtésére, hogy lássam mi a max ami be tud jönni naponta február végén, de nem sikerült ezt kipróbálni, mert 13:00 környékén így is felkoppant az akku 100%-ra. Van még benne tartalék.

(Consumption kalkulát adat, nem fedi a valóságot, jóval kevesebb a valósnál) -
H-Mano
tag
2026.február: kalkulált termelés 81%-a.(Elmúlt 12 hónap a kalkulált éves 93,5%...)
-
Pubszon
veterán
válasz
enginev3.0
#72753
üzenetére
Az nagyon fasza.
Nekem még csak 800W panel van fent ami édes kevés, napokon belül felkerül a többi ami meg is van meg hozzá minden és akkor 2.7KW (10x275W) panel lesz első körbe. Majd később a ház tetőre is szeretnék egy sort, ami megint kb ilyen teljesítmény lesz. -
Borisz76
nagyúr
válasz
kőkori szaki
#72760
üzenetére
Szia.
Nem vagyok szaki....csak lelkes de ígyekszem érthetően válaszolni.
Aztán ha valamit nem jól írok , akkor majd a profik javítanak
1. Ha a napelem termelése nem elég az aktuális igényhez, automatikusan átkapcsol hálózatra, vagy csak a kiegészítő teljesítményt veszi onnét (párhuzamosan)? Vagy esetleg az akkukról veszi a szükséges többletenergiát?
Ha nincs áram ( áramszünet van az utcában, vihar stb , akármi miatt ) ...az inverter nem is dolgozik , lekapcsol.
Ez a legáltalánosabb üzemmód.
( Na jó egy sziget üzemű rendszer dolgozik...de azt nem is kell a hálózatra kötni )- Ha van termelés de nem elég a fogyasztás kiszolgálására , akkor a hálózatból kiegészíti ....nem kapcsolgat.
- Ha van termelés és az aksi is tötve valamennyire...a fogyasztást a panelekről próbálja kielégíteni.....de ha kell az aksiból is rásegít.
Valamint ha az aksi lemerült, akkor a hálózatból egészíti ki.2. Természetszerűleg a fázisokon a fogyasztás nem azonos és a rendszer nem termelhet a külső hálózatra, Elbírja-e a rendszer a fázisok között akár a100 százalékos asszimetriát, hisz nincs mögötte fogyasztóként a hálózat, (ami hatalmas puffer lenne)?
Van olyan körzet , ami visszetermelésre zárolva van...azaz nem mehet ki áram a hálózatra de a többségük nem ilyen.
A fázisasszimetria "mérete" függ az inverter "méretétől".
6 kW-s asszimetrikus inverter fázisonként kb 2-2-2 kW-t tud vagy tudhat.....
( Ezt képzeld el úgy, hogy 3 db 2 kW-s inverter van egy dobozba építve ! )De mondjuk egy 12 kW-s inverter esetében 4-4-4 kW-ot ad le az inverter fázisonként.
És itt a lényeg....hiába is vannak a fogyasztók szétosztva a fázisok között....a terhelés közel sem lesz azonos és egyidejű.
Ezért egy nagyobb teljesítményű 3 fázisú , asszimetrikus inverter nagyobb energiát tud küldeni 1 fázisra....vagy akár 2 fázisra is úgy , hogy a másik / többi fázis nem fogyaszt.3. Fel tudja-e használni a napelemek többletteljesítményét az akkuk töltésére a fogyasztók egyidejű kiszolgálása mellett?
Attól függ.
Nekem egy 5kW-s inverterem van , 5kWp napelemekkel és 10 kWh aksi van mellé.
Van olyan, hogy nem vagyunk itthon....ekkor az alap dolgok mennek csak : hűtő , router stb....
A ház fogyasztása 200-300 W
Ezt kiszolgálja a napelem.....a többlet megy az aksiba.
Ha az aksi tele, akkor megy a hálózatba.Ha hétvégén megy a sütő , főzőlap , villanybojler , mosógép stb....szinte folyamatosan.....akkor a megtermelt energia szinte azonnal el is tűnik a házban. Emiatt az aksiba ha megy is áram....az nem jelentős. Sőt néha csúcsfogyasztás körüli értéken még az aksiból is vesz ki ha van benne...ha nincs benne , akkor a hálózatból.
A mai napról mentettem gyorsan pár képet.
Napelem termelése :
Fogyasztás:

Aksi töltése :
Aksi merítése :
Összesítve :
Ezen jól látszik , hogy a 8-9 óra közötti időszakban a fogyasztás (piros ) meghaladta a termelést ( zöld )...ezért a kora reggel aksiba betolt energiát elkezdte kivenni ( lila ).A termelés tovább nőtt 9-11 között ( zöld ) de a csúcsfogyasztás visszaesett ....( piros ) , így a ház fogyaszását látta el és még az aksiba is jutott ( sötétzöld ) .
Létezik-e olyan gyártmány, amely mindezekre képes, és melyik az?
Hálás lennék (sajnos nem tárgyiasítva)
ha valamely kérdésben, pláne az összesben segíteni tudnátok.Nekem Huawei inverterem van de régebbi pályázatos szerelés és akkor még nem is említették, hogy asszimetrikus inverterek is léteznek.
Jelenleg az éves szaldó miatt nem is különösebben érdekel a dolog.
Akkor kell lépnem asszimetrikus ügyben ha lejár a szaldóm....bőveb 2030 után. Kivárok. -
Strezi
őstag
válasz
kőkori szaki
#72760
üzenetére
1. Nem kapcsolgat, folyamatos kapcsolatban van az inverter, a fogyasztók a hálózattal. Amennyiben megfelelő mennyiségű napelemes teljesitmény van, akkor avval szolgálja ki a fogyasztókat. Ha nincs, de van akkuban tárolt energia, akkor automatikusan abból dolgozik, segit rá a hálózatra.
2. Nem alapvetés hogy a rendszer ne termelhetne a hálózatra. Mindezek mellett, a legtöbb moderni inverter képes teljesen függetelenül kezelni a fázisiokat. Mivel, hibridként letgöbb esetben ugye hálózattól függetlenül is tudnak özemelni, ott pedig ugye egyértelmű elvárás, hogy egy fázisra csak annyit adjon amennyire szükség van.
És, igen jó használod az asszimmetria fogalmát, 100%-ban függetlenek egymástól a fázisok.
3. Persze, teljesen automatikus, és az elvárásoknak megfelelő az energiaáramlás. Kiszolgálja a fogyasztókat a rendelkezésre álló nap vagy akku teljesitménnyel. Ha felesleg nap van, akkor avval tölti az akkut. Legokosabbak, a hálózat használatot is menetrendezni tudják. A nállunk még nem létező időszaki áraknak megfelelően vételezni és kitáplálni is tudnak akkuból.
Én Deye inverterekkel foglalkozom, OEP keretében is, Maximálisan ellátja a fenti funkciókat. Jó, rigalmasan programozható, sokolalú eszközök. -
kőkori szaki
csendes tag
Sziasztok
A hibrid inverterek lelkébe szeretnél belátni.
Három fázisú rendszer, betáplálás: hálózat, napelemek, aksi.
Kimenet: fogyasztók, akkumulátor töltése
1. Ha a napelem termelése nem elég az aktuális igényhez, automatikusan átkapcsol hálózatra, vagy csak a kiegészítő teljesítményt veszi onnét (párhuzamosan)? Vagy esetleg az akkukról veszi a szükséges többletenergiát?
2. Természetszerűleg a fázisokon a fogyasztás nem azonos és a rendszer nem termelhet a külső hálózatra, Elbírja-e a rendszer a fázisok között akár a100 százalékos asszimetriát, hisz nincs mögötte fogyasztóként a hálózat, (ami hatalmas puffer lenne)?
3. Fel tudja-e használni a napelemek többletteljesítményét az akkuk töltésére a fogyasztók egyidejű kiszolgálása mellett?
Létezik-e olyan gyártmány, amely mindezekre képes, és melyik az?
Hálás lennék (sajnos nem tárgyiasítva)
ha valamely kérdésben, pláne az összesben segíteni tudnátok. -
313313
addikt
válasz
Nikaré
#72757
üzenetére
Ház napija 2-3kwh (2 hűtő, ont, 3 router, laptop, dvr), megy este a légkondi az 2-3kwh, meg napi 2 mosógép, 2 mosogatógép ezek 4-5kwh, 2 naponta főzés, kv, mikró, párátlanító 300-350watt/óra meg napi 5-6 órát legalább.
Itthon zajlik az élet, 5-en lakunk a házban, feleségem 0-24-ben otthon van.
Évi 5000-5200kwh-ba beleférek, bár lehet idei több lesz majd... Ebben van még locsolás, nyáron 2 hónap medencevíz forgatás. -
cOxeR
Ármester
Ez az elmúlt 5 hónap termelés szempontból ritka pocsék volt, nem is volt még ilyen tél, mióta működik a rendszerem (2022, 9.hó). Gondolom másoknál is ez van.
Legalább ez az utóbbi 5 nap végre erős volt, de nem volt még 1 MWh alatti februárom. -
313313
addikt
válasz
enginev3.0
#72753
üzenetére
Grat, nyilván semmi köze hozzá az MVM-nek (előzm3nyt nem ismerem, de remélem minden szabályos)
Nálam napi 15-18kwh fogy, úgy hogy melegvíz, fűtés nagyja gázról megy. -
enginev3.0
félisten
Hát ez durva srácok
4. nap hogy 0kw-ot fogyasztok hálózatból
és ha kicsit is lehet hinni az előrejelzésnek akkor még hetekig ez leszVajon az mvm ehhez mit szól?
-
stefanitsr
senior tag
Húzd le a victronconnect appot telefonra vagy PC-re, telepítsd fel.
A bal oldalon felül a 3 csíkra kattintva Demo library:


Kiválasztod a töltésvezérlőt, amit kinéztél és ott látni fogod milyen lehetőségeket tud egy egy smarsolar (vagy egy egyéb rakás más termék) önmagában. Mindezek mellett ugye ezek illeszthetőek raspberry pi-ra telepített venus os-hez is, amik továbbítják az adataikat a Victrom VRM portál felé, vagy egy egyéb GX eszközhöz, de alaphangon egy rakás funkció elérhető ezek nélkül is bluetoothon.
A demo libraryből még érdemes megnézni a SmartShuntöket. -
válasz
stefanitsr
#72744
üzenetére
és hogy lehet kihasználni a smartsolar funkciókat ha egy Deye rendszeren lévő DEYE "akkura" tölt rá a mppt?
-
stefanitsr
senior tag
válasz
Doki16
#72741
üzenetére
8 panelhez ez szerencsésebb (2x4, y kábellel), 150/45-höz 6 vagy 9 panel lenne ideális, bár hathoz elég a 150/35 is.
Újonnan victront vagy az nkon.nl-ről érdemes rendelni, vagy az energomtól, pl itt van egy 150/45 .
Most egy darabig elég nyomott áron adnak mindent, majdnem versenyképesek az Nkonnal.
Arra figyeljetek oda, hogy ha töltésvezérlőt néztek akkor smartsolar legyen, ne bluesolar, mert abból a smart funkciók egy része hiányzik, és csak kicsivel olcsóbb. -
Nikaré
őstag
Sziasztok!
Pest megye térségben tudtok ajánlani napelem kiépítésre megbízható céget, vállalkozót?
A pályázatos rész nem érint.
Teljesen nulláról kell építeni, nincs régi "felszerelés" és Nem hálózatba taplálós lenne az igény.
Eddig kettő cégnek írtam.
Tiszta Energiák - sablon választ küldött a pályázattal kapcsolatosan, pedig világosan leírtam, mit szeretnék.
Wagner Solar - nem válaszolt. -
Doki16
addikt
válasz
stefanitsr
#72723
üzenetére
Hogyan lehet egy Victron SmartSolar MPPT 150/45-re rákötni 9 panelt? Megtetszett ez a megoldás, van 8 külön panelom és rátenném egy ilyen Victronra. De nálam a 8 panel jelenleg éppen 372 V feszültségen dolgozik. Ahogy néztem én nem is találok 100k alatt olyan MPPT solar chargert ami tudna ennyit fogadni.

-
hodostamas
addikt
Sziasztok,
elgondolkodtam napelemen a támogatás miatt. 1fázisra komplett telepítéssel. Most gyűjtöm be az ajánlatokat Szombathely és környékéről. Esetleg ajánlott cég akinek van tapasztalata innen?
Jelenleg 2 adott már, 6-800e előzetesen az önerő. Azért sokallom, de ha meg úgy veszem, ennyiből lenne egy komplett rendszerem

-
enginev3.0
félisten
válasz
nandow
#72736
üzenetére
Tavaly novemberben telepítettem magamnak
4.4kw panel (10db 440w) 440ezer
16kw akksi (saját építés, EVE MB31 cellákból) + bms + megszakító, és kábelek kb 400ezer
inverter igreen 6kw, 300k
földelés 40ezer
DC+AC doboz, és egyéb apróságok kb 50ezerMunkadíj 2 gyros
Szolgáltatói hálózatból vétezelett energia 3 napja, 0kw
-
stefanitsr
senior tag
válasz
nandow
#72736
üzenetére
Hát, genyó leszek, kalkulálok egy német beszerzésű 5kW deyét, 2x deye akkuval.
https://www.ebay.de/itm/387630557739
Kuponnal lejön belőle 50 euró (lol) szállítás 100 euro (igaz asszem ez egy fázis, de irányadónak jó lesz).
2550 euró = 960e
Első google találat "olcsó napelem" szövegre (láthatod milyen eszméletlen mennyiségű időt energiát, vért és könnyet öltem a dologba
) 14x áfával 280e + szállítás, ~310e-re saccolja.Kell még szerkezet, 2x7 napelemhez, legyen 350k dobozokkal, kábelekkel mindennel együtt.
Anyagár 1,6M körül. Mennyi legyen a haszon meg munkadíj ? 800k sok ? 2,4-2,5M...Jah és ez kisker ár, amennyiért besétálsz és el tudod hozni, mint utcáról beeső kisember. Tehát ha valaki tételt vesz ezekből mint installer, az más árakat fog kapni.
-
siti
őstag
válasz
nandow
#72736
üzenetére
Akku oldal:
tavaly vettem APX Growatt akku és BMS-t, 5kWh:
akku: 520000 Ft
BMS: 158000 Ft
szállítás lengyelből: 83000 Ft
Napelemes beüzemelés 10000 Ft
Összesen kb 771000Ft (EUR árfolyamra már nem emlékszem pontosan mennyi, volt, de 385 körül lehetett)
Persze kértem árajánlatot magyar cégtől is: 1100000 Ft ugyanez...
Külön csak BMS-t tudtam volna itthon olcsóbban venni, de elhúzódott a nagyker regisztráció és hagytam az egészet.Most csak akkut kellene bővíteni, hiszen kiépítés minden adott (kér csavar ki, csatalakozó szétszed, bms le, akku be, bms vissza, csavar vissza, ha lego ment, ez is menni fog, csak áramtalanítani kell.)
pályázattal?
2,5 millába eddig senkinek nem férte bele három 5kWh modul pályázattal....(700e lenne itthon egy, illetve már 1,1milla...) -
nandow
aktív tag
Sziasztok!
Akkumulátoros pályázat kapcsán szeretnék kicsit érdeklődni.
Nincs napelemes rendszerem. Ami miatt elgondolkoztam, hogy látok olyan ajánlatokat, hogy ~1 millió Ft önerővel kapnék egy 5 KW-os invertert, 5,5 kWp napelemet, és 10 kWh akkumulátort.
A kérdésem az lenne, kb. milyen áron lehet pályázat nélkül kiépíteni egy ilyen 5-6 kWp napelem rendszert egy 5 kW-os inverterrel?
Az akkumulátoroknál milyen piaci áron mennek a 10 kWh-s változatok? Mely márkák azok, amik ajánlottak?Mik a különbségek a kisfeszültségű és a nagyfeszültségű akkumulátorok között? Ki lehet jelenteni, hogy az egyik jobb, vagy nem ennyire egyszerű?
Köszönöm szépen, ha valaki tud segíteni.
-
-szabi-
addikt
válasz
Strezi
#72682
üzenetére
Gondoltam megnézem tudok e bármit online intézni mivel nálunk nincs állandó ügyfélfiók.
MVM oldalán: Átírás, költözés és Milyen dokumentumok szükségesek az átíráshoz?
A linkeltÁtadás-átvételi nyilatkozat és felhasználói jognyilatkozat egyetemes villamosenergia- és/vagy földgázszolgáltatás esetén felhasználóváltozáshoz formanyomtatvány
ami hatályos: 2026. 02.02-tól.
Sikerült 6 oldalas nyomtatványt készíteni de ennek ellenére semmit nem tartalmaz ha az átadás-átvétel helyén napelem van.
Egy mérőóra állást lehet beírni holott nálam van export és import állás.
Elszámolás módjánál részszámlázás és diktálás van de napelemes éves az nincs.
Még véletlenül se tudjam online intézni.
Vajon https://e-bejelento.gov.hu/ oldalon ezt jobban megoldották? -
snooze
veterán
-
nessh
tag
Tudtok esetleg olyan kivitelezőt/céget aki a pályázat keretében csinál mérőhely szabványosítást is (ha kell a fázisbővítéshez...)
-
enginev3.0
félisten
válasz
stefanitsr
#72729
üzenetére
Igen, erre gondoltam az utolsó üzenetben, miután kisegítette a gemini a tudásom
Azt hittem a töltésvezerlo csak az akksira tölt rá, ha elkezd merülni, de mivel úgy (is) tud működni mint ahogy a CC/CV kiegészítő aliexpresses tápom, hogy nem akksira tölt hanem közvetlenül megy az energy az inverter felé, és onnan a fogyasztóknak így már értem hogy miért ajánlottad, és tetszik a dolog
Kértem is ajánlatot 6db panelra, 3-3 panel sorba, és ezeket összekötni egy Y kábellel
-
stefanitsr
senior tag
válasz
enginev3.0
#72726
üzenetére
Nem biztos, hogy értem mit szeretnél mondani, de:
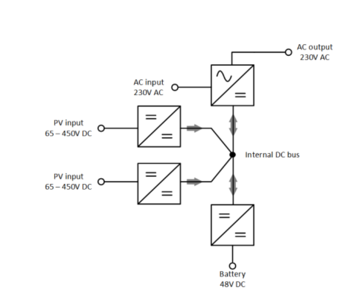
A mostani inverterek emlékeim szerint igazából egy dobozba integrált többféle eszközkupac, amelyek különféle módon elektromosan össze vannak kötve, tehát az "inverter" mint szó valójában csak a benne levő egyik eszközt írja le. A hibrid inverter már jobban takarja valójában, hogy ezek mit is tesznek.
Van az akkunak egy DC busz, amire csatlakozik egy töltésvezérlő, aminek a bemenetén ott van a PV oldalról érkező magasabb feszültségű belső DC busz. Az inverter emlékeim szerint bemeneti oldalról a DC buszról leveszi az akkuról a neki kellő feszt és áramot és átkonvertálja 230 V 1F váltóra (vagy 3F ha olyan az inverter).
A te esetedben (kettős konverziós inverter) erre a DC buszra csatlakozik egy töltőáramkör is, aminek a bemenete a hálózat. A normál hibridnél az AC busz csatlakozik a fogyasztók és a hálózat felé.
A külső töltésvezérlő az akku oldali DC buszra termel rá, amiről ugye vagy az akku töltődik, vagy az inverter leveszi az áramot ami épp neki kell, tehát nem látom jelentős hátrányát a használatának,.
-
enginev3.0
félisten
válasz
enginev3.0
#72727
üzenetére
Közben utána néztem
És látom hogy ez tud közvetlenül a busbarra is dolgozni az akksit kihagyva, akkor ez tényleg jó megoldás -
enginev3.0
félisten
válasz
enginev3.0
#72726
üzenetére
Szerk, az utolsó mondatban sok volt a hiba:
Olyankor jobb lenne ha már csak inverterrol menne a ház
Akksirol meg csak éjszaka, nem? -
enginev3.0
félisten
válasz
stefanitsr
#72725
üzenetére
De ha délelőtt feltölti az inverter az akksit a mostani stringrol
Délután a töltő már nem tud rajta tölteni
Olyankor jobb lenne ha már csak inverterrol mennek a ház akksirol még csak éjszaka, nem? -
stefanitsr
senior tag
válasz
enginev3.0
#72724
üzenetére
Ha elégedett vagy vele és bevált, csak a +1 töltésvezérlő hiányzik, akkor nem váltanék, főleg nem kínaira, ami eléggé zsákbamacska tud lenni. Azért a iGreen kettős konverziósa nem egyenlő egy akármivel kínaival.
Amúgy ilyen amikor balanszban van: Elérte az RCV-t, és minden cella is nagyjából a percell RCV-n van (3,45).
-
enginev3.0
félisten
válasz
stefanitsr
#72723
üzenetére
10 panelt akarok másik oldalra is hogy egyforma legyen legalább az összkép
Nem lenne jobb egy 2 stringes inverter?
Igazából eladom az enyémet talán még nagyon rá sem kell fizetni egy másik kinaira -
stefanitsr
senior tag
válasz
enginev3.0
#72722
üzenetére
Figy,
1: Mondjuk úgy, hogy épp erősen folyik a balance. Miért ?

Ezért. Épp megy a balance és a balancertől függően ennek kellhetnek hosszú órák, néha napokon keresztül. A jó hír az, hogy ezt általában elég az elején, egyszer végigcsinálni, aztán annyira már nem szóródnak el a cellák egymáshoz képest.
2: Azért, hogy offgrid/sziget rendeszerre + napelemet tegyél nem kell invertert cserélni. Attól függően mekkora sztringet tervezel lehet, hogy elég egy Victron 100/20, 150/35-45 töltésvezérlő, és ezek megvannak 33 / 60 / 80k környékén. 4-6-9 panel elmegy róluk, direktben töltik az akkut. Ha az inverter eddig nem volt szűk keresztmetszet, akkor nem feltétlen kell cserélni. Nálam is van az Multi RS6000 (2 vezérlő) + 3 smartsolar charge controller.
De amúgy jön a nyár, amikor a fenti Wh/m2 számok 500-ról felmennek majd 1000-re és, annyira nem lesz probléma az akku feltöltése. Vegyél autót, a + stringet meg beidőzíted őszre a töltésvezérlőjével.

-
enginev3.0
félisten
válasz
stefanitsr
#72716
üzenetére
+ 2026-02-26 06:14:45
#72712Na most értünk el a balanszhoz
Most már ott tartok hogy lehet autó vásárlás helyett teszek panelt a tető másik felére is
Csak akkor invertert is kell cserélnem -
snooze
veterán
válasz
viking_joe
#72713
üzenetére
semmi.. sz@rakszik az egész.. eddig febr. 16-tól nem mutatott csak becsült értéket, tegnap már "jól" mutatott, ma megint becsül.. minden frissitéskor valamit elcsesznek.. mint mindigmindenhol..
-
cOxeR
Ármester
válasz
stefanitsr
#72716
üzenetére
Ma kifejezetten erős nap lesz termelést tekintve. [kép]
-
wik_406
tag
-
stefanitsr
senior tag
válasz
Strezi
#72707
üzenetére
Igen, a SoC ezért erősen "tájékoztató jellegű" némelyik BMS esetében.
Illetve nálam időnként vissza kell csattintani feszre a Deye esetében, majd újra beállítani a li-bms-t, és akkor a rendbejön a SoC kijelzés az inverteren (néha kell BMS reset is), mert évente 1-2 alkalommal a Deye valahogy nem azt olvassa ki amit én látok a Tian Power BMS-en (Baseengreen BMS tulképp - mutat 100%-ot, az akku PC szoftver meg a valós 50-60% környékét).
Ilyen anomáliák miatt szeretem a Smartshuntot, az nagyon közel a valós értéket mutatja.
Most amúgy nincsenek annyira szétcsúszva, mert minden nap van 100% reset. -
stefanitsr
senior tag
válasz
enginev3.0
#72708
üzenetére
1: Hagyod úgy ahogy van és pár nap alatt kibalanszolja magát (feltéve hogy marad a jó idő is fel tud töltődni 100% környékére napokon keresztül)
2: kicsit lejjebb veszed az RCV-t és lassabban triggerelődik az OVP (kisebb lesz a töltőáram a töltés vége fele), több ideje marad balanszolni, pár napot nyersz vele.Nem lesz gond, jó napjaink lesznek:
-
chungey9
tag
válasz
viking_joe
#72713
üzenetére
És ha az órára ránézel mit látsz? Egyébként hogy lehet ezeket az MVM appban látni?
-
edeleny
őstag
Hátha tudtok segíteni!
Émászos vagyok. Idáig a partnerportál nevű oldalról szedtem le a fogyasztási adatokat.
A hónapban még nem csináltam, ideje lenne.De megdöbbenve látom, hogy változott.
Lista exportálása, és *.csv formátumba küldi, 16 (tizenhat) tizedes jegyig! Eleve ennek semmi értelme, de a táblázatban a számok .-al vannak , -helyett, így a 15 perces adatokból nem tudok napi fogyasztási-visszatáplálási adatokat csinálni.Van erre valami más mód?
Mint ha direkt szívatnák a dolgozót!
-
viking_joe
csendes tag
Sziasztok! Ennek mi lehet az oka? [kép]
MVM adat hibázik, vagy nálam lehet valami probléma? A hálózatba terméket érték hogy csökkenhet vissza, vagy másnál is előfordult ilyen hiba MVM alkalmazásban? Rendszer 1 fázisú Fronius 5kw inverter K-Ny 8,2 kWp napelem. Üdv
-
Pubszon
veterán
válasz
enginev3.0
#72708
üzenetére
De nézd vissza mennyi volt. Valamelyik cella elérte és lekapcsolta a töltést, emiatt vissza esett a feszültség.
-
kardkovacsi
senior tag
válasz
kardkovacsi
#72710
üzenetére
Közben nézem, ezek NMC akkumulátorok. Hmmm, nem valami jó. 2e ciklussal számolva, meg mondjuk azzal, hogy 2 naponta egyszer merül akkor 10 évet kibír.
-
kardkovacsi
senior tag
[link] Kijönne még Fronius is majdnem az árból ha nem akarnának a telepítők most csilliókat keresni. 5829 euró (ez nullás áfás). Ez 2,8M áfával és valami retail árulja nem is nagyker.
-
asdf_
veterán
válasz
DuDieHUN
#72702
üzenetére
azonban azt olvastam, hogy vissz-watt megoldással és smart méterrel le lehet korlátozni a visszatáplálást a hálózatba, így engedélyeztetni lehet 5 kW invertert is,
Nem lehet ilyet. Az elosztó (szerintem amúgy helytelenül, de mindenképp maga felé hajló kézzel) az inverter teljesítményére vonatkoztatja a 2,5 kW-ot, nem a betáplált energiamennyiségre.
-
enginev3.0
félisten
válasz
stefanitsr
#72703
üzenetére
Arról van kép
Legnagyobb fesz 3.508
legkisebb 3.476A többi ez a kettő között van, persze tudok majd képet csinálni az összes többi celláról is, de így itt látszik hogy akkor nem igazán voltak balanceban
De akkor hogy balanceoljam ki ha a nap végén mindenképp elkezd az akksi merülni?
Általában már délelőtt 11 körül szinte maxon van az akksi, de délután 2től meg már merül, mert nem éri a panelokat annyi nap, hogy ellássa a házat is, és az akksit is
-
Strezi
őstag
100%
SOCsacc után még ment bele vagy 30kWh, és még töltődik

-
stefanitsr
senior tag
válasz
stefanitsr
#72703
üzenetére
Jah és nem kell neki folyamatosan 100%-on maradni, elég, ha naponta el tud jutni 100% környékére és ott tud maradni pár órát. Amúgy ha nem csinálsz semmit vele csak használod idővel (nem annyira kevés idővel) ki fog balanszolódni magától.
-
stefanitsr
senior tag
válasz
enginev3.0
#72701
üzenetére
Nagyon leegyszerűsítve, ha cell ovp-t dob, akkor nincs balanszban és esélyesen nem is volt az valós 100% (pack RCV ugye 16*per cell RCV, ezt a requestet kapja az inverter. Ez 16*3,45V kellene legyen de egy cellád becsúszik ovp-be, tehát nincs meg az RCV a pakkon, de van egy cellán OVP (3,6) -> imbalance).
De próbáld megcsípni a jelenséget akkor amikor cell ovp alarmot dob és egy screenshotot nyomj az akkori cellafeszekről.
-
DuDieHUN
aktív tag
Az alábbi kérdéssel fordulok hozzátok: adott 1 fázis 32A, tudtommal maximálva van a 2,5 kW inverter, azonban azt olvastam, hogy vissz-watt megoldással és smart méterrel le lehet korlátozni a visszatáplálást a hálózatba, így engedélyeztetni lehet 5 kW invertert is, ha 2,5 kW visszatáplálásra le van korlátozva, ez valóban megoldható? (Termèszetesen a mostani pályázaton belül)
-
enginev3.0
félisten
válasz
stefanitsr
#72700
üzenetére
Egyszer volt már 100%ra töltve az akksi
Szerintem akkor teljesen végbement a balanceSajnos az hogy napokig 100% legyen esélytelen, mert este ugye merül
Új hozzászólás Aktív témák
Az összefoglaló tartalma:
1. Alapfogalmak
2. Napelemekről
3. Napelem típusok
4. Inverterekről
5. Várható termelés kiszámítása
6. Mi történik működés közben?
7. Mi az engedélyeztetés menete?
8. Rendszer-méretezés és hibák(!)
9. Villámvédelem
10. Árak és megtérülés
11. Hibrid rendszerek
12. A megújuló energiák helyzete napjainkban
13. Egyéb
14. Telepítés után
- Itt a Galaxy S26 széria: az Ultra fejlődött, a másik kettő alig
- Akciófigyelő: Jelentős kedvezményekkel veheted meg a Xiaomi 17-eket
- PlayStation 5
- Multimédiás / PC-s hangfalszettek (2.0, 2.1, 5.1)
- Revolut
- Futás, futópályák
- mefistofeles: Az elhízás nem akaratgyengeség!
- Kedvenc zene a mai napra
- Bestbuy játékok
- Folyószámla, bankszámla, bankváltás, külföldi kártyahasználat
- További aktív témák...
- Használt Artfone A400 4G Senior mobiltelefon / 12 hó jótállás
- Apple iPhone 15 Pro Max 256GB,Újszerű,Dobozaval,12 hónap garanciával
- 365 NAPRA RÉSZLETRE BANKMNETES KAMATMENTES , GAMER PC ,LAPTOPOK , GAMER SZÉKEK , GAMER MONITOROK
- Apple iPhone XR 64GB, Kártyafüggetlen, 1 Év Garanciával
- Poco F4 GT 12/256GB - Független, Fekete - 1 Év Garanciával
Állásajánlatok
Cég: Laptopműhely Bt.
Város: Budapest


Ez meg HV akku és egy kevésbé kínai rendszer. Ráadásul most tudtam meg, hogy hiába van a Deyébe beépítve a backup, ha csak úgy rákötik a házat sorba, akkor a ház max. fogyasztása is az inverter kapacitására lesz korlátozva. Kell külön párhuzamosítás meg mágneskapcsoló vagy mi, hogy a teljes 32A-t tudjam használni.












Geresics