-
Fototrend
Mindent a robogókról / kis motorokról topik
Első hozzászólás előtt olvasd át a téma összefoglalót!
Új hozzászólás Aktív témák
-
válasz
#89309696
#80999
üzenetére
Így passz, hogy mennyit érhet.
Segédmotornál nem nagy ügy a kötelező. Nem kell kamu adásvételi (nem érdemes szórakozni ilyenekkel még ha kivitelezhető is). Bemész, megmondod hogy nem használod a robogót aztán a viszontlátásra. Vagy csak egyszerűen nem fizeted be a soron következőt, ők meg automatikusan bontják a szerződést. Egy forgalmival rendelkező gépjárműnél ugye ez gáz, de segédmotornál semmit sem jelent. -
#89309696
törölt tag
Szerintetek mennyi az értéke egy 2007-es Focusnak ami szimeringes, cserés a szívató, keveset tölt, rossz az akku, rossz az önindító, de új variátorszett, új City Grip 2 és új Giannelli Go kipu van rajta? Kinézetre jó állapotú, kitámasztó, középsztender, doboz, tükrök, minden megvan.
Biztosítást le lehet mondani robogóra vagy a kamu adásvételis dolog játszik csak?
-
nyogo83
Topikgazda
válasz
BLUE TORNADO
#80997
üzenetére
A direktszuro volt finoman olajozva? Moshato, vagy valami olcsobb papirszeru sima szuro?
Jo lenne alaposan atmosni benzinnel, utana meleg vizzel atobliteni, megszaritani, majd finoman vekonyan befujni szuro olajozo spary-vel.Lehet csak siman mar telitodott es nem bir eleg levegot atengedni.
-
BLUE TORNADO
senior tag
Üdv!
Van egy 1989(?)-es évjáratú Honda Lead AF01 50 ccm robogóm. Sajnos nincs meg hozzá a gyári levegőszűrő, így direktszűrőt tettünk rá. Eddig azzal is ment 60 km/h-t. Mostanában ha rajta a szűrő, nem megy, csak 20 km/h-val. Ha leveszem, akkor megy rendesen. Ilyenkor mi lehet a baja? Cseréltünk karbit, ki is takarítottuk, de a hiba ugyanúgy fennáll. -
-
-
NYPD
senior tag
Igazából lehet, hogy inkább úgy oldom meg, hgy megtoldom a negatív kábelt 10 cm-el, és úgy már át fog érni, akku meg marad. Olcsóbb megoldás

-
válasz
perge666
#80988
üzenetére
Akkor az még véletlenül sem ajánlgatom Yuasa volt, de cellatörött. Gondolom az előző tulaj megodlotta fizikálisan..
NYPD: nekem 20A midnenhol. a telefon töltők miatt Q3
Vezetéknélküli X gripp-es töltőben mi most a legjobb? BV9800 Pro-hoz kellene, nem bízok a sima oldalszorítósban.
-
NYPD
senior tag
válasz
Tamás9x
#80986
üzenetére
Ja, azt elfelejtettem, hogy zárt, gondozásmentes kellene. Egyszer feltöltöm a savval és utána rá se kelljen nézni. Más:
Most 7A-es biztosíték van benne (szerintem még a gyári pót) neten nem nagyon találok csak 6.3A-est. Ez is jó hozzá? Illetve van ilyen hogy gyors vagy lomha. Nekem gondolom gyors kéne, ugye? -
-
NYPD
senior tag
válasz
nyogo83
#80984
üzenetére
Biztosíték csak szerencsére
Volt még egy jó, azt beraktam minden jó. Ilyet vettem, ebből viszont nem találok jobb+ változatot (ami van méretben nem jó) Helyette mit nézzek? Bannert a szerelő szerint hamisítják, többet is vittek hozzá már h egy hónapos és kuka. Exide, Landport milyen minőség? -
NYPD
senior tag
Üdv. Csak hogy sose unatkozzak, ha a motorról van szó...
Vettem egy új akksit, ami bal +. Feltöltöttem a savval, 12.66V, minden fasza, mondom be is pattintom akkor a gépsárkányba. Régi akksi ki, új be, kábelek fel. Ok, indítsuk be. Ráadom a gyújtást, se kép se hang. Na, mondom mivan... Hát ránéztem, és láttam, hogy bizony ebbe a motorba jobb+ való. Jó, vállveregetés, némi káromkodás és visszaraktam a régi akkut amit már polaritáshelyesen be is tudtam kötni (az újat forgattam mindenhogy, nyilván sehogy nem adta ki, hogy rendesen beköthessem). Indítsuk be. Gyújtás rá, se kép se hang. Akkor rúgjuk meg, erre beindult, de össze-vissza, erőtlenül járt a motor alapjáraton, le is állítottam mielőtt még vmi mást is tönkrevágok.
A kérdésem pedig, hogy mit tehettem tönkre? Fesszabályzó, generátor, vagy talán csak a biztosíték ment ki?
-
nyogo83
Topikgazda
válasz
#89309696
#80980
üzenetére
Vagy a henger es a karbi kozott a szivotoroknal fals levegot sziv, vagy fotengely szimmeringnel.
Fektisztitoval ha megfujkalod jaro motor kozben, akkor nagyjabol meg is tudod talalni, hogy hol.Adott teruletre picit fujsz, aztan megvarod, hogy valtozik-e az alapjarat.
-
perge666
veterán
válasz
Tothgera30
#80979
üzenetére
Nekem eddig napi használós volt,de elég rövid távon jártam vele,így a szűk 3 éve alatt ment bele 5100km.
K.B.2 havonta énis megrugattam egy úgymond “nagyobb” távval. / 50-60-70km /A kis Piaggio Typhoon se sokat megy,de azis egy hálás gépezet,távolrol sem gyári,de őt is megtartom mert azzal asszony is szivesen szaladgál a boltba ha jó az idő.
Ennek is nagyon jó a menetteljesítménye,meg kényelmesebb is mint a Derbi. -
#89309696
törölt tag
Olyan gondom van, hogy erőtlen a motor, kicsit pörög gáz nélkül majdnem összezár a kuplung és félgáz fölött fullad, megáll. A szívató zárva van, a minőségcsavar teljesen betekerve. Ha egy felet kitekerek rajta akkor nő a fordulat, de gázra még gyengébb lesz. Ha egy egészet tekerek ki akkor mozgásképtelenné válik, ahogy zárni akar a kuplung lefullad annyira elgyengül.
Szóval visszatekertem teljesen. Ha a szívatót ráhúzom melegen akkor leesik a fordulat és lefullad. Jelenleg hogy ne akarjon elmenni nélkülem a kapuból az alapjárati csavarral lejjebb vettem a fordulatot, de a gondot persze nem oldja meg.
Tudtommal a minőségcsavar normális állapota nem az, hogy teljesen betekerve legyen, szóval valahol ezzel lesz kapcsolatos a hiba.Valami ötlet?
-
válasz
perge666
#80978
üzenetére
Bár ez nem aktív használatra lett véve, mivel szüleimnél van tárolva, így fater néha jár vele munkába (2-2km), illetve hosszabb (20-30-50km) távokon meg van hajtva tavasztól őszig. Folyamatosan zárt fedett helyen áll otthon, munkahelyén fedett hely alá teszi (bár talán idén ha 5-7 alkalommal vitt el). Idén talán 2 ezer km csoroghatott bele, nem hinném hogy lesz olyan szezonja ahol több km-t kapna.
-
perge666
veterán
válasz
Tothgera30
#80977
üzenetére
A Senda jelen álláspont szerint nekem is sajnos többet állt az elmult 3 hónapban mint előtte.
Új melóhelyre kerültem és autóval járunk ketten. ( fizetik az üzemanyagot )Ha jobb idő lesz szeretném azért használni mert nagyon szeretem!
Első és szerintem egyetlen újanon vásárolt motorom amibe nem sokkal több mint 5000km van,szeretném énis megvigyázni! -
válasz
KTMHobby3
#80976
üzenetére
Ilyenkor már letárolom, szerencsére száraz, garázsban áll, így tartós marad a technika. Illetve az utak állapota miatt sem merem használni, nem lenne örömteli elfoglaltság idomokat keresni hozzá. Köszönöm az elismerő szavakat. Keveset van használva, ő inkább egy 2T hanggenerátor és lassacskán időkapszulává érik.
-
KTMHobby3
tag
válasz
Tothgera30
#80975
üzenetére
Nagyon szép a motorod. Biztos vagyok benne hogy nagy örömöd leled benne. Jön a jó idő, talán még nem kellene eltenned. Én, ha 10 fok fölé megy a hőmérséklet, szívesen használom. Szeretek motorozni.
-
-
nyogo83
Topikgazda
válasz
hódmaci
#80972
üzenetére
A gazmarkolattol az egyik bowden az olajpumpahoz megy annal a blokknal.
Az olajpumpa hazan van egy jeloles es az olajpumpa mennyiseg allito karjan is van egy.
Annal a tipusnal ugy van ha jol remlik, hogy teljes gazt kell huzni es akkor kell a ket jelolesnek egy vonalba esnie. Ha nem stimmel, akkor a bowdenen lehet allitani csavarral.Keverek beallitas [link]
-
hódmaci
senior tag
Sziasztok!
Kétütemű robogóknál mi a mód az üzemanyag keverék pontos beállítására, ellenőrzésére?
Mivel itt külön szivattyú adagolja az olajat fordulat függvényében gondolom neki is lehet valami állítási lehetősége.
Tudnátok ezzel kapcsolatban segíteni hogyan is kell ezt elvégezni illetve milyen módon?
A karburátor beállításainak itt szimbiózisban van (kellene lenni) vele.
Vagyis adott súber nyitásnál, adott fordulaton, adott olaj mennyiség.Nagyon füstöl a robogó, feltételezem túl sok olajat kever az üzemanyaghoz.
Hirtelen gázadásra pedig elkezd torpanva emelkedni a fordulat, vagyis:
Elkezd emelkedni majd megtorpan egy pillanatra és emelkedik tovább maximumig.Kymco people 50ccm 2t
-
nyogo83
Topikgazda
Na, mazlid van. Ezert kerdeztem, hogy olaj-e vagy benzin

Akksit nemigazan kell tolteni, ha ugy veszed, hogy neked kell felsavazni. Beleontod a savat, amire az szepen magatol belecsepeg/belefolyik, majd allni hagyod, tokeletes lesz.
Akksitoltobol erdemes a Lidl/Aldi-t figyelni, naluk szokott szinte mindig 2-3 havonta lenni automata akksitolto 5k korul, az tokeletes.
-
NYPD
senior tag
Na.. nem olaj volt ami folyt nálam a dekni oldalán, hanem benzin, csak ahogy mosta a szutykot a blokkról annak nézett ki.
Karburátor tömítő gumi halt meg, cserélve lett. Na meg vettem is egy új akksit, mert ami a motorban volt kiderült, hogy túl kicsi bele. Van, ahol azt írják, ha feltöltöttem a savval, mindenképp még töltővel is fel kell tölteni, van ahol csak azt írják, hogy ha belecsepegett az összes sav, hagyjam állni egy órát kb. és utána mehet a motorba. Mi az igazság?
Illetve, egyébként is gondolkozom, hogy veszek egy töltőt ha kéne legyen alapon, milyet-hol érdemes? Nem tudom milyen árban mozognak ezek, de 5k-nál nem szívesen adnék érte többet ha egy mód van rá.
-
akos3
addikt
Sziasztok!
Egykor lelkes topic látogató voltam itt, de már vagy 5 éve négykeréken gurolok...Viszont nem tudom elengedni kamaszkori vágyam
Egy malaguti fifty. Van itt valaki akinek volt már hozzá szerencséje. -
Ezzel játszott már valaki? Tuti ha beteszem akkor midnenki meghal a környéken mert szana szét világít
[link] -
válasz
FeniX-
#80960
üzenetére
Volt papírja az előző szerződésről, azon volt motorszám, alvázszám. Ugyanaz volt mindkettő.
Volt biztosítás is a motoron.
Ő így vette, azt mondta (lehet, hogy ő nem nézte meg, és most szembesült vele).
De mivel itt olvastam a tanácsokat, hogy szerződéskor nem bemondásra, hanem diktálásra kell hagyatkozni, így bukott ki...@#80962Repsol600
Eh... akkor passz... most összezavarodtam. Lassan olyan leszek, mint a McDonads-os légy...Mivel olyan vagyok, ha egyszer valami nem stimmel, akkor tuti megfognak (1x nem kapcsoltam fel alámpámat autóval közlekedés közben - városon belül is felkapcsolom, mert szürke az autó -, és 600m-t mentem lakott területek kívül (majd ez után vissza a városba) - és rögtön lemeszeltek....)
-
NYPD
senior tag
Most ahogy nézegettem a motort láttam, hogy a dekli tömítése el van szakadva, nem illeszkedik rendesen... Folyat egyáltalán innen olaj? Vagy ha a főtengely szimering adta meg magát, az produkálhat ilyet, hogy a dekli oldalán van olajfolyás? A leeresztő csavar tiszta, ezt kizárhatjuk.
-
válasz
cappa72
#80797
üzenetére
Na és még egy bejött a képbe, az ajánlott Rieju RR - tényleg ez is egész alacsony.
De egy történet is tartozik mellé.
Kicsit foglalkozós motort néztünk a "környéken", és már majdnem megvettük, amikor megkértem a segítségemet, hogy diktáld légyszi a motorszámot... pár másodperc szünet... "Te Cappa! Nem találom"... nem volt motorszám.
Fájt a szívem, de nem mertem megvenni. Ugye jól tettem? -
NYPD
senior tag
Jóreggelt. A szemétbánya motorom megint ott hagyott az út szélén. Megálltam boltnál, most nem hajlandó indulni, és mintha rúgni is könnyebb lenne, vmi elmehetett a blokkban? Tolom a szervizbe...
már hiányzott hogy költeni kelljen rá... Kis b*zi -
nyogo83
Topikgazda
válasz
Tamás9x
#80952
üzenetére
Nezz szet az Omega Motors-nal, rengeteg fajta dugartyu-hajtorud-gyuru-fotengely cuccuk van.
-
Honnan érdemes jó minőségű HC dugattyút rendelni ?
-
#89309696
törölt tag
Az Aldiban van olyan láthatósági kabát rikító színű fényvisszaverő csíkos, vastag. Gondolkozom rajta, hogy motorra meg kéne vennem, de a 15 ezres árát eléggé sokallom. Pedig jónak tűnik, látható, szélvédős, esővédős és meleg is, kis helyen elfér a dobozban, mert annyira meg nem vastag.
Valaki járt már az Aldiban megtapogatta? Megér az 15 ezret? -
suste
veterán
válasz
tothferenc
#80947
üzenetére
én is pont erre gondoltam -sajnos
1milliónál kicsivel drágábban kapsz új hondát/yamahát, ami 2L/100km -es fogyasztást tud, és 10 perc alatt beleteszel 3-400km-re való anyagot
szerintem ez inkább lesz közelebb a 2millióhoz, sőt lehet inkább több lesz, és még kompromisszumot is hoz a töltés ... sose fog megtérülni
szerk.: ettől függetlenül persze szívesen elfogadnám

szerk2: ja, és a kilakításból adódóan az akkut sem lehet kivenni és lakásban tölteni

-
FeniX-
senior tag
Sziasztok,
nem vagyok oda túlzottan az elektromos járművekért, de ez nekem is tetszik.
[link]Ennél a kategóriánál látom értelmét az elektromos motornak.
-
bartoska
újonc
válasz
sityupityu
#80881
üzenetére
Az új benzincsap tökéletes. A régin szájjal is át lehetett fújni vákuum nélkül, az új tökéletesen zár. A régi Runner 2T-ben két vákuum cső van. Az egyik a blokkra kötve és nyitja a vákuumos szivattyút, ami a tankból felküldi egy kis tartályba a benzint. A másik vákuumcső a karbiról megy a kis tartály alá a benzincsapba, az nyitja a csapot és megy a benzin a karburátorba. A kaburátort tisztának találtam, az úszó zárt amikor megpróbáltam belefújni. Folytatom a hibakeresést.
-
iff
senior tag
válasz
sityupityu
#80941
üzenetére
Szerintem a lényegen nem változtat, a oldalukon nincs feltüntetve, hogy műanyag kosaras. Elsősorban a hajtás érdekelt volna. Ami érdekes, hogy a főtengelyhez [6204 P53] ír. Amit találtam [link] P53 P5-os pontossági osztály C3 csapágyhézaggal.
Régen volt Simsonom is, és amikor felújítottam még eredeti DDR csapágy volt benne. (nem műanyag) Lehet amit én raktam bele új csapágyat, sz@rab volt, mint a gyári kopott.
Most beszéltem a bolttal és nem tud (nincs) normál CM csapágyat beszerezni csak c3-as ami fém és nyitott, zártban meg csak műanyag van.
-
KTMHobby3
tag
válasz
sityupityu
#80941
üzenetére
Igazad van, mert a fémkosarasnál is a határfordulatszám 15 ezer. Azért azt elárulom Neked hogy annak idején, az NDK-s motorokban, kivétel nélkül, műanyag kosaras főtengely csapágyak voltak. Persze mi se kerestünk bele csak olyant, azt raktuk bele, ami volt. Örültünk, ha ment a gép. Sose hallottam hogy a fémkosaras visított volna.
-
-
-
KTMHobby3
tag
A műanyagkosaras csapágyakat magas fordulatszámú helyekre (főtengely) rakták, kivétel nélkül, a csendes futás miatt. Ezeken a helyeken 5000, vagy az feletti fordulatszám tartományban üzemeltek. Alacsony fordulatszámon (hátsókerék), nincs jelentősége a csendes futásnak, az 500 körüli fordulatszám miatt. Szerelésnél bármelyik műanyag kosaras bírja a 100 C-fokot, amit olajfürdőben kell beállítani. Ezt könnyű megcsinálni, mindössze olaj, hőmérő, meg elektromos fűtőlap kell hozzá. A tengelyt előtte mindenképp fel kell csiszolni, az esetleges szerelési sérülések miatt. Úgy már könnyű a szerelés.
-
iff
senior tag
válasz
sityupityu
#80937
üzenetére
Most hívott a csapágyboltos (legalább érdekli a problémám) elbeszélgettünk, elmondtam a motor életútját.
Holnap bent lesz és ki is cseréli, csak a kérdés, hogy végül milyen legyen? Mert én már nem tudom. Azt mondta, hogy a c3-al nincs semmi probléma. Gondolom akkora hőmérséklet nincs, mint a főtengelynél. Csak ennyi van a csapágyakról, [link] [link] illetve amit innen kaptam csapágyakat [kép] , de a 6202-est nem mertem belerakni, mert kimosás után akadt, aztán FAG 6202-c-22 0254 NO906 raktam (kaptam) bele.
A koyo:
6200 2RSCM GSR (ezt hozták)
6004 2RSCM GSR (ezt hozták)
6202 C3 (ezt hozták)
6203 C3 (ezt hozták)
6202 2RSCM GSR FG (most jött)
6203 2RSCM GSR FG (most jött)
6204 C3 (most jött)
638 2Z (most jött)
A kérdés, hogy ide mi lenne a legjobb választás? Pontot szeretnék tenni a végére.
-
Le is írtad a lényeget a végén. Számottevő különbség nincs a műanyag és a fém kosaras között, ha jó állapotban van egy fémkosaras (nincsenek szétkopva), akkor hangban sem lesz igazán csendesebb szerintem a műanyag. Vagy ha csendesebb is, akkor azt a különbséget az egyéb zajok miatt úgy sem fogod észrevenni. Itt az a nem mindegy amire te is rávilágítottál, hogy hogyan rakod be a helyére a csapágyakat, melegítéssel stb, vagy préseléssel. Régebben amikor raktuk össze blokkokat és nem volt semmilyen présszerszámunk, akkor nekünk is el kellett felejtenünk a műanyagkosarasokat.
-
iff
senior tag
Felhívtam a boltot és azt mondta, hogy ezek mind műanyag kosarasak (porvédős). Ugyan olyan teherbírású mint a fém, halkabb, meg ha valami történik a csapággyal nem lesz fémforgács stb. Mondtam neki, hogy itt van előttem 2db olyan csapágy ami fém, (2RSCM GSR) nincs FG jelölés. Nagy hallgatás volt a telefonba.
Annyiban maradtunk, hogy holnap hívjam fel reggel, megnézi mi van a polcon. (nekem aztán fontos, hogy halk legyen a hátsó kerék
) Mondtam, hogy a tengelyre alig tudtam felrakni a csapágyat, pedig melegítettem, a tengely meg le volt hűtve, akkor ezt a műanyagost hogy a francba raknám fel? Megint hallgatás.
-
iff
senior tag
válasz
KTMHobby3
#80758
üzenetére
Rendeltem a c3-as csapágyak helyett, épp most kaptam meg. [6202] [6203] Ezek a régebbi csapágyak [kép] 6200 és 6004-es. Ezek az újak [kép] . Az újakon 2RSCM GSR ez rendben van de még van FG is, ami műanyag kosaras.
[Itt] a weboldalon szó nincs műanyagosról. Ez mennyivel sz@rabb?
A számlán is csak annyi van, hogy 6203 2RS*KOYO
A porvédőket úgy is ki kell szednem.
Esetleg más is tudna segíteni ebben, mert akkor visszaküldöm nekik. Kicsit elegem van már ebből a csapágyból. Nincs normál belőle? Amennyit találtam róla, hogy halkabb stb. -
nyogo83
Topikgazda
válasz
KTMHobby3
#80932
üzenetére
Nem latszodik rendesen a kabelezes, de alap esetben a 78xx bemenetere es kimenetere is kellene kondi.
Az 1000 mikros ha jol ertem akkor az egyeniranyito kimenete es a stab bemenete koze van teve?
Mert akkor ugy is okes.
(fesztstab bemenetere a mukodesebol adodoan a belso HF osszcillacio miatt, kimenetere a puffer miatt kellene rakni) -
warren29
aktív tag
válasz
energy4ever
#80905
üzenetére
Nagyon köszi végül Heidenau Snowtax lett.

Kinézetre iszonyat jó( ez tényleg téliguminak tűnik) a minőséget meglátjuk.
Az első gumi K66-os profil a hátsó K62. (hátsóból nem létezik K66 ilyen méretben mint az enyém)
-
-
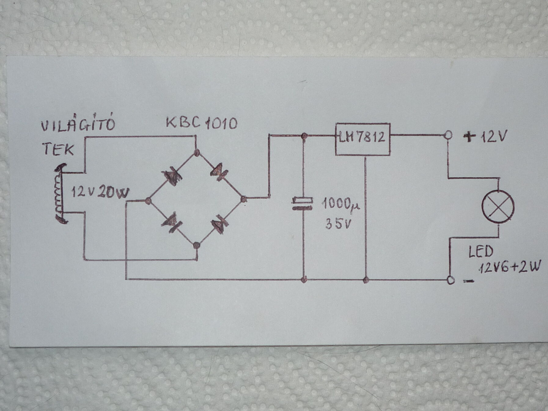
KTMHobby3
tag
Szia!

Az én motoromban ilyen led izzó van már 3 éve. 2x6W-os, Ba20d foglalatos. Csak be kellett tenni a régi helyére. A vetítési képe teljesen megegyezik az eredeti izzóéval. Mivel a motorom eredeti világítása váltóáramú volt, ezért kellett hozzá csinálnom egy egyenirányító/fesszabályzót:
Mindössze 3 alkatrészből áll. A 2 sárga vezetéken kapja a váltóáramot egy 20W-os tekercsből, a piros a pozitív 12V, a kék a negatív stabilizált egyenfeszültség. Ha a motorodon 12V egyenfeszültségű a világítás, akkor erre nincs szükség. -
BlackPriest
őstag
válasz
BlackPriest
#80880
üzenetére
Ma megint volt egy fél órám szórakozni vele, az eredmény:
- berugó összerakva
- szikra van
- üzemanyag van
- kompresszió nincs, illetve 5bar-t tartja. gondolom a szimeringek így jónak mondhatók, vagy nem túl rossznak, a henger-dugó csere/felújítás -
tothferenc
senior tag
válasz
Zoli bácsi
#80917
üzenetére
Amit Te linkeltel, azok jok, csak nekem neheznek tunt, haveromnak raktunk fel a Hondara egyet, csak elotte a stroboszkop ic-jet kiforrasztottam belole, mert olyan buzin volt megcsinalva, hogy elso felkapcsolasra low beam, masodikra high beam, harmadikra meg stobe.

Nekem ilyen van elrakva link, meg nem vitt ra a lelek, hogy felrakjam, mert este a robesszal nem szoktam menni.
(Esetleg majd egyszer a Hornetre rakerul) 8 watt van rairva, de csak 5 wattos, igy a fele arat visszakaptam, eredetileg kerult vagy ezerocca'-ba.
annyit modositottam, hogy szetcsavaroztam, es a led hatso felere egy 20x20-as alubordat ragasztottam a jobb hoaramlas miatt.
Nekem majd' 10 eve megvan a Magnet RS, 2T es vizes
nagy baja eddig nem volt, a fogyasztast leszamitva. En 90 kilo vagyok, de GPS szerint a 68at viszi, varosba nekem boven eleg, minden masra ott a nagymotor
csak ne zabalna be annyit, mint a nagy, a 4-5-ot siman beveri, mondjuk huzom a bajszat is rendesen 
-
vjacintka
tag
Sziasztok!
Ezen a típusú Vespán hol találom az alvázszámot? Előre is köszönöm!


-
NYPD
senior tag
válasz
Tamás9x
#80922
üzenetére
Köszi! Nagyjából hasonló kialakításút keresek, mint pl az alsó sor jobb szélső, ahol a led kialakítása és elhelyezése minél inkább utánozza az halogén fémszál pozícióját és méretét, ha jól tévedek a vetítési kép milyensége szempontjából ez elég fontos tényező.
Na de kezd mostmár elég trágya idő lenni, lehet, hogy ez majd jövőre tolódik
Ma már olyan moslék idő volt itt Bp-en hogy a pinlock is párásodott... -
A felső sor használhatatlan, mind2 oldal világít, távolságit ráadva csak erősödik a fényerő, az alsó sor, szépen vált, a vetítés is megfelelőnek mondható egy normál izzóhoz képest. De az aksira átkötés elengedhetetlen! a váltó feszültség kinyirja ezeket a CD-CD modulokal redelkező ledeket.
BlackPriest: Én annak csak örülök ha neked jó, de nekünk nem az
ezt kellene sokaknak felfogni, hogy mi NEM látunk
gyárilag az eget világítja az aerox is
a ZT meg nem is világított semmit. -
-
Délután megyek a garázsba és megnézem mi van benne jelenleg, illetve visszakeresem a képeket és feltöltöm mit vetít. Közbe megtaláltam: [link]
BlackPriest: Igazad van. Elhiszem, de sajnos ez egy szélmalom harc, látni kell az utat, és hogy te ettől miért fogsz balesetet szenvedni azt nem tudom
Hadakozol az ellen amit nem ismersz, és gondolom sose használtál. tök logikus
Nem egy 1*1 a dolog mert sok a selejt, amit épp említesz, és búra és búra között különbségek vannak. az pedig már emberség függő, hogy olyat nem teszünk bele, és nem használunk ami kiveri a szembe jövő szemét. Nem vagyunk k*cs*g*k
Ne szenvedj balesetet, én se akarok. -
BlackPriest
őstag
válasz
Tamás9x
#80915
üzenetére
Nem az a kérdés, hogy nekem össze-vissza világít e. Okozz balesetet és mikor le kell ülnöd még ennek a szabálytalanságnak az éveit is, akkor rájössz, hogy nem kellett volna.
Szerintem tök egyértelmű, hogyha nem ledessel adták el, nem tehetsz bele ledet. Az, hogy épp nem nézte a rendőr, mázli, de ettől nem szabályos. De mindenki azt csinál, amit akar, csak abban reménykedjen, hogyha én szenvedek balesetet, haljak bele...
-
NYPD
senior tag
A fent elhangzottak bennem is felvetődtek, de úgy vagyok vele, ennyit megér kipróbálni. Ha fos, még mindig ott a lehetőség hogy más féle megoldjást találjak.
Tamás9x: Neked mi vált be? Meglested esetleg?
-
Zoli bácsi
őstag
válasz
tothferenc
#80912
üzenetére
Jól néz ki a mocid, több lámpa van rajta mint a mentőautóinkon.....

Amúgy erre [link] a fajta kiegészítő lámpára gondoltam, ilyet láttam robogó sárvédőre szerelve.
Motowellről jut eszembe, keresgéltem itt is régebben, de nem találtam semmit a legújabb Motowell robogóról, a Darox-ról. 1 éve majdnem vettem, de mivel elég horror áron volt (550e), egy 125-ös Liberty lett végül. Most találtam FB.-on egy Motowell csoportot.... A lényeg, adják el a Darox-ot, és inkább a régebbi típusokat veszik. Írta egy srác hogy 110 kg, és nem gyorsul fel alatta a Darox, pedig nagyobb injektort is tettek rá. Most örülök hogy nem vettem meg, 130 kg vagyok. Amúgy nekem szimpatikus ez a Motowell. Azt bánom hogy nem vettem a vizes 2T típusból, amíg kapható volt.
-
gabor9991
addikt
válasz
BlackPriest
#80914
üzenetére
"És mi van a szembejövővel, mikor elvakítod"
Autóval járva naponta több ilyen jómadárral is össze szoktam futni és ezekre simán felkapcsolom a távolságit
Előbb-utóbb csak le fog esni nekik, hogy mi a baj. -
válasz
BlackPriest
#80914
üzenetére
Ebben teljesen igazad van, a 200ft-os nem is, vettem betettem hulladék.
Ezért is mondtam, a kollégának várjon vele, megnézem nekem mi vált be.
Na de a gyári hátsó E jelzéssel ellátott komplett világításba már nem szólt bele a rendőr, az elsőbe sem. Fényforrásnak nevezhető a komplett is nem csak az izzó/led. Szimpla bürokrácia...
Keresd vissza a képeimet ha tudod, ha az neked össze vissza világít akkor megeszem a kalapom

-
BlackPriest
őstag
válasz
Tamás9x
#80913
üzenetére
https://lumenet.hu/street-legal-osram-led-h7
"a jelenleg érvényben lévő szabályok szerint csak olyan fényforrás tehető be a lámpatestbe, amivel a gyártó kiadta a járművet, vagyis amire tervezve, vagy hitelesítve lett. "
Az alis 200ft-os led nem hinném, hogy gyári egy robogóban
És mi van a szembejövővel, mikor elvakítod és ő szenved balesetet? Te láttál és nagyon jól látható voltál, ő meg pusztuljon csak...
-
válasz
BlackPriest
#80910
üzenetére
Ez így ebben a formában nem igaz!
Vannak E jelzéssel ellátott majdnem tökéletes vetítési képpel rendelkező utólagosan cserélhető fényforrások. utána kell olvasni
Van az a helyzet ahol eldöntheted, hogy az életet vagy a szabályokat és a halált választod
Látni és látszani, majd utána jöhet a bürokrácia. -
tothferenc
senior tag
válasz
Zoli bácsi
#80911
üzenetére
ez ilyen szürke zóna. Ha nem kirívó, nem fog a rendőr megfarkalni érte. BTW nekem is van a motowellen. Sőt, a gyári halogén h11 helyett is led van (gyűjtőlencsés a lámpatest, így nem vakít mindenfelé), csak át kell kötnöm akkura, mert alapjáraton vibrál....
mondjuk sokat nem használom, mert sötétben nem igazán megyek vele sehova.
-
Zoli bácsi
őstag
És ezek az utólag felszerelt kiegészítő lámpák, amiket látok néha robogó sárvédőn? Nem tudom hogy ledes-e, de ezekre van valami szabály? Egy robogóssal beszéltem egyszer, azt mondta azért tette föl, mert a gyári világítás elég gyatra volt, és ez hatalmas kiegészítő fényt ad, ha bekapcsolja. De mivel a kismotort nem kell műszakira vinni, gondolom kutya sem ellenőrzi......
-
BlackPriest
őstag
válasz
tothferenc
#80909
üzenetére
nem véletlen illegális az utólagos ledesítés. én biztos nem kezdenék bele
-
tothferenc
senior tag
Az elso es harmadik verziot probaltuk kocsiba, lof@szt nem ert. Illetve de: kodlampanak. Fenyero megvolt, de akkora szort fenye volt, hogy masra tenyleg nem jo. Tudom, hogy a ventis biztatobb, mert van rajta hutes (ezert is nagyobb a fenyereje) de amikor beraktuk aposnak a kocsiba, mondtam is neki, az ilyen hutesben itt en nem bizom 😂
-
-
Akkor 2 izzószálas, az egyik vezeték multiméterrel sípolni fog az aksi negatív sarujára vagy a vázra, ahoz nem kell nyúlni, a másik 2-őt össze kötheted. így világítani fog mind 2 szál, többet fog terhelni.
Igazából nem ajánlott. H4-es ledet fogadnia kellene.
Aza durva, hogy a Ba20D foglalata is H4-es dugó.
-
Új hozzászólás Aktív témák
- GL.iNet Flint 2 (GL-MT6000) router
- Bekeményítenek az ügyfelekkel szemben a memóriagyártók
- PlayStation 5
- Hobby rádiós topik
- Okos Otthon / Smart Home
- NVIDIA GeForce RTX 5070 / 5070 Ti (GB205 / 203)
- HiFi műszaki szemmel - sztereó hangrendszerek
- Túra és kirándulás topic
- Folyószámla, bankszámla, bankváltás, külföldi kártyahasználat
- Ford topik
- További aktív témák...
- Azonnali készpénzes AMD Ryzen 1xxx 2xxx 3xxx 5xxx processzor felvásárlás személyesen / csomagküldés
- Apple iPhone 14 / 128GB / Kártyafüggetlen / 12HÓ Garancia / Akku: 85%
- 185 - Lenovo Legion Pro 7 (16IAX10H) - Intel Core U9 275HX, RTX 5080
- KÉSZLETKISÖPRÉSI KARÁCSONYI ULTRAAKCIÓ! - MacBook Air M4 16GB 512GB Garancia!
- Xiaomi Redmi Note 14 Pro+ / 8/256GB / Kártyafüggetlen
Állásajánlatok
Cég: PCMENTOR SZERVIZ KFT.
Város: Budapest
Cég: Laptopszaki Kft.
Város: Budapest

Volt még egy jó, azt beraktam minden jó. Ilyet vettem, ebből viszont nem találok jobb+ változatot (ami van méretben nem jó) Helyette mit nézzek? Bannert a szerelő szerint hamisítják, többet is vittek hozzá már h egy hónapos és kuka. Exide, Landport milyen minőség?




Nekem ilyen van elrakva
annyit modositottam, hogy szetcsavaroztam, es a led hatso felere egy 20x20-as alubordat ragasztottam a jobb hoaramlas miatt.

