-
Fototrend
Ez itt, az elektronikával hobbiból foglakozók fórumtémája.
Lentebb összegyűjtötttem néhány elektronikával kapcsolatos, hasznos linket.
Új hozzászólás Aktív témák
-
CPT.Pirk
Jómunkásember
Valaki foglalkozott a kondenzátoros kísérletemmel a héten?
Érdekes adalék a témához, hogy a kondit fel lehet tölteni úgy is, hogyha a negatív tápot az alu kupakhoz érintjük hozzá. A feszültség ekkor is megjelenik a normál lábakon, de ~1V-val alacsonyabb lesz, mint a tápfeszültség. A maradék a kupak és a negatív láb között lenne mérhető, de a műszer hozzáérintése után nagyon hamar felborul a "feszültség rend", azt gyanítom, hogy ennek a dolognak a korábban említett valamilyen nagy belső ellenálláshoz lehet köze, amire rákapcsolódik a műszer szintén nagy ellenállású bemenete.
További adalék, hogy fel lehet tölteni egy kondit is úgy, ahogy a led világít a kupak és a pozitív láb között, ekkor kb. az 1. kondi kupak és pozitív lábak közötti feszültség felére áll be a feszültség, ami normális jelenségnek tűnik.
A kondi furcsa működése ekkor a második kondenzátoron is megfigyelhető. Az összesített világítási idő 2 kondi esetén kicsit kevesebb mint egy esetén, szóval nem csapoltuk meg az étert, a szubteret, vagy a mennyeket, de továbbra is keresem a választ a kondi furcsa viselkedésére, és hogy honnan jön a plusz töltés, amit nem vittünk be a rendszerbe. -
Gyula84
veterán
Lehet egyszerűbb lenne őket megkérdezni ez ügyben mármint a kapcsolós kérdéssel.
Egyaltalan h vezerelhet 5 kulon dolgot a tav, ha a frekvencia azonos?
A frekvencia csak egy hordozó ezen lehet több információ is amit a vevők megkülönböztetnek. Talán nem írtam hülyeséget (csak egy kőműves vagyok
) -
válasz
vodkaboy22
#29695
üzenetére
Nem rég elég sok 0-2 éves notiba volt "szerencsém" belekukkantani hát csak annyit a hűtésükről,hogy régebben 1db hőcsöves hűtő volt a VGA-nak és 1db a procinak.A nagy spórolással közös hűtőre tették a VGA-t és a CPU-t de van,hogy + a chipset-et is.Nem is kell mondanom,hogy mi történik ha eldugul az az 1 közös hűtőcske

-
vodkaboy22
addikt
válasz
CPT.Pirk
#29693
üzenetére
Nem igazán, mert volt egy a kezemben és a balfelső sarokban a kék inkább zöld volt kapásból volt rajta vagy 3-4 észrevehető pixel hiba és kb mindenhol a dpi értéket nyakig kellett nyomni, hogy használható legyen a gép, de akkor meg minden ikon stb torzult ... win7-et felraktuk rá használhatatlan volt külső monitor nélkül... Akkor kérem megéri? Natívan filmek se támogatják ezt a felbontást 16.9-es 1080p filmnél ódivatúan sok a fekete szallag .... Safari müködőtt korrekten chrome 150% nagyítással és pár program, de hát nekik csak ennyi kell

-
CPT.Pirk
Jómunkásember
válasz
vodkaboy22
#29691
üzenetére
Persze, mert ha valami 0.5 cm széles, akkor az már vastag nekik, meg a sznob vásárlóiknak.

Oké, hogy leáll mert túlmelegszik, de addig a retina ultra quadhd képernyőtől beájulunk.

-
vodkaboy22
addikt
válasz
CPT.Pirk
#29690
üzenetére
Szerintem ez az asztali oldalon azért ilyen látványos mivel a mobil technológiák lettek az elsődlegesek és lassan csupán azok módosított variánsai lesznek az asztaliban (talán kivétel dgpu) , de sajnos a laptopok még mindig sunyira túltudnak melegedni...

A legnagyobbat akkor röhögtem amikor télen a nagyon csuda apple pro 15 retina lekapcsolt hővédelem miatt
-
-
vasii
senior tag
Sziasztok,
venni akarok egy rf taviranyithatos dugalj szettet, meg plusz 1-2 dugaljjal.
A kerdesem az lenne, h vajon talalhato e olyan rf villanykapcsolo, ami vezerelheto ennek a tavjaval vmelyik csatornan? Egyaltalan h vezerelhet 5 kulon dolgot a tav, ha a frekvencia azonos?
Köszi
-
válasz
ViZion
#29686
üzenetére
Ha hőtermelést nézzük egy PC esetében manapság is a VGA "lehet" a legforróbb hardvere egy gépnek.Már nem nagyon használ senki Pentium D 8xx,9xx procikat jól meg tunningolva azok tudtak igazán melegedni.A mai VGA-k is már lényegesen kevesebb hőt termelnek mint pl a 8800GT és 9600GT.
Épp inkább az felé haladunk,hogy a mai procikkal elmegy a gép passzívba is...Azt sem igazán értem amikor váltig erőltetik,hogy az Ő gépükhöz kell az 1000W-os PC táp amikor egy max 90W-os és max 200W-os VGA van a gépben.....
-
-
CPT.Pirk
Jómunkásember
válasz
ViZion
#29683
üzenetére
Dugasztáp, relé, 555-ös időzítő kapcsolás, ezekből meg lehet oldani a dolgot. Bár a szükségét még mindig nem látom ennek... Miért állna le játék közben? Ha le is állna, ott a hővédelem. A pár másodperc zaj se egy nagy vásziszdász, úgy se kell állandóan újraindítani a gépet.
Laptopnál meg a powered USB dolgot a bios kezeli, ha tud ilyet a laptop, ilyen szoftvere megoldások nem tudom mire lehetnek jók.
szerk: hát itt elég régóta...
-
válasz
CPT.Pirk
#29681
üzenetére

Háát már itt is![;]](//cdn.rios.hu/dl/s/v1.gif)
De, van rá szükség. Pl. ha csak restart van, vagy most, h faragom a tuningot, olyankor a hűtés is leáll, induláskor meg hangos pár sec.-ig. Másrészt ha játékban szállna el, akkor is legyen ami elvezeti a hőt. Azért is kérdeztem itt, h mit lehetne, mert nekem így mindkettő túl bonyolultnak tűnik (plussz táp vagy plussz aku, etc...) azt tudom, h viccboxra van visszahűtő kapcsolás (~2000 Ft), de nem adnak el, csak beszerelés van

Másik, h a lapom tud ilyen USB töltős dolgot, még soha nem próbáltam... elvileg adnia kellene delejt lekapcsolt állapotban is
Lehet telepítem és rámérek, h van-e tényleg lekapcsolva is fesz. -
Sziasztok!
Számítógép hűtéshez szeretnék visszahűtő áramkört. Ebben kellene segítség

Ami a lényeg, h gép lekapcsolása után még ~1 percig menjen a szivattyú és a ventillátorok (kb. max 15-20 W).
A cuccok a gép 12 V ágról kapják, egy ventivezérlő áramkör után a delejt. Tehát nem folyamatos 12 V-on üzemelnek jelenleg.Amire gondoltam: van elfekvőben printer táp, ami 230 V ac -> 16 V DC-t tud, ebből lehetne a 12 V a vezérlőnek,
a 220 V ágra meg egy relé, amit a PC tápról kapná a jelet, ehhez kellene valami késleltető áramkör, vagy olyan relé ami tudja ezt.
Probléma: viszonylag sok alkatrész, még egy táp (+ a vesztesége), több hibalehetőség...Van egy másik elképzelésem: a bemenő ágra egy kis akku, egy átkapcsoló relé átbillentene rá,
amikor a gép táp megszűnik. Probléma: töltés (ez nekem passz), illetve a pl. 6 V akku ne menjen a vezérlőbe, hanem közvetlenül a cuccokra...
Viszont ez kevesebb alkatrész elvileg... Itt csak a töltés aggaszt, nem tudom ahhoz kell-e vmi vezérlés, h ne legyen túltöltés meg ilyesmi...
Illetve mit javasoltok?
-
moha21
veterán
válasz
DonThomasino
#29677
üzenetére
[link] itt találni róla infót, nem tudom melyik verzió. Ki kellene próbálni rendesen és megmérni, így mást nem tudok mondani. Lehet mondom csak szar volt a kontakt.
-
moha21
veterán
válasz
DonThomasino
#29675
üzenetére
Milyen táp? Lehet rossz volt ( inkább biztos ) a kontakt az alaplap és a tüskék közt azért égett meg.
-
moha21
veterán
válasz
DonThomasino
#29669
üzenetére
Túl volt terhelve a 3.3 saru, a cicergés meg normális. Mivel terhelted? Mert egy izzót elvisz az még nem elég.
-
Üdv
Közelgő korosodásom napja alkalmából megleptem magam egy ilyen készülékkelEgy szinte testvére már van a lakásba.
-
DonThomasino
veterán
Kaptam egy PC tápot a 3.3V narancssárga saru meg van égve néha kicsit cicereg.
Az értékei hibátlanok, terheltem a 5V os és 12V os ágat is brja rendesen.
Mi lehet a baja? -
Lompos48
nagyúr
válasz
x1port
#29658
üzenetére
A sorkimenő trafó cicereg a 15,625 kHz-es sorfrekvencia miatt. Rárakódott por, valami fellazulás szokta okozni. Nem veszélyes, csak kellemetlen hallgatni. Belenyólni nem ajánlatos, mert huszonannyi kV van a környékén.
Kb. 10 éve nem gyártanak már CRT tv-t.
Amit árulnak azok újrafeszhasznált, vagy a megmarad készletet újraárulják.Ez így nem igaz!
-
Lompos48
nagyúr
válasz
vodkaboy22
#29657
üzenetére
Azért a zseniségig még van.
Persze, hogy lehet. De 2 nagyfeszültségű táp elég "kényelmetlen" megoldás. A pozitronokkal csak provokáltam. 
-
x1port
addikt
Sziasztok !
Szüleim hagyományos nagykèpernyős tévèjéből néha irdatlan magashangù sìpolàs hallatszik.(nem a hangszòròbòl).
Mi lehet ez? Javìthatò hàzilag? köszi -
vodkaboy22
addikt
Zseni vagyok

Na itt pozitronok mászkálnak vajon???

Mire nem jó egy félüveg bor az ember még a végén kreatív lessz...
Tina szerint femtovolt kimeneti dc offset ha az a valóságban felcsúszik 10-20mV-ra akkor is a kutyát se érdekel és nincs nagy sunyi elko a kimeneten! Megépítem csak kell még pár ecc88-as... Muhahaha -
darvinya
titán
-
Lompos48
nagyúr
válasz
DonThomasino
#29650
üzenetére
A totya694 dokumentációjának második felében elég jól elmagyarázzák.
De ha megadod az alapműszer adatait és milyen végkitéréseket akarsz az új skálákon, akkor kiszámolhatjuk együtt.
Az lenne 3.3V?
Igen.
Mi az ami cicereghet egy pc tában....? tarfó és kondi?
Szerintem trafó, tekercs. Egyesek állítják, hogy akár kondi vagy félvezetők is, de én ilyet még nem láttam/hallottam. Ha majd tapasztalom, akkor rábólintok én is.
-
Lompos48
nagyúr
válasz
vodkaboy22
#29651
üzenetére
Szimmetrikus táppal és pozitronokkal működő komplementer triódával.

-
válasz
vodkaboy22
#29651
üzenetére
Először meg kell építeni eredetibe majd utána lehet variálni.
-
vodkaboy22
addikt
válasz
totya694
#29649
üzenetére
Mióta nézegettem ezt a kapcsolást amit küldtél gondolkodom rajta, hogyan is lehetne módosítani és most, hogy cpt Pirk is írta, hogy ilyet használ lehet adni kéne neki egy esélyt hátha jó

De én gondolkodom egy kis modifikáción!
Ha már visszacsatolt és ha már komplementer végfokozatú mi lenne, ha elhagynánk azt a buta nagy elkot a végéről?
+-110V-ot neki masszív DC negatív visszacsatolással, és párhuzamos kondival a visszacsatolásban, hogy a visszacsatolással a jel erősítése ne legyen több 2- 2.5nél.
Valahogy a két trióda közti ofszet feszt bekéne löni 50mV alá hmm lehet egy műverősítővel megoldható lenne csak azt el kéne izolálni a jelúttól.
Ötletek?
-
Lompos48
nagyúr
válasz
atesss
#29646
üzenetére
Nem írtam a legérthetőbben. Először az ellenállás "felső" végére gondoltam, ami a táp, meg a tényleges feszültségesésre az ellenálláson. Az utóbbi helyett megfelelt volna a LEDen eső feszültség is, mert abból is számítható különbség. És ez kell, hogy lehessen tudni mekkora feszültséget kell "megegyen" az ellenállás, hogy a diódát rendesen hajtsuk meg (harmadik oszlop a táblázatban). Drótkeresztmetszetek érdektelenek ilyen áramoknál.
-
atesss
addikt
válasz
Lompos48
#29546
üzenetére
Egy gyors mérés, sajnos nem volt új elemem.
Elem feszültség: 1,43V (4db) --> Utáp=5,72V
Led árama: 23,8mA.
MOD: Uled=2.92VAz előtéten lévő feszt kicsit nehezebb megmérni (nehéz hozzáférni), de megnézem azt is holnap.
mekkora a tápfeszültség az előtétellenálláson és a feszültségesést is ugyanazon
Ezt nem igazán értem. A kettő ugyanaz. Mondhatnánk, hogy a hozzávezetéseket ne nézzük, de akkor ilyen alapon már nem tudom megmérni az előbbit sem teljesen pontosan.
De mivel 50mA alatt vagyunk, és min. 4V felett, azt hiszem ezzel tényleg nem kell foglalkozni (0,5-ös és 0,75-ös vezetékeket használtam belül kis tartalékokkal, de azért elég jól méretre vágva; és nem egy több m-es méretű eszközről van szó.) -
CPT.Pirk
Jómunkásember
válasz
vodkaboy22
#29642
üzenetére
Az "optimalizált Morgan Jones" erősítőt csináltam meg, a visszacsatolás miatt erre kis impedanciás fejhallgatót is rá lehet kötni, nem csak 120ohm és fölötte, jól fog szólni 16-32 ohmon is.
A fórum most nem jön be, ott voltak mérések, de a kapcsolás maga megvan szerencsére:

Annyi eltérés van az enyémben, hogy a kicsatoló kondik 330uF-es példányok, mert ezek nem olcsók és előzőleg olyanból rendeltem 10-et.
A trafót meg nem lehet túlméretezni szerencsére, csak alul
Egyébként a 86 SE-m trafója volt eredetileg, de 2 csatornánál ha több van rajta, akkor már eléggé komolyan melegszik, így az végül kapott egy bika toroidot, a régi trafót meg felhasználtam az OTL-ben. 
-
CPT.Pirk
Jómunkásember
válasz
vodkaboy22
#29633
üzenetére
Lehet már linkeltem, így néz ki az enyém: [link]
-
válasz
vodkaboy22
#29634
üzenetére
Csak viccnek szántam a hsz-omat

-
válasz
vodkaboy22
#29629
üzenetére
Ez a cikk címe?

"404 - Not Found" -
Reggie0
félisten
válasz
moha21
#29575
üzenetére
Arra gondoltam, hogy regebbi hazban vagy videken nem nehez a szabvanyoktol eltero foldelest talalni, gyakorlatilag barmi elofordulhat. Meg olyat is lattam, hogy a nagyokos szerelo nem volt tisztaban azza, hogy regen piros szinnel jeloltek a vedofoldet, igy batran be is kotott ra egy fazist. Persze egy masik szobaban az volt a foldeles, igy egy szoba a fazison lebeget... Szoval jobb a kalyhatol indulni, mert barmi elofordulhat.
-
CPT.Pirk
Jómunkásember
válasz
vodkaboy22
#29629
üzenetére
Milyen cuccról írtál? Nekem most pcl/ecl86 SE erősítőm és e88cc OTL füles erősítőm van. Ez utóbbihoz majd teszek egy DAC-ot, csak lusta vagyok, először be kellene burkolnom őket végre.
-
vodkaboy22
addikt
válasz
vodkaboy22
#29628
üzenetére
Akkor megvárom míg elfogadják ma már nem vacakolok vele...
![;]](//cdn.rios.hu/dl/s/v1.gif)
-
CPT.Pirk
Jómunkásember
válasz
vodkaboy22
#29626
üzenetére
Itt az első:
Amíg nem fogadják el a cikket, addig csak te látod.
![;]](//cdn.rios.hu/dl/s/v1.gif)
Tedd be egy személyes bejegyzésbe, azt meg tudod osztani, amikor kikerült a cikk, akkor meg törölni. Valszeg egy-két nap úgy is el fog telni, mire kirakják a cikked.
-
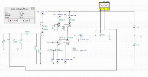
vodkaboy22
addikt
[Elkészült még nem lektorált cikkem]
Csöves előerősítő cikkem bármilyen építőjellegű hozzászólásnak örülök!
-
Lompos48
nagyúr
válasz
pyron25
#29620
üzenetére
A 400V-ban semmi csoda nincs. 230V~ egyenirányítva a csúcsfeszültségig növekedhet:
230V x 1.41 (gyök 2) = 324.3V
Ha pedig a szolgáltató a megengedett 10%-kal nagyobb értéket szolgáltat, akkor már mindjárt 357V lesz. Ehhez hozzátehető az esetleges tranziens csúcsok "érkezése", tartalékot is illik ráhagyni és akkor mindjárt ott vagyunk.
Állítólag a tranzisztor felelős azért hogy "hamar" tönkremennek ezek.
Nem állítható, megtörténik. Eddig a legtöbb szétszedett égőben maga a fénycső hibásodott meg. De mivel semmi hűtés/szellőzés nincs és valamennyi melegedés mégiscsak vak, amiatt száradhatnak az elkók is. Arról nem is beszélve, hogy az öregedő fénycső egyre inkább "kínozza" a tranzisztorokat, amik a nyomott(abb) árak miatt már csak a TO-92 tokozású pici tranzisztorok a nagyobb tokok helyett.
-
Lompos48
nagyúr
válasz
DonThomasino
#29615
üzenetére
Ismerni kell a műszer végkitérésének megfelelő áramot. Ennek tudatában számolható az előtétellenállás feszültségméréshez vagy a sönt áramméréshez a "kitűzött" új skálavég-célhoz.
-
pyron25
aktív tag
Úgy látom megtaláltam én is a helyem, ugyan is engem is nagyon érdekel az elektronika, igaz még tanulok de mindig "barkácsolok" valamit.
A kíváncsiságtól vezérelve meg is néztem, hogy hogyan néz ki a kompakt fénycső azaz az energiatakarékos izzó gyújtója.
Ami a leginkább meglepett hogy az E27-es foglalatú izzóknál 400V-os gyújtókondi van.
Egy kicsit elgondolkodtam, hogy valljon milyen áramköri elemmel határozhatják meg az izzó élettartamát?
Állítólag a tranzisztor felelős azért hogy "hamar" tönkremennek ezek. -
moha21
veterán
válasz
DonThomasino
#29615
üzenetére
Árammérés sorosan, feszültségmérés párhuzamosan a mérendő körrel.
-
válasz
DonThomasino
#29617
üzenetére
-
válasz
DonThomasino
#29615
üzenetére
Nem nehéz de kell 1 kapcsoló is bele
-
DonThomasino
veterán
Egy alapműszeren összehozni egy kapcsolást amivel feszültséget
és áramot is tudok mérni, mennyire nehéz ? -
CPT.Pirk
Jómunkásember
válasz
artiny
#29613
üzenetére
3,7V, 3200mAh Li-Ion
Ebből az következik, hogy a 3.2Ah-s aksit egy 2A-s töltő minimum 1.6 óra alatt töltené fel, ha a gép ki lenne kapcsolva és nem lenne veszteség, ami melegedés formájában jelentkezik. Ha a veszteséget is rádobjuk, akkor számolhatsz 2 órával kikapcsolt állapotban.
A gép fogyasztása saccra pár száz mA körül lehet ha visszaszámolsz az üzemidőből, de a töltési idő ezek szerint sem lehet több, mint 3-4 óra bekapcsolt állapotban. Ez összevág a kínai, de ugyanilyen belsejű saját tabletünk töltési idejével is.
Nálad valószínűleg a 2A-s töltő nem tudja, amit ráírtak, vagy nem 2A-s. -
artiny
őstag
Helotok
olyan kerdesem lenne,hogy szerintetek mi lehet a baj a tablettal amit most vettem (concorde tab speed)
10-12 orat kell toltenem ahhoz hogy 10-rol 100% ra toltodjon.
Az tolto 2A ros ha jol tudom. -
sörösló
aktív tag
válasz
darvinya
#29608
üzenetére
"lebuktam szemmértékre mérek,
35m-ig 0.5cm tévedek ezért nem kell mérőszallag és fejből térhálórajzot készítek"Van ilyen, miért is ne lenne. Volt főnököm csak megdörzsölt egy darab lemezt az ujjai közt, és közölte: 0.14 mm. Ha mégsem annyi volt akkor biztosan poros lehetett a lemez vagy nem jó a színe.

-
x1port
addikt
Talàn ez a legjobb , legintelligensebb fòrum ahol jártam. Maradjatok ilyenek!

-
-
darvinya
titán
válasz
Lompos48
#29605
üzenetére
Csak a fénykép alapján vezettem vissza és rajzoltam meg az áramkört.
(térben elképzelve a alkatrészek elhelyezkedése/lábai és a nyomtatot áramkör kapcsolódások)
Pont mint az erősítőnél.

(lebuktam szemmértékre mérek,
35m-ig 0.5cm tévedek ezért nem kell mérőszallag és fejből térhálórajzot készítek) -
Lompos48
nagyúr
válasz
tigerscorpio
#29606
üzenetére
Darvinya is utalt egy (pont?) olyanra [link]. Azért gondoltam.
Az új kép nem hoz semmi új információt.

A NYÁK képéből ki lehetne sillabizálni, de nem hiszem, hogy megérné az elvesztegetett időt. Pláne nekem!

-
darvinya
titán
válasz
Lompos48
#29600
üzenetére
Akárhogy nézem, de a fázis egy dióda és ellenállás után jut el a „varisztor"-hoz.
De akkor ennek semmi értelme, max. egy LED-et ellátó áramkörhőz.
A túlfesz kapcsoló miért nem közvetlenül van összekapcsolva a föld és fázis, ami beindítja…
(#29603) sörösló
Ezen behalok a szövegen.

Mondhatjuk úgy is, hogy tervezet élettartam.
5 év után nincs ilyen panel gyártás.
Mivel javíthatatlanok és leírás sincs, más nem maradt mint kuka, és venni kell az újat. -
-
sörösló
aktív tag
válasz
Lompos48
#29594
üzenetére
"Akkor még nem gondolkoztak a gyártók tervezett élettartamban (és még ma se vagyok meggyőződve teljesen)."
Sokszor én sem akarom elhinni, de a tények makacs dolgok. 120 cm-es 6 éves plazmatévé, intenzív napi használat mellett. Van benne 4 panel meg a plazmaképernyő. Ennyi. Panelszinten nem javítható, panel ha van 30-40 rugó darabja. A javítási szervízútmutató ennyi:Ellenőrizze a tápfeszültségeket. Cserélje ki az 1. számú panelt. Ha nincs eredmény, cserélje ki a 2.számú panelt és így tovább... Magyarul lökd ki és vegyél újat vazze!
.
Új hozzászólás Aktív témák
- Rog Ally Z1 Extreme 512GB SSD/16GB RAM, szép állapotban, üvegfóliás, garanciális
- Lenovo laptop i3-8130U / 4GB RAM / 256GB NVMe SSD / GeForce MX110 / Win10 hibátlan esztétika
- ChatGPT Plus, Előfizetések
- Latitude 9330 2-in-1 13.3" QHD+ IPS érintő i5-1240U 16GB 256GB NVMe ujjlolv IR kam gar
- Akcio! Csere- Beszámítás! Xbox Series S Játékkonzol!
- BESZÁMÍTÁS! ASUS H510M i5 11400F 16GB DDR4 512GB SSD GTX 1060 6GB Zalman T4 Plus DeepCool 400W
- Xiaomi Redmi Note 12 128GB, Kártyafüggetlen, 1 Év Garanciával
- Telefon felvásárlás!! iPhone 16/iPhone 16 Plus/iPhone 16 Pro/iPhone 16 Pro Max
- MacBook felvásárlás!! MacBook, MacBook Air, MacBook Pro
- 131 - Lenovo Legion Pro 7 (16IRX9H) - Intel Core i9-14900HX, RTX 4080
Állásajánlatok
Cég: Laptopszaki Kft.
Város: Budapest
Cég: PCMENTOR SZERVIZ KFT.
Város: Budapest

)





![;]](http://cdn.rios.hu/dl/s/v1.gif)

Lehet telepítem és rámérek, h van-e tényleg lekapcsolva is fesz.











ekkold
