-
Fototrend
Ez itt, az elektronikával hobbiból foglakozók fórumtémája.
Lentebb összegyűjtötttem néhány elektronikával kapcsolatos, hasznos linket.
Új hozzászólás Aktív témák
-
kjani18
őstag
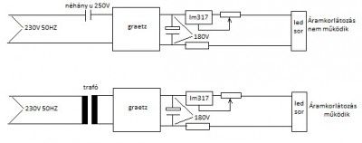
Erre valaki légyszi!!
-
Lompos48
nagyúr
válasz
DonThomasino
#24097
üzenetére
Erről az előadásról rendszeresen lógtam.
Most nem fog furdalni a lelkiismeret ha egy dolgot nem tudok. 
-
szeva000
addikt
válasz
DonThomasino
#24094
üzenetére
eléggé el vagy maradva

ennek volt az elődje....én csak walkman-nek hívtam,mert úgy nézett ki és rá kellett szorítani a fejére a disznónak
Működnek ezek rendesen,nincs ezzel baj...csak vigyázni kell.Amúgy 60-80V körül mennek.De láttam már 100V felettit is.
Ha jártál volna már vágóhídon láttad volna a nagyüzemi kínzást...ott is így ölték őket csak automata módon....
ez sokkal jobb,mint a kés...mondjuk szúrni is kell azonnal,mert másképp megalvad a vér....azonnal megfekszik tőle amúgy. -
Gyula84
veterán
válasz
DonThomasino
#24094
üzenetére
Szerintem nem kell annyi, de nem is az van ráírva hogy ennyi megy disznónak csak, hogy a készülék ennyivel működik.
(#24095) Lompos48
Nekem 110v rémlik van egy hentes ismerősöm mintha ennyit mondott volna
-
Lompos48
nagyúr
válasz
DonThomasino
#24094
üzenetére
Kellhet a 230V. Gondolj bele: legtöbbször 1.5 - 2 - 2.5x súlyosabb, mint te és zsírral van tele, ami rossz vezető. Valószínű, hogy a test bizonyos zónájába kell döfni az azonnali hatásért.
-
Lompos48
nagyúr
válasz
DonThomasino
#24092
üzenetére
Csak a pántját kell meghosszabbítani.

-
DonThomasino
veterán
Ki látott már ilyet? 
[link]
Félelmetes egy műszer.
Ha lenne vállra akasztós változatba lehet rendelnék.
-
Lompos48
nagyúr
válasz
DonThomasino
#24090
üzenetére
A hipersil az vasmag. Olyan trafót tekersz rá, ami jólesik. Ahány szekunderre kedved van. Sokkal nagyobb permiabilitása, kisebb veszteségei vannak és frekvenciában is "elmegy" az 5000Hz környékéig.
-
DonThomasino
veterán
A hiperszil trafók általában több secunderrel rendelkeznek?
Vagy lehet 1 secunder körös is. -
tsu
tag
forum.wikitech.hu/viewtopic.php?t=29247
Potyo vas. dec. 04, 2005 22:45 -i írását olvasva szerintem jó az elképzelésem. Logikus, érthető a leírása. Ezek szerint képzeltem az előző leírásomat. (Elnézést, nem tudok rendesen linkelni mobilról) -
szeva000
addikt
dehogy működik úgy(vagy csak én nem értettem az írásod
)...először is a tekercseket kösd át deltába.Így maradni fog 3 véged.Kettőre rákötöd a ~230V-ot éa valamelyikre a kettő közül a kondi egyik végét...a harmadik végen a kondi másik vezetéke megy.
550W-ra nagy lesz az 50-es üzemi kondi...kb 20uF körül próbáld...
va -
tsu
tag
Üdv Urak.
Egy 3 fázison lógó motort kötnék át 1 fázisra. Köszörűként működik, alkamanként 5-10 percre, havonta egyszer, nincs hosszú távú terhelésnek kitéve. 550 W 220/380V Y/D szerepel az adatlapján, minden tekercs külön kivezetve. Eddig 380 (400) volton üzemelt csillagban. Elképzelésem szerint a következő képpen kötném be: 2 tekercs párhuzamosan, a maradék tekercs egy 50uf körüli kondin (állandó üzemű) keresztül rákötve. Működhet? -
doc
nagyúr
válasz
Lompos48
#24044
üzenetére
sajna nem, a foton a kep tetejehez legkozelebbi, "12 oranal levo" szal az egyik ami el van szakadva, a masik kettovel arrebb, 3 oranal
miert, ha a 12 oranal levo nem lenne szakadt, akkor mi lenne a jo hir?
amugy beszeltek egyik kollegammal, azt mondja o ELVILEG tud wire bondingot csinalni, gyakorlatilag meg sosem sikerult neki

szerintem rabizom, aztan vagy sikerul, vagy nem... -
CPT.Pirk
Jómunkásember
válasz
DonThomasino
#24080
üzenetére
Azt még nem tudjuk mit szeretnél ekkora teljesítménnyel. Villamosszékhez ugyanis nem jó az egyenáram, mert nem hal meg a páciens de cserébe ropogósra sül.
![;]](//cdn.rios.hu/dl/s/v1.gif)
(sajnos történt egy ilyen eset a valóságban, az első villamosszékes kivégzéskor) -
válasz
DonThomasino
#24080
üzenetére

-
válasz
DonThomasino
#24078
üzenetére
Bontott PC tápokból is szép greatz-eket ki lehet amputálni.
Pl.KBU607
-
válasz
DonThomasino
#24076
üzenetére
Üdv
Nem lenne jó(de mire is?)
-
Gyula84
veterán
-
Tamy
őstag
válasz
Lompos48
#24070
üzenetére
Lehet, hogy párhuzamosan, mint korábban is írtam, én nem foglalkoztam vele, csak arról jutott eszembe, hogy azt írtad ledekhez is kell a Zener. Nem kerestem vissza, nekem kb. totál mindegy, hogyan kell kötni a ledeket hozzá, csak rémlett, hogy a ledekhez nem kell bele. Én NEM kötök rá ledet

-
Lompos48
nagyúr
Az előbb vétettem: az ellenkező irányba kötött 2 LEDnek párhuzamosnak kell lennie. Sorba kötve a záróirányú is kezd vezetni 5V környékén és pillanatok alatt tönkre is megy. Limitálásról itt se lehet szó.
A Zenernek mindenképp mennie kell, pontosabban lesz helyette másik, de jóval nagyobb feszre.
Csak a magad gondjait szaporítod a nagyobb feszültségre való tervezgetéssel/keresgéléssel. De te tudod!
-
Lompos48
nagyúr
válasz
totya694
#24069
üzenetére
Lehet válogatva voltak, ki tudja?! Attól még én nem fogok egyetérteni vele. Ugyanakkor tehettek volna egy nagyobb hidat is, kijött volna a másik 4 árából.

A legjobban azt élvezem, hogy a hidak zöld epoxyba vannak oltoztetve, aminek az ára anno 5...7-szer volt nagyobb a feketénél. Valamikor a zöldet kizárólag a pnp tranzisztorok megkülönböztetésére használták.
-
Tamy
őstag
válasz
Lompos48
#24059
üzenetére
Az egyik led mindig záróirányban van, így nagy ellenállást képvisel. Én nem foglalkoztam vele, mert nem akarok rá semmilyen lámpát kötni, de több helyen írták, hogy működik így a dolog.
A Zenernek mindenképp mennie kell, pontosabban lesz helyette másik, de jóval nagyobb feszre.
-
Batman2
addikt
Az terhelés nélküli fesz. érték !
Ezért szoktak bele zener diódát tenni, ami 30V körüli fesz fölött földel, így nem lesz veszélyesen magas feszültség (viszont folyamatos ellenállást fog kifejteni a dinamó tekerés közben).
Kicsi terhelést, mondjuk egy ellenállást kell rá tenni.Üdv.
-
Lompos48
nagyúr
válasz
Lompos48
#24061
üzenetére
Az IC lábai közti távolságnak 2.54mm -nek kell lennie. Ha csak ez a DIP18 kerül beszerelésre, ez még beforrasztható, de egy DIP24 vagy nagyobb esetén már összeadódnak a kis különbségek. Ha pedig a nyák sarkainál található rögzítési/szerelési furatokat nézzük, ott már komoly eltérés lehet. Ez alapján mérlegelj és dönts!
Bocs' a fuserálásért.

-
Lompos48
nagyúr
válasz
Gyula84
#24060
üzenetére
Az IC lábai közti távolságnak 2.54mm -nek kell lennie. Ha csak ez a DIP18 kerül beszerelésre, ez még beforrasztható, de egy DIP24 vagy nagyobb esetén már összeadódnak a kis különbségek. Ha pedig a nyák sarkaib található rögzítési/szerelési nézzük, ott már komoly eltérés lehet. Ez alapján mérlegelj és dönts!
-
Lompos48
nagyúr
Ledes üzemmódban azt olvastam, hogy nem kell bele, ha jól emlékszem az a trükk, hogy két ledet egymással ellentétesen kötnek sorba, így egymást korlátozzák.
Ez egy téves információ. A LEDek sem képesek korlátozni semmit. Egy ilyen kötés, mint az említett csak arra jó, hogy a generátor által termelt vátófeszültségből az egyik a pozitív, a másik pedig a negatív félperiódus alatt fog világítani. A korlátozást mindig egy soros ellenállás végzi és az is áramot korlátoz, nem feszültséget.
Nem tudom százalékban kiszámolható-e az az energia, amit a Zener elfűtene, ha a helyén marad. Én meghagynám úgy, ahogy van a max 7-8V feszültséggel és inkább egy step-up áramkört tennék a 18V előállításához, ha ez az igény. Összhatásfokban lehet nem nyersz többet, mint a tengelyek rendes vagy szegényes zsírozása közötti különbség által eredményezettet.
-
Tamy
őstag
válasz
Lompos48
#24056
üzenetére
Igen, az lekorlátoz, de azt ajánlott kiszedni belőle, nem azért hajtom, hogy melegítse a levegőt
Természetesen így nem nagyon változik a fesz., a tesztekből is az jön ki, hogy már egész lassú tempónál (tolás közben) is megvan a 6V (és a lámpa is világít, tehát nem csak üresjáratban), és 50 km/h sebességnél sem emelkedik 7-8V fölé, de csak a Zener miatt. Ledes üzemmódban azt olvastam, hogy nem kell bele, ha jól emlékszem az a trükk, hogy két ledet egymással ellentétesen kötnek sorba, így egymást korlátozzák. Zener nélkül viszont sokkal meredekebben alakul a feszültség. -
Lompos48
nagyúr
Így már kissé más!
Akkor ha van benne egy Zener dióda, nem az lenne valószínű, hogy az pl. a 6V-os generátor esetén (hasból) olyan max. 7-8-9V-nál vagy a 12V-os esetén valahol max. 15V körül limitálna? Márcsak azért is, mert ellenkező esetben a generátor túlfeszültsége simán nyírná ki például a világításból az égőt, LEDet, vagy ami ott van? Anno tettem 4V-os égőt biciklilámpába, amibe 6V-os járt. Egy ideig élveztem milyen jól világít, aztán kicsit jobban rálépve a pedálra már nem világított. Szerintem ez a mai napig érvényes.
-
Lompos48
nagyúr
Olyat a Schottky nem tud. Ami előnye egy mezei szilíciumdiódával szemben a valamicskével kisebb nyitóirányú feszültsége (VF) meg a jóval nagyobb sebessége. Áramtól függően a VF értéke 0.3...05V lehet, de ha ezt a nyitást használnánk, akkor rég rossz. A záróirányú pedig jóval magasabb, mint az a néhány tíz volt, amiról itt szó van, na meg ha ebben az irányban nyit meg a dióda, akkor szempillantás alatt már nem dióda, hanem rövidzár. Ennyi.
-
Tamy
őstag
válasz
sörösló
#24048
üzenetére
Persze, hogy váltóáram, ezt írtam már többször is. Mindegyik "kerékpárdinamó" váltóáramot ad (én legalábbis még csak ilyennel találkoztam), legyen az a hagyományos dörzshajtásos, agydinamó, vagy épp küllődinamó. Ilyen görbéket meg szerintem soha nem fogok tudni mutatni, mert kétlem, hogy mellékelnének hozzá (használati utasítást már láttam a neten, abban nem sok műszaki paraméter volt). De még ha adnának is hozzá, az se lenne mérvadó, mivel gyárilag benne van a korlátozó Schottky dióda. A típusok között meg nagy eltérés nincsen szerintem, mindegyik 6V/3W névleges teljesítményt tud (illetve van 2,4W-os, meg elvileg 12V-os is, de most ezeket hagyjuk). Ilyen különböző típusú 6V/3W-os összehasonlító tesztet láttam valahol, sebesség/feszültség diagrammal, olyan hatalmas különbség nem volt köztük. Igazán csak az a kérdés, hogy mekkora üresjárati fesz.-re képes mondjuk 60km/h sebességnél, annál nagyon többel még lejtőnek se megyek. Megfordult már a fejemben, hogy valami bringás fórumon megérdeklődni ezt, de félek érdemben nem tudna segíteni senki, mert nem mérte még meg senki. Ezért gondoltam, hogy ha 80V AC-re tervezek (tehát kb. 110V DC), akkor nagy baj nem lehet. Persze jó lenne tudni mennyi is a max. reális sebesség mellett, mert könnyen lehet, hogy megáll 80-90V DC-nél, de erre sem találtam még kapcsolást. Én eddig csak a korábban említett IC-t találtam, ami számomra (min a témában laikus számára) alkalmasnak tűnik a feladatra. 100V DC-ig bírja, jó a hatásfoka, áramot bőven tud annyit, amennyi nekem kell, túl sok alkatrész sem kell mellé (ezt csak a mintakapcsolásokból gondolom), és árban is elfogadható.
Egy másik fórumon olvastam, hogy kb. 1 fordulat/sec. sebességnél 12V körül volt az üresjárati fesz. de 150-200mA terhelőáram hatására ez leesett 6V környékére. A rövidzárlati árama viszont meghaladta az 5A (ezt nem tudom mekkora fordulatszámnál). Ez a baj ezekkel, csak ilyen félinformációkat lehet összeszedni róla.
-
moha21
veterán
Ha szemre nem latszik semmi, akkor csak a mérés marad. Diódákat, tranzisztorokat elsőnek és mondjuk a forrasztásokat is átnézni. Kondenzátorokat is csak méréssel lehet pontosan megnézni, ráadásul csak olyan mérővel ami tud alacsony soros impedanciájú kapacitásmérést. Aztán, ha minden jó és mégsem jó, akkor az ic körül lehet nézelődni, de itt már nem árt tudni mit is csinál az és megfelelő eszközzel vizsgálni.
-
Poo
senior tag
erre esetleg valaki?

-
sörösló
aktív tag
Igen, az tényleg versenybringa . A 30-40 kg összsúlyú túragéppel sem igazán lehet száguldozni.
Az igazi gond az agyba épített áramtermelővel az, hogy nem igazán szabványosak a méretei. Persze a profi bringásboltok bármilyen méretű küllőt be tudnak szerezni, de lehet hogy ez hetekbe telik. Sokféle megoldás létezik a problémádra de ehhez elsősorban ismerni kell konkrétan annak a valaminek a tulajdonságait, ami az első kerekedben az energiát termeli. Egyen vagy váltóáram, teljesítmény, fordulat-feszültség görbe... Mindenre van megoldás, csak türelem és kitartás kérdése. Persze némi suska sem jön rosszul. Az egyszerű "agydinamó" valszeg váltóáramú és a kimenőfeszültségét a rákötött terhelés korlátozza. A manapság sokszor látott elektromos kerékpárok drágább példányain a brushless DC motorhoz csatlakozó elektronika visszatáplálja a fékenergiát az akkumulátorokba, szóval a határ a csillagos ég, na meg a pénztárca. -
Tamy
őstag
válasz
sörösló
#24042
üzenetére
Szerintem inkább versenybringára gondoltál. Én pont túrabicajra szánom, illetve amolyan mindenesnek. Szeptemberben voltam egy 22 napos biciklitúrán, hát a bringám volt vagy 30 kg, ha nem több, de csomagok nélkül se 2-3 kg. Van egy komolyabb napelemes töltőm, ennek van beépített akkuja is, és hálózatról is tölthető, ehhez kéne a 18V. Viszont be kellett látnom, hogy a napelemes technika még messze nincs olyan szinten, hogy alkalmas lenne ilyen célra, az út felénél segítséget kellett kérnem, mert már vészesen fogyott az energiám. Ezért gondoltam, hogy veszek egy agydinamót, ezt meg tudnám használni az energia tárolására. Van benne egy 12Ah-ás akku, és tud 5V-ot, ami a telónak kell, meg 12V-ot is, amivel már tudok ceruzaakkut és fényképező akkut is tölteni megfelelő töltők segítségével.
-
sörösló
aktív tag
válasz
Wind-Storm
#24041
üzenetére
Nem feltétlenül. Városi bringákhoz lett kitalálva, ahol természetes dolog a lassú haladás miatt a nagy áttétel. Itt az állandóan forgó kerékagyba épített "áramtermelő eszköz" fékezőhatásának hátrányát kiegyenlíti a valóban nagyfokú működési biztonság. Persze ilyesmit nem tesznek 2-3 kg összsúlyú, 40-50 km/órás sebességre képes túrabicajokba. Ott már ténylegesen fékezné a haladást. Itt marad a Duracell.

-
Tamy
őstag
válasz
Wind-Storm
#24039
üzenetére
Ez így nem igaz. Az elektromos hálózatról lehet csak leválasztani, nyilván üresjáratban minimális a fékezőhatás, de a keletkező örvényáramok miatt azért nem 0.
-
And
veterán
válasz
sörösló
#24034
üzenetére
(Az éles használatban való játszadozásról annyit, hogy nálunk - rengeteg robbanásveszélyes anyagot, oldószert és gázokat használó üzemegységek - régebben megszokott látvány volt a gázérzékelő fejekre húzott gumikesztyű, hogy nehogy már hatásos legyen a védelem /vészszellőzés beindítása, erőátvitel tiltása/. Ma azért már kicsit jobb a helyzet. Pár évvel ezelőtt egyébként az egyik kolléga a gyáron kívül, maszekolás közben /kazánokkal foglalkozott/ épp CO-mérgezés áldozata lett.)
-
Tamy
őstag
válasz
Wind-Storm
#24032
üzenetére
Az a küllődinamó lesz. Nézegettem azt is, egy befuccsolt projekt volt (illetve a gyártó csődölt be). Az házilag felszerelhető, az elve a km órákhoz hasonló, a villára van felszerelve, és egy kart kell behajtani a küllők közé, az forgatja. Könnyebb, mint az agydinamó, és házilag könnyű felrakni, meg persze kikapcsolható. Viszont több áttétel van benne, ráadásul műanyag fogaskerekekkel, így a hatásfokát eléggé lerontja, nem beszélve arról, hogy hangos is, és gondolom az alkatrész utánpótlás finoman szólva sem egyszerű hozzá.
-
sörösló
aktív tag
Igaz, nem CO. Mezis válaszát olvastam utoljára. A véleményemet fenntartom, az ilyesmivel életveszélyes dolog "játszani". Ha csak tényleg játék az asztalon akkor OK, de élesben használni soha nem szabad. Lehet hogy kissé paranoiás dolognak tűnik az akadékoskodásom, de olyan sok hajmeresztő barkáccsal találkoztam már, hogy mindenről a legrosszabb verzió jut eszembe.
-
doc
nagyúr
válasz
sörösló
#24027
üzenetére
felejtsetek mar ezt a marhasagot, hogy meghalok ha a szallitas kozben megserult gaz (es NEM, ismetlem N E M CO-erzekelot!!!) meg akarom javitani...
gondolom ti is egybol arokba lokitek az autot, ha eppen kieg az index egoje, ugye? hiszen a javitastol meghaltok...
szoval mielott meg tobben nekemugranatok:
NEM valamilyen mar meglevo CO vagy fusterzekelot szedtem szet, semmi koze az eletben maradasomhoz, egyetlen szomoru szemu kisnyuszi sem fog sirni ha sikerul megjavitani az erzekelot, stb... -
Tamy
őstag
válasz
kjani18
#24026
üzenetére
Itt egy kis olvasnivaló róla. Bringán használják, a régi dörzshajtásos (hagyományos) "dinamó" modern utódja. A tengelyre van szerelve, így menet közben állandóan működik, egyúttal ez az egyik legfőbb hátránya is, hogy valamennyire mindig fékez.
Még annyi, hogy az a névleges 6V-os fesz. az csak azért annyi, mert az itthon forgalmazott típusokban főleg életvédelmi szempontból (illetve izzólámpás használat miatt is) van 2db Schottky dióda. Ezt ledes használat esetén (is) ajánlott eltávolítani, feltéve, hogy az ember fia nem azért szakad meg a tekerésben, hogy jól befűtse az utcát

-
And
veterán
válasz
sörösló
#24027
üzenetére
De ez nem CO-szenzor (mondjuk ezt említette is), hanem éghető gázokhoz való érzékelő. Igaz, a szén-monoxid is éghető, de az alsó robbanási (égési) határértéke nagyságrendekkel nagyobb koncentrációnál - az ARH-értéke konkrétan 12,5% - van, mint amennyi a CO-mérgezéshez már elegendő.
Mod #24029-re, itt az adatlapja: [link], nem kellett sokat keresni
. -
Poo
senior tag
sziasztok,
tudnátok segíteni hogy abban hogy lenne egy hanns-g hd281 monitor ami nem kapcsol be abszolút.itt egy kép az inverterről amit neten találtam és megegyezik a benne lévővel,a biztositék az jó az lemértem és semmi égés vagy elpukkanást nem látok szabad szemmel.tudnátok segíteni hogy milyen irányba induljak el a keresgéléssel?
-
-
sörösló
aktív tag
válasz
totya694
#24012
üzenetére
A saruzásnak megvannak a maga aranyszabályai. Először is, járműtechnikában NEM forrasztunk! Egyébként sem forrasztunk semmi erősáramot, ez a technika az elektronika területe. Totya írta: "A forrasztás mellett is szeret eltörni a vezeték (főleg rezgő,mozgó motorokon stb)". Ez bizony pontosan így van. Az a pont ahol véget ér az ónozás, az a töréspont. Évtizedek óta nem használnak a járműtechnikában forrasztott kötéseket, csak préselnek. Ez nem véletlen, hanem gyakorlati tapasztalatok alapján kiérlelt technológia. Jó minőségű sarukat és a hozzájuk tervezett présfogókat kell használni, akkor nem "csúszik " ki a vezeték. Ha vékonyabb mint a rendelkezésre álló saru, akkor két-három visszahajtással kell kitölteni a saru üregét, hogy a préselés után megfelelő szorítóerő keletkezzen. A megfelelő présszerszám persze nem olcsó, bár ma már amatőr célra is kaphatók jól használható, de megfizethető árú példányok. Úristen, hány szénné égett berendezést láttam már az ónozás miatt meghalni!
-
Tamy
őstag
Való igaz, az elnevezés helytelen, a dinamó egyenáramú generátor, de most mit csináljak, ha így hívják, nem én neveztem el
A kerékpár generátorok váltakozóáramúak, de valamiért dinamónak hívják, ki tudja miért. A 80V nekem is soknak tűnik, lemérni viszont nem tudom, mert még nem vettem meg, de több helyen is írják, hogy felszökhet addig. Szerintem is csak üresjáratban, és azt is jó lenne tudni, hogy mekkora sebességnél, de ilyesmiről nincs adat. Az óvatosság viszont nem árt, és szerintem a teletöltött akku pl. nem túl nagy terhelés, egy esetleges szakadásról nem is beszélve, bár utóbbi viszonylag könnyen kivédhető. -
tsu
tag
Szia.
Az a 80V AC nekem egy kicsit soknak tűnik egy dinamótól. Lehet hogy terhelés nélkül van ekkora fesz, de szerintem terhelést rárakva nem megy fel eddig. Ezt kellene kipróbálni, max fordulatszámon ami lehetséges egy biciklinél, pl. valami ellenállással vagy izzóval terhelve. Azért jó lenne valami leírás a dinamóról. (Úgy tudom amit dinamónak neveznek dc-t ad le, az ac-t leadót generátornak hívják. De hozzáértők megcáfolhatnak.) -
Lompos48
nagyúr
Hát, nem lesz egyszerű. Ez eredetileg a ponthegesztéshez hasonló "wire bonding" technikával vannak szerelve, ami a félvezetőgyártásban használatos.
Ami még plusz problémát jelenthet:
1. Valószínű, hogy a tok lábai nikkelből vannak (ez a merevség miatt szokás)
2. A szálak aranyból szoktak lenni, vagy olcsóbb megoldás utóbbi időkben az alumínium olyan 25μm átmérővel
3. Kérdés hogy hova kell a szálakat a chip-en kötni? Azon piciny fémezett pad-ok vannak általában, amikre ugyancsak wire bonding-gal szokták a szálakat csatlakoztatni. Egy pákával melegítve nem kizárt, hogy ezek a padok elszállnak.Házi megoldással szemben szkeptikus vagyok. Forrasztóónnal gond lehet a más fémhez való tapadással. Olyan helyet, ahol félvezetőket vagy hibrid áramköröket szerelnek/gyártanak nem tudok ajánlani, sajnos.
Azért szorítok!
-
mezis
félisten
-
doc
nagyúr
Hány éve van műben
ez azt jelentene hogy mennyi ideig volt hasznalatban?
mert akkor a valasz: nulla
(mar igy hozta a postas, a vetelarat visszakaptam, ezert is szedtem szet; ha javithato, akkor miert dobnam ki?)
es nem CO szenzor (az az MQ7)szoval a kerdes valtozatlan: valakinek van otlete, hogy lehetne a hajszalvekony drotokat visszarakni? a legegyszerubb megoldas az ongomboc lenne, de nem tudom az nem befolyasolna-e tulzottan a szenzor mukodeset
-
válasz
PH-User
#24004
üzenetére
Üdv
Ha normálisan felrakod a csúszósarukat akkor nem kell feltétlen forrasztani.Inkább a saru minőségére érdemes odafigyelni mert sajnos sok "szemét" van a piacon.(az egyik fajtása a túl vékony anyagból készült ami már a párok összedugásakor lelazul és később szét is csúszik vagy a keménynek tűnő de anyagában igen csak szennyezett amik 2-3 év elteltéve egyszerűen szét töredeznek)
A forrasztás mellett is szeret eltörni a vezeték (főleg rezgő,mozgó motorokon stb)
Ha már Simson akkor itt egy szép példány(nekem csak sima Swchalbém van. -
CPT.Pirk
Jómunkásember
-
PH-User
addikt
Én kérdeznék most egy olyat, hogy sodrott rézkábelre a sarut melyik módszerrel jobb felszerelni;
a, egyszerűen blankolni a vezetéket majd fogóval rányomni a sarut
b, blankolni a vezetéket majd ráforrasztani a sarut és a forrasztásra kis darab zsugorcsövet melegíteni
(Egy Simson motor újrakábelezésekor jött elő ez a kérdés.)
?
-
PHM
addikt
Az egyik leggyakoribb adapter dugó típus az 5,5/2,1 mm-es.
A legtöbb dugasztápon ilyennel találkoztam.(#23988) 14adam: Ezt meg nem mondom fejből.
Függ a pufferelkók kapacitásától és átlagos belső ellenállásától is.
A teljesítménye nem mindegy, el kell tudnia viselni a rá eső feszültséget,
de a legjobb teljesítményre kissé túlméretezni,
hiszen még így is előfordulhat némi aszimmetria. -
Lompos48
nagyúr
válasz
DonThomasino
#24000
üzenetére
Nem tudok egyetlen megoldást adni az általad megadott egész tartományra. Ezért írtam ismételten, hogy esetenként megtárgyaljuk. Az áraitokról pedig halovány gőzöm sincs.
Új hozzászólás Aktív témák
- Folyószámla, bankszámla, bankváltás, külföldi kártyahasználat
- E-roller topik
- SSD kibeszélő
- Luck Dragon: Alza kuponok – aktuális kedvezmények, tippek és tapasztalatok (külön igényre)
- Hogy is néznek ki a gépeink?
- AMD K6-III, és minden ami RETRO - Oldschool tuning
- Samsung kuponkunyeráló
- Kamionok, fuvarozás, logisztika topik
- Hardcore café
- Milyen videókártyát?
- További aktív témák...
- Önerő nélkül is elvihető! Részletfizetés. 27 % Áfás számlával Dell Alienware QD-OLED gamer monitor
- LG 27US550-W - 27" IPS / 3840x2160 4K / 60Hz 5ms / HDR10 / Forgatható / sRGB 99%
- LG 83B4 - 83" OLED - 4K 120Hz 1ms - NVIDIA G-Sync - FreeSync Premium - HDMI 2.1 - PS5 és Xbox Ready
- Telefon felvásárlás!! Samsung Galaxy A14/Samsung Galaxy A34/Samsung Galaxy A54
- Samsung Galaxy A33 5G / 6/128GB / Kártyafüggetlen / 12Hó Garancia /
Állásajánlatok
Cég: Laptopszaki Kft.
Város: Budapest
Cég: PCMENTOR SZERVIZ KFT.
Város: Budapest
Most nem fog furdalni a lelkiismeret ha egy dolgot nem tudok. 


Ki látott már ilyet?

![;]](http://cdn.rios.hu/dl/s/v1.gif)

Lényegében azt nem értem miért nagyobb azt hittem ennek méretarányosnak kéne lenni.




ekkold
