-
Fototrend
Ez itt, az elektronikával hobbiból foglakozók fórumtémája.
Lentebb összegyűjtötttem néhány elektronikával kapcsolatos, hasznos linket.
Új hozzászólás Aktív témák
-
kjani18
őstag
válasz
vodkaboy22
#30598
üzenetére
Párhuzamosan kösd a trimmert! Ja, és nagyobb ellenállással.
PHM
kb. 2V feszesés, 0.4A = 0.8W -ot kell az IC -nek eldisszipálni...
-
PHM
addikt
válasz
vodkaboy22
#30596
üzenetére
Tartok tőle, hogy az LM317-esen nagy lesz a feszültség esés.
Marad a 2 tranzisztoros megoldás, annak sem sokkal rosszabb a stabilitása,
és ugyanúgy jusztírozható.
Kb 2,2 ohmos emitter ellenállás kell hozzá, + egy 22 ohmos trimmer,
10 ohmmal sorba kötve.
Melyik oldalon kívánod az áramot szabályozni? +, vagy - ? -
kjani18
őstag
válasz
vodkaboy22
#30596
üzenetére
Ha a trimmer nem bírná, egy ellenállással párhuzamosan tedd bele, még a beállítás is könnyebb lesz.
Nem tudom most mi a szabvány, de egy 4,7 Ohmos 0,5 W ellenállással párhuzamosan egy occsó 100Ohm trimmer? -
vodkaboy22
addikt
-
kjani18
őstag
válasz
vodkaboy22
#30594
üzenetére
1-1 lm 317-el megoldható
-
vodkaboy22
addikt
SZükségem lenne egy kismértékben állítható 300-400mA-res áramkorlátra. 8.2V-ra. Erre tudtok példát adni?
A feladat az lenne, hogy a csőfűtést megoldjam ebből a 8.2V-ból, de mivel a legtöbb cső 6.1- 6.5V között áll be valahol ezért, a táplálásukat külön külön mindegyiknek egy áramkorláttal akarom megoldani, hogy precízen betudjam állítani a stabil 365mA áramot ami kell.
-
Peter789
senior tag
sziasztok!
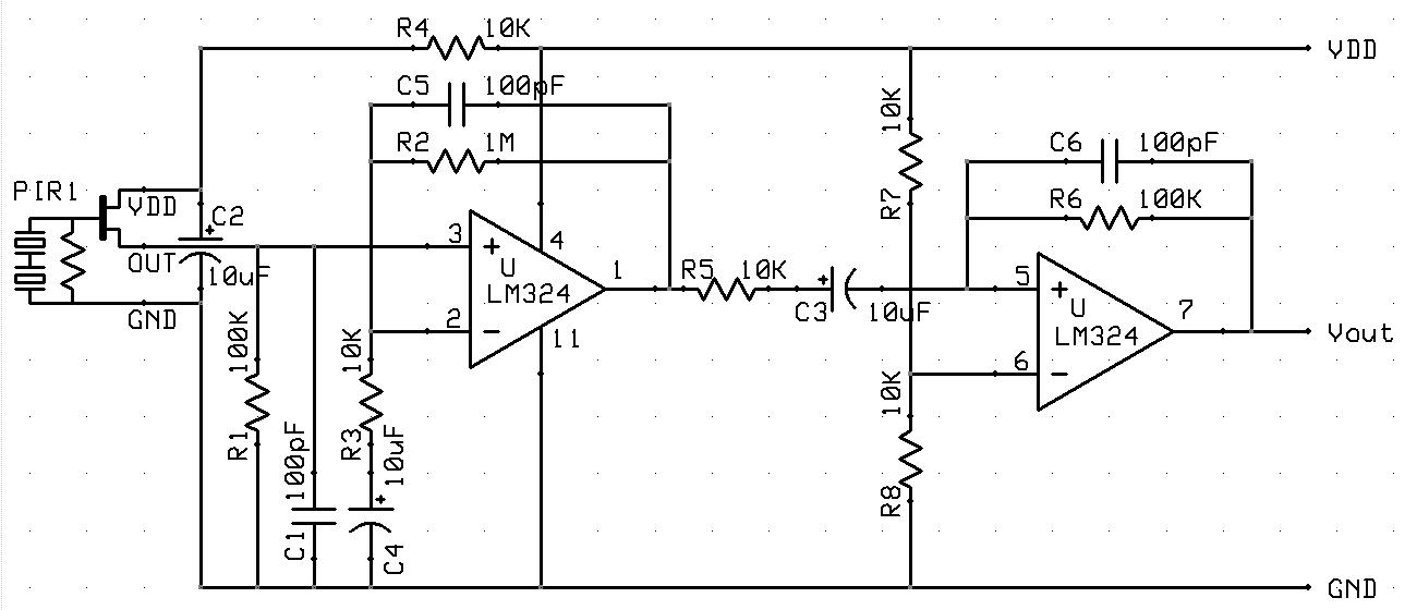
a következő műverősítős kapcsolás javításában / finomhangolásában kérném a segítségeteket:
a neten mindenhol fellelhető PIR mozgásérzékelő kapcsolások alapján raktam össze LM324 helyett egy MCP6004-el egy alap kapcsolást. 2 műverősítőből áll, az első egészségesnek tűnik mert a kimenetén megjelenik egy ~1V körüli stabil fesz, ami az érzékelő izgatására +/- 0.1V-ot mocorog (DSO zseb-szkóppal nézve). a második fokozat viszont fixen az 5V tápfeszre áll és nem mozdul soha...
valahol a körítés alkatrészek méretezésével lehet a gond, vagy az IC döglött esetleg?
a tippeket előre is köszönöm!
-
darvinya
titán
válasz
Hujikolp
#30590
üzenetére
Jó lenne, ha látnám.
De a sok link és ez a dropbox izé olyan lassú, hogy nem bírom kivárni letöltést.
Ezért jobb a közvetlen képfeltöltés vagy képmegosztó(nem a reklám képfeltöltés honlap, mert az ugyanolyan tré mint a DB tár) pl: imgur.com és direkt link amit minden feltöltött képnél van. -
-
sörösló
aktív tag
válasz
vodkaboy22
#30586
üzenetére
Tudom hogy off, de mostmár tényleg befejezem ezt a témát.
"délután 1-2órára " viszonylag ideális időpont, aki éjjel dolgozott az már úgyis felkelt. Hangsúlyoznám: nem a munkazajokkal vagy a gyerekricsajjal van bajom. Dolgozni ugye kell, ha hétközben a cégnél, akkor ugyi a maszekra marad a hétvége. A gyereket meg nem lehet megkötni, az önjáró zajgenerátor. Na de nem kötelező hajnali 7-kor próbálgatni hogy szól az újonnan beszerelt 500 W-os mélynyomó, leesik-e tőle a rendszámtábla. Az új láncfűrészt se éjnek éjén szoktuk kipróbálni...
-
sörösló
aktív tag
válasz
vodkaboy22
#30586
üzenetére
Ki kéne élezni a gyalukését vagy visszavenni az előtolást.
Egy jó gyalugép nem adhat ilyen hangokat! -
vodkaboy22
addikt
válasz
totya694
#30582
üzenetére
Szerencse, hogy farmon lakok és így biza nem zavartam pl ma se "annyira" a szomszédokat amikor délután 1-2órára neki álltam a 2300W-os nagyflexxel csiszolgatni amit hegesztettem előtte...

Mégis van olyan ismerős aki jó pár kilométerrel arrébb ha elkezd egy kicsit gyalulni gerendákat akkor a kezemben a borospohár is remeg...
-
sörösló
aktív tag
válasz
totya694
#30584
üzenetére
"Ő sem bömbölteti a gépeket"
Szerencsés ember vagy Ember szomszéddal. A kuncsaftok hülyeségéről meg nem tehet. Volt velem úgy hogy a lámpánál verte maga alá a csikktartót a baromarcú. Mikor rátülköltem és megkérdeztem hogy otthon is az ágya alá üríti-e, alig vártam félelmemben hogy végre zöld legyen és eltűzhessek padlógázzal a búsba...

-
válasz
sörösló
#30583
üzenetére
Én sem tizen éves vagyok.Engem úgy neveltek(formáltak),hogy nem csak élni ha nem élni hagyni is kell.Én megértem,hogy neki dolgoznia kell és az Ő munkája sajnos zajjal jár de feleslegesen Ő sem bömbölteti a gépeket.Az egy kicsit jobban feszélyez amikor a kuncsafti köre a mi házunk előtt tapossa ki a füvet,itt forognak meg az autóikkal és olykor még a hamutálukat is "véletlen" kiborítják...
-
sörösló
aktív tag
válasz
totya694
#30582
üzenetére
Lehet ezeket is emberi időben csinálni. A gond igazából az, hogy amikor szólsz, (szelíden, úriember módjára) akkor rögtön az anyukád jön szóba. Ez az a fajta emberke, aki mérhetetlenül felháborodik ha nem elég kedves a nővérke a kórházban, eszébe sem jut hogy esetleg azért morcos a lelkem, mert egy hasonló dúvad miatt nem alhatta ki magát előzőleg!
"jól tolja a basszusokat..." Pontosan ez az, amit nem lehet kizárni egy ablakkal!
Bocsi az OFF-ért.
-
sörösló
aktív tag
válasz
agoka07
#30575
üzenetére
De igen, kedvelem a zenét. Viszont az a véleményem, hogy nem kényszeríthetem rá másra a zenei ízlésemet ,vagy csak azt hogy én "kedvelem" a zenét" ergo más is kedvelje ugyanakkor és ugyanott, amikor én! Tiszteljük a többieket, ez csak erről szól. A 7 km meg nagyon relatív távolság. Lehet hogy nem hallok mást csak a döngető basszust,de attól még ébren marad a gyerekem vagy az unokám, meg én is. Ennek tudatában kívánok neked jó szórakozást, meg olyan munkahelyet ahol éjszakázni kell. Aztán ha a szomszéd "gyöngéd basszusa" nem hagy aludni, akkor kellemes anyázást!

-
-
agoka07
senior tag
válasz
sörösló
#30573
üzenetére
Lehet, hogy te nem vagy zenekedvelő személy, de van akinek nagyon is fontos, nem egy szabadtéri buli-t akarunk csinálni, hanem egy hangulatos kiruccanást. Zavarni, pedig vagy a 7km-re lévő "szomszédokat" vagy pedig a fatolvajokat zavarnánk. No de mindegy, ne legyen konfliktus!

Más: köszönöm a figyelmeztető válaszokat, inkább nem kockáztatok!
-
sörösló
aktív tag
válasz
agoka07
#30566
üzenetére
"Van egy Tevion 5.1 erősítőm 90W teljesítménnyel. Jó volna egy kis zene a május 1-es kirándulás közben! "
Arra nem gondolsz esetleg hogy másoknak meg jó volna egy kis CSEND a május 1.-ei kirándulás közben? Félsz a csendtől, Barátom? Veszélyes dolog is az nagyon, még a végén eszedbe jutna valami saját észfurmány. Gondolkozz kicsit, ha van még mivel...

-
Lompos48
nagyúr
válasz
vodkaboy22
#30567
üzenetére
Dehogyisnem. Ha "szerencséje" van leég a hálózati trafó.
-
fero02
nagyúr
válasz
vodkaboy22
#30569
üzenetére
Nem gondoltam rá. Én csak eleve a lehetőség kérdésére adtam választ. Aztán, hogy meg fog-e szólalni, az más tészta...
![;]](//cdn.rios.hu/dl/s/v1.gif)
-
agoka07
senior tag
Üdv!
Van egy Tevion 5.1 erősítőm 90W teljesítménnyel. Rá lehet ezt kötni egy 12V-os akkumulátorra? Mennyire "veszélyes"? Jó volna egy kis zene a május 1-es kirándulás közben!
-
darvinya
titán
válasz
vodkaboy22
#30563
üzenetére

-
PHM
addikt
válasz
darvinya
#30561
üzenetére
Olvasd el ezt ésezt.
Tehát, ha jól követtem az eseményeket, az ominózus kondenzátor
T507 negatív feszültség visszacsatolását hajtja végre.
Az, hogy éppen ott van T505 emittere és kollektora is,
ebből a szempontból irreleváns.
De ha figyelmesen elolvasod a témához kapcsolódó hozzászólásokat,
rájöhetsz, hogy egyrészt a kérdés Lompos48 úr által alaposan ki lett vesézve,
másrészt pedig az említett kondenzátorral nincs semmi tennivalód. -
darvinya
titán
Elolvastam, csak hogy ez a kép a végfokról készült és nem a bemenetről.
És igen az rajzon nem szerepel a zöld vonallal jelzet kondi.
Már kivettem, de érdekel annak mi a szerepe.(#30562) Lompos48
150pF tudom, mert rá van írva.
Csak hogy mi szerepe van.
Mert akárhogy is nézem a emitter-kollektor lábon van.Ami feszültség visszacsatolásra emlékezet ez kör ami most van.
-
Lompos48
nagyúr
válasz
darvinya
#30557
üzenetére
Az eddig tárgyalt kondenzátor, ami a kollektor és emitte közé van kötve egy negatív feszültségvisszacsatolás, ami (mivel ellenfázisú jelet szállít a kollektorból a bázisba) csökkenti a feszültségerősítést a frekvencia függvényében (a kondenzátor reaktanciájának frekkvenciafüggőségére alapozva).
A rajz, amit bebiggyesztettél egy áramvisszacsatolás, amit az emitterellenállás végez. Minél nagyobb az ellenállás, annál jobban csökkenti az erősítést. A vele párhuzamos kondenzátor ezt teszi ismétcsak frekvenciafüggővé, azaz az erősítés növekedik a frekvencia növekedésével.
Ez két teljesen különböző dolog. Utóbbiból nem lehet találni a Regent végfokjában. Annál inkább a 2 bemenetei fokozatában, ahol ezt kihasználják hangszínszabályozásra.Egyébként nem értem mit akarsz megtudni. A lényeg az, hogy tranzisztorcsere esetén nem kell a kondenzátorokat újraszámolni vagy egyáltalán piszkálni.
-
darvinya
titán
-
-
-
-
#22145024
törölt tag
válasz
Lompos48
#30546
üzenetére
Értem!
Közben gyors ráforrasztottam közvetlen a lábakra 100n X7R-eket, és a változatosság kedvéért, most 13.3V-tal indít, majd pár 10 sec alatt lemegy/beáll 12.5-re. Második bekapcsolásra hasonló, de kisebb kóválygással.
Sajna a negatív oldal a normális működés hiánya mellett, még most is melegszik. Lehet, hogy a műverősítőt is inkább kerámiával kéne hidegíteni? Mert kizárásos alapon akkor az "gerjeszti" az LDO-t? -
#22145024
törölt tag
válasz
Reggie0
#30541
üzenetére
ha van ötleted, hogy mit szűrőzzek még meg pluszban, azt még kipróbálnám, mielőtt átalakítom "hagyományosra" Lompos48 tanácsa szerint. Eléggé sürün van ültetve és a trimmert sem tudom már kivenni, így valszeg a trackeket tudom csak szétcincálni, amit lehetőleg a végére hagynék.
"A szurozes rendben van?"
Hát annyi van rajta, amennyit látsz a rajzon. A graetz lemaradt, hogy beleférjek a pixelszámba. Ott egyébként mindegyik UF-es diódán van parallel egy-egy 10n.Az számít, hogy a két oldal földje csak a PCB "jobb oldalán" , a kimeneti csatin van közösítve? A trafó dupla szekunderes és nincs közvetlenül a kivezetéseinél közösítve, csak a panel kimeneti oldalán, "a LED-ek után".
-
kisi
aktív tag
válasz
darvinya
#30540
üzenetére
Ahh, gyermekkori álmaim netovábbja..
Még ipari tanuló voltam (Faipar, mintakészítő), amikor először kacsintgatni kezdtem az elektronika felé, apám már akkor sem újnak mondható Ezermester gyűjteményét bújva. Azokban a 60-70.-es évekbeli újságokban szinte minden kapcsolás ezek köré épült. Kisvasút vezérlés, lámpa villogtatás, sziréna, megafon... minden, amitől egy kissrácnak felcsillan a szeme... Aztán amikor először láttam elektronikai boltot belűlről, a szépen összeírt listámmal az álmaim is szertefoszlottak: Akkor már nem lehetett kapni őket. Hiába tette elém a boltos a nagykönyvet, válasszak helyettük mást, mivel semmi tudásom sem volt a témában, ezért a számok, oszlopok a katalógusban semmit sem mondtak. Találomra böktem egy sorra: Ezt kérem. A boltos pedig szó nélkül adta amit kértem. A kis vásárlás közel egy vagyon lett, a kapcsolás pedig nem működött. Igaz, fogalmam sem volt, hogyan is kellene azt a kis műholdat bekötni, mely a papírzacskóban volt az ezerszer is megálmodott Ac127-128 helyett...
Azóta eltelt több mint 20 év, és kevéssé vonzott az elektronika, egy-két próbálkozástól eltekintve. Az utóbbi egy- két évben foglalkozom csak újra vele, kedvtelésből próbálgatva, tanulgatva, amit az elektronika rejteget. -
darvinya
titán
Íme Tungsram AC128 a HM-től.


Elég jó a turkálója.
100-300Ft-ig csövek pl: EF80 -
#22145024
törölt tag
válasz
Lompos48
#30535
üzenetére
Közben kicseréltem az ominózus elkót és a japán rajz szerint lett bekötve. Így legalább szabályozható a potival, de a 240R-ot le kellett vigyem a felére, hogy az 5k-s potival be tudjam állítani a 12VDC kimenetet.
Azonban valami még nem jó, mert az LM337 továbbra is melegszik és kúszik egyre feljebb a fesz. Érdekes, hogy haygva kihülni és újra bekapcsolva még ráad plusz 1V-ot a kimenetre. Nem lehet, hogy a rossz kondipolaritás mellett még pluszban gerjed is valahol? Mástól mitől melegedne? 10perc után már kb 55-60-fokos az LM337-es LDO, míg a plusz oldal csak 35-40°C és ráadásul nem is mászik el a beálított fesz.Mit kezdjelk el hidegíteni?
~250mA-es terhelésre egyébként mindkét oldal csak 1-2 századvoltot mászik el, ez jónak tűnik.
"Azokkal nem nagyon tudod megvédeni Paksot, rendesen vinnék a rövidzárlatot egy 700mV-os könnyítéssel."
A "visszaáramot" akartam vele kiküszöbölni. Arra jó, nem? Vagy hülyeség? -
Lompos48
nagyúr
válasz
#22145024
#30533
üzenetére
Ki vannak azok az ICk úgy spekulálva, hogy ne kelljen nekik semmi mankó a stabilabb szabályozáshoz.
A két kimenet együttfutása egy jó dolog, ha mindig szimmetrikusan táplálsz belőle. Ez nem azt csinálja. Néha pedig akár asszimetrikus tplálás is kellhet.Inkább az egyenirányított bemenetekről táplálnám...
Ez a mondat azért került oda, mert a vizsgálódást az ICk helyes bekötésével és táplálásával kezdtem. Mint írtam egy műveleti erősítőt "illik" általában konstans feszültségekról táplálni. Persze ha az ICk feleslegesek, a mondat is az.
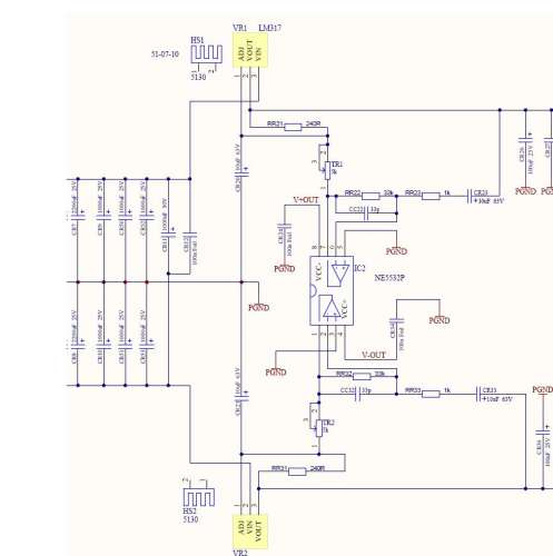
RR23, CR23 és RR33, CR33 csoportok
Olyan kapcsolásban sehogy sem klappol egy klasszikus invertáló erősítő kábelezésével.
Amit betettél képet, ott jobb oldalt, az az LM3x7 IC-k diszkrét felépítése?
Nem. Az ott volt. Nem akartam még a képeket is szabni. Egyébként azokkal a söntökkel alapállásba kötöd az ICket (1.25V kimenette), mert hiányoznak a "programoző" ellenállások. Tekints el tőlük.
A két kimeneti védődióda (DR1, DR2) csak a teszt miatt van bent, hogy hiba esetén ne verjen le mindent Paksig. Később -élő alkalmazásban- rövidzár van helyettük...
Azokkal nem nagyon tudod megvédeni Paksot, rendesen vinnék a rövidzárlatot egy 700mV-os könnyítéssel.

-
#22145024
törölt tag
A két kimeneti védődióda (DR1, DR2) csak a teszt miatt van bent, hogy hiba esetén ne verjen le mindent Paksig. Később -élő alkalmazásban- rövidzár van helyettük...
-
#22145024
törölt tag
válasz
Reggie0
#30530
üzenetére
IC-táp:
Csak a rajzi elem hibás.
Csatolok egy másik rajzot, ahová beírtam a mért értékeket. A negatív kimeneten azért van tól-ig érték, mert a bekapcsolás után pár sec-kel még 7.5VDC környékén volt, de mire eljutottam ezen ág műverősítő lábakhoz, már felment 8V fölé
Lompos48:
"Valahogy nem tudok rájönni mi a dupla opamp szerepe ilyen felállításban."
Gondoltam, valami szervós dolog, hogy stabilabban szabályozzon. Bár először azt gondoltam, hogy a két kimenet együttfutását hivatott kompenzálni, de végsősoron nem látok köztük galvanikus kapcsolatot, hacsak nem az IC tápján keresztül."- Inkább az egyenirányított bemenetekről táplálnám, vagy ha ijesztő a +/-20VDC a megengedett max. +/-22V-hoz képest, akkor nyugodtan etethetnéd egy-egy ellenállás és 15V-os Zener csoporttal."
De ha nem csinál semmit, akkor akár ahogy írod alant, el is lehetne az egészet felejteni."- RR23, CR23 és RR33, CR33 csoportoknak nem látom az értelmét,2
Túlképp egy japán oldalról szedtem le, és nem mondok újat, hogy szó szerint egy betűt nem értettem az egészből...
"- Remélem a negatív ágban LM337-re gondoltál, mert a rajzon nincs feltüntetve."
Igen, az van bentAmit betettél képet, ott jobb oldalt, az az LM3x7 IC-k diszkrét felépítése?
Szerk:
Ha a CR33-as 10uF-os elkó fordítva lenne ültetve, akkor lehet, hogy megjavul? Ugyanis jobban megnézve, az az én rajzomon fordítva van az eredetihez képest. -
Lompos48
nagyúr
válasz
#22145024
#30529
üzenetére
Valahogy nem tudok rájönni mi a dupla opamp szerepe ilyen felállításban.
- Stabil működéshez a tápfeszültségeit (amik a rajzon fordítva vannak bejelölve) illene egy állandó értékű forrásra kötni. Kis kimeneti feszültségeknél (a legkisebb garantált táp 5V) a működése kérdéses.
- Inkább az egyenirányított bemenetekről táplálnám, vagy ha ijesztő a +/-20VDC a megengedett max. +/-22V-hoz képest, akkor nyugodtan etethetnéd egy-egy ellenállás és 15V-os Zener csoporttal.
- RR23, CR23 és RR33, CR33 csoportoknak nem látom az értelmét,
- az opampok körüli ellenállások bekötése úgy tűnik csak arra jó, hogy a nullára kötött "+" bemenethez minél közelebb "húzza" a "-"-t is. Ezt opamp helyett az R22 egyetlen nullára forrasztásával megoldhattad volna, mert az LM317 tudja mit kell csinálnia, hogy stabilizáljon.
- Remélem a negatív ágban LM337-re gondoltál, mert a rajzon nincs feltüntetve.
- ha igen, akkor figyelni kell arra, hogy a 2 IC lábkiosztása nem azonos, hűtőbordájuk is emiatt máshova van kötve:
-
Reggie0
félisten
válasz
#22145024
#30529
üzenetére
Kezdetnek az IC tapjan levo forditott polaritas zavar. Bar van egy olyan erzesem, hogy a 8-as lab a +, a 4-es lab a - es a felirat van elirva, mert igy szokas ezeken a 8labu OPAMP-okon.
Igazabol sokat lenditene a segitsegen, ha egy rosszul mukodo allapotban lemerned a negativ oldal bemeneten es kimeneten levo feszultsegeket, valamint az OPAMP labain merheto feszultseget. -
#22145024
törölt tag
Tudnátok segíteni, hogy miért nem megy a negatív része a tápnak?
Így néz ki ( a többit levágtam, előtte gaetz van még pár pufferrel, meg utána némi pufferelés is.)
A pozitív ág megy hibátlanul, a potival be tudok állítani 12VDC-t minden gond nélkül és stabil is.
A negatív ág viszont 7-8VDC körül véget ér. A gretz után még minden rendben van, kb +/-20VDC-t mérek.
A 240R-ot (RR31) megfelezve is csak 1 volttal tudtam tovább menni, de ez sem volt egyértelmű. Továbbá ezen az oldalon lévő LDO már üresjárásban is egy kicsit melegszik (kézzel alig érezhetően ugyan, de van különbség a pozitív ághoz képest). És nem is stabil, minden bekapcsolásnál egy pár tizeddel máshova áll be.
Szkópom nincs, de az alkatrészek elég közel vannak ültetve egymáshoz.
Van ötletetek, hogy mivel tudnám normális működésre bírni? -
darvinya
titán
válasz
sörösló
#30527
üzenetére
Itt nem a felnőttek hülyeségén van a hangsúly.
Hanem magán a gyakorlat szerzés mikéntjén.Nem tagadom kell a műhely, de a legtöbb tudás élőben szerezhető meg.
Egyes szakmai egységeknél az új dolgokat maga szerkezet gyártó cég kiadja.
De arról oktatását vagy gyakorlatát nem folytat, mert maga az oktatási intézmény nincs kapcsolatban vele.
Ha ezen tudnának változtatni, akkor nem lenne ekkora különbség.Anno pont emiatt lett felháborodás, hogy az akkori Okt.Min. rendeletben megtiltotta az ilyesféle gyakorlatot.
Emiatt a Csepeli Trafógyárban lévő szakmai gyakorlat megszünt.
És még sorolhatnám…Eltelt több 10 év és most döbbentek rá, hogy ez a gyakorlat teljesen hibás.
-
sörösló
aktív tag
"az efféle tudálékoskodás távol álljék tőlem!"
Úgy legyen. És sok sikert a továbbiakban is.

Kedves Moha! Pont arról beszéltem hogy a kölykök nem tehetnek a felnőttek hülyeségeiről. Gyakorlati képzés meg egyáltalán nincs, ha én megpusztulok akkor az eddigi tapasztalataim mennek velem együtt a gödörbe. Lehet hogy nem kár érte, de ki tudja...

-
moha21
veterán
Ja nem mellékesen gratulálok a 7. helyhez is. Nekem a gyakorlatom lett jó vizsgán 94% épületvillamosság 98% ipari blabla ( Y-D áatalakító ).
Az épületvillamossági elméletem meg csupán 75 % lett, pedig az egyik kedvenc tételemet húztam ( világítás ) csak a vizsgáztató tényleg nem volt tiszta.
Villamos gépek és Ipari elosztó berendezések szerelése elméletből transzformátor alállomás vezető voltam, ami ugye elég fura az MSZ1585 miatt. :-)
-
hNp88
aktív tag
válasz
sörösló
#30522
üzenetére
az efféle tudálékoskodás távol álljék tőlem!

én inkább az a fajta vagyok, aki tudom, "mi az amit hogyan" kellene, lehet, avagy nem lehet, csak épp a két balkezem akadályoz a megvalósításban.
és azt hiszem, a kellő alázat is megvan bennem, hogy ne is váljak az általad leírt emberek közül valóvá. -
sörösló
aktív tag
Ez nagyon szép dolog, de gyakorlati szakemberként csak azt tudom mondani, hogy a Te fajtádat szoktam szidni a leggyakrabban. Kitanul a főisin vagy az egyetemen, főokos, mindenhez ért (ha tényleg ért az még jó), aztán ossza az eszet. Ha normális akkor odafigyel azokra akik tényleg értik, ha nem akkor kártékonykodik addig amíg fel nem bomlik a karbantartócsapat, aztán elmenekül amikor rádől az egész kóceráj. Ilyen NE legyél!
-
sörösló
aktív tag
Nekem alapképzettségem "rádióműszerész". Voltam már orvosi műszerész, járművillamossági szerelő, akkumulátortöltő, kb. 30 éve ipari elektronikával foglalkozom. Úgy hozta a sors hogy szükségem lett "erősáramú berendezésszerelő" végzettségre is a papír miatt, nosza beiratkoztam a szakmunkásképzőbe. Bejártam vizsgázni, minden jól ment egészen a szakmunkásvizsgáig! Régi katonacimborám volt a tanműhelyvezető, neki köszönhetem hogy egyáltalán átmentem a gyakorlati vizsgán. Kaptam egy kegyelemkettest. A cimbora utólag megjegyezte: -Nem gondoltam hogy te ennyire gyenge vagy. Erre én azt mondtam neki : Ha az én többévtizedes ipari gyakorlatom itt csak ennyit ér, akkor a helyedben elgondolkodnék, hogy mit is taníttok ti itt ezeknek a kölyköknek.
-
hNp88
aktív tag
válasz
Lompos48
#30518
üzenetére
összejött amire vágytam, megúsztam a vizsgákat.

csak mondom, az az elszomorító, ha lett volna még fél órám, akkor nem hetedik lettem volna...

nem is tudom, hogy kéne szépen mondani azt, hogy iszonyatosan nagyon nem vagyok gyakorlati ember. egyébként pedig tovább fogok tanulni az elektrotechnikai-elektronikai vonalon, ezt szorgalmazzák a tanáraim is
és inkább az elméleti részek felé orientálódok. -
tornas
őstag
Basszus...
de hát akkor meg minek kell olyan konnektor, ami gyakorlatilag használhatatlan.?! 
A legtöbb ember a vonatokon laptoppal, mobillal és tablet-tel utazik, amiket kapcsolóüzemű táppal töltenek. Mást nemigen használnak azokon kívül.
Nem értem a MÁV-ot sem: eleve nem jól építik ki (nehogy véletlenül minőségi munka szülessen), aztán jönnek a panaszok és akkor egy vállrándítással (piktogram) elintézik. Nem ám a probléma megoldása fekszik nekik... Ezért áll a csőd szélén...
Mindegy... A 3. generációs IC kocsikon is hangoztatják, hogy van Wifi. Hát, én még nem tudtam rendesen használni (csak egyszer, de az is bűn lassú volt), pedig már utaztam vele jó párszor...Grat a versenyhez!
-
hNp88
aktív tag
válasz
Lompos48
#30513
üzenetére
pont ezért, sok panasz érkezett a MÁV-hoz, hogy a vonatokon megdöglött a laptop töltője (ha maga a laptop nem is), így kitették a kis piktogrammokat, aztán onnantól a júzer felelőssége, hogy ott tölti a gépét, és esetleg megpusztul...
más: villanyszerelőként hetedik lettem az idei Szakma Kiváló Tanulója Versenyen. vizsgáznom már nem kell

azért nem teljes az örömöm, a gyakorlatot nagyon elrontottam, ezért csak 7. hely. az elméleti dolgaim nagyon jól sikerültek, de ez a fene gyakorlati rész...
-
tornas
őstag
válasz
Lompos48
#30513
üzenetére
A forgóvázakon található generátorok a régebbi kocsik tulajdonságai. Ma már inkább a mozdony fűtési fővezetékét (1500 V, 50 Hz) használják fel a kocsik áramellátására. Többek között az akkuk töltésére is. Az IGBT-s töltőket közvetlenül megelőzték a tirisztoros töltők. Négyszögjeles 230 V-ot kapnak legtöbbször a konnektorok is szintén a fűtési fővezetékről IGBT-s inverteren át.
Ahol ezt a piktogramot láttam, az is új kocsi volt.
-
Lompos48
nagyúr
válasz
tornas
#30512
üzenetére
Én csak arra utaltam, hogy egy földelés nélküli 230V~ kitűnő egy laptophoz. De nem feltétlenül a vagonban található.
Egyébként tudtommal a személykocsikban 24 (vagy 48V
)-os akkuk vannak, amiket egy tengelyre töltött generátor tölt menet közben. A 230V~ot a generátor miatt eléggé ingadozó konverter állítja elő ebből, ami egy eléggé kétes pontosságú feszültségértéket jelent. Gondolom a mai napig gurulnak olyan kocsik, amin még mindig az ASZ15-ös vagy kissé későbbi 2N3055-tel szerelt cuccok vannak. -
Reggie0
félisten
válasz
tornas
#30507
üzenetére
En probaltam hasznalni es az a szivas, hogy nehany masodpercig van aram, nehany masodpercig nincs. Hogy miert van ez, vagy mi a logikaja, nem tudom, de siralmas. Lehet, hogy csak azert van ott, hogy a karbantartok tudjak hova dugni a furot

(#30506) Lompos48: hat igen, az EMC nem vicces ekkora teljesitmenyeken.
-
tornas
őstag
A magyar vasút kék személykocsijain szoktam látni olyan piktogramot, ami egy laptopot (töltőkábelével együtt) áthúzva jelöl. Egy külön ~230 V jelzésű címke társágában van mindig a konnektorok fölött.
Milyen jelalakja lehet annak 230 V váltófesznek, ha a laptop töltésére (elgondolásom szerint) nem alkalmas? Az rendben van, hogy a szinuszos vagy a négyszögjeles 230 V-ot mivel lehet etetni. De ezt...??

Ma láttam a vonaton egy emberkét is, aki ilyen konnektorról töltötte volna a mobiltelefonját, de 5 percenként állandóan ki-be dugdosta a töltőjét kb. 1 órán át. Magát a telefont láttam hogy világít a kijelzője. Nem tudom, hogy ez hirtelen összefüggésben van-e a piktogram jelzésével.
-
Reggie0
félisten
válasz
vodkaboy22
#30503
üzenetére
Kinaban sok DC van, mert nagyobb tavolsagra sokkal kedvezobb, csak a transzformalas es a vedelem a maceras. Kinaban most az a koncepcio, hogy inkabb a banyakhoz telepitik az eromuvet es szallitjak DC-n az aramot, minthogy kozuton/vasuton fuvarozzak a nyersanyagot az eromuig, mert az elobbi olcsobb es kornyezetkimelobb megoldas.
Most +/- 800V-os rendszeruk van( azaz a ket vezeto kozott 1600V van es a fold a foldvezetek). A +/- 1100V teszteles alatt van.
Yunnan-Guangdon 5GW kb. 1500 km
Xiangjiaba-Shanghai 6.4GW kb. 2000km. -
Reggie0
félisten
válasz
vodkaboy22
#30470
üzenetére
Tudtommal most csak import van es tervezik, hogy esetleg ideiglenesen leviszik 400kV-ra, hogy csokkentsek a sugarzasi vesztesseget.
-
moha21
veterán
válasz
tornas
#30500
üzenetére
A "fokozat" nincs. B,C,D van. Hát ugye relatív ér -e valamit vagy sem. Szar műanyag elosztóba inkább tűzveszélyes lehet, rendesen beépítve nincs ilyen gond. Másik dolog, hogy azért kisebb impulzusokkal lazán megbirkózik ( akármi traziens stb.) a hőt eldisszipálja és megy tovább.
[link] itt el lehet kezdeni olvasni, de ez messze nem minden.
Új hozzászólás Aktív témák
- MacBook felváráslás!! MacBook, MacBook Air, MacBook Pro
- HIBÁTLAN iPhone 13 mini 128GB Pink -1 ÉV GARANCIA - Kártyafüggetlen, MS3285
- ÁRGARANCIA!Épített KomPhone i7 14700KF 32/64GB RAM RTX 5070 12GB GAMER PC termékbeszámítással
- LG 39GX90SA-W - 39" Ívelt Smart OLED/ WQHD 2K / 240Hz & 0.03ms / 1300 Nits / G-Sync & FreeSync
- GYÖNYÖRŰ iPhone 14 Pro 128GB Space Black -1 ÉV GARANCIA - Kártyafüggetlen, MS4041, 100% Akksi
Állásajánlatok
Cég: PCMENTOR SZERVIZ KFT.
Város: Budapest
Cég: Laptopszaki Kft.
Város: Budapest



Egy jó gyalugép nem adhat ilyen hangokat!




![;]](http://cdn.rios.hu/dl/s/v1.gif)





és azt hiszem, a kellő alázat is megvan bennem, hogy ne is váljak az általad leírt emberek közül valóvá.
de hát akkor meg minek kell olyan konnektor, ami gyakorlatilag használhatatlan.?!
Egyes helyeken meg tervezek inkább felvinni 1MV-ra (pl: Kína). 1MV DC-t hol is használnak? Most akkor mi a jobb 400kV vagy 1MV?
ekkold
